Каталог запасных частей к технике: КрАЗ-65055. Приборы световые задние
1
2
3
3
3
4
4
4
5
6
6
6
7
7
8
8
8
8
8
8
8
8
8
8
8
8
8
9
9
9
9
9
9
9
9
9
9
9
9
9
10
10
10
11
12
12
13
13
14
15
16
17
17
18
19
19
19
19
20
20
20
20
21
21
21
21
22
22
23
24
25
25
26
27
28
29
30
31
32
33
34
35
36
37
38
39
40
40
41
41
42
43
44
44
44
45
46
46
47
47
48
49
50
51
52
53
53
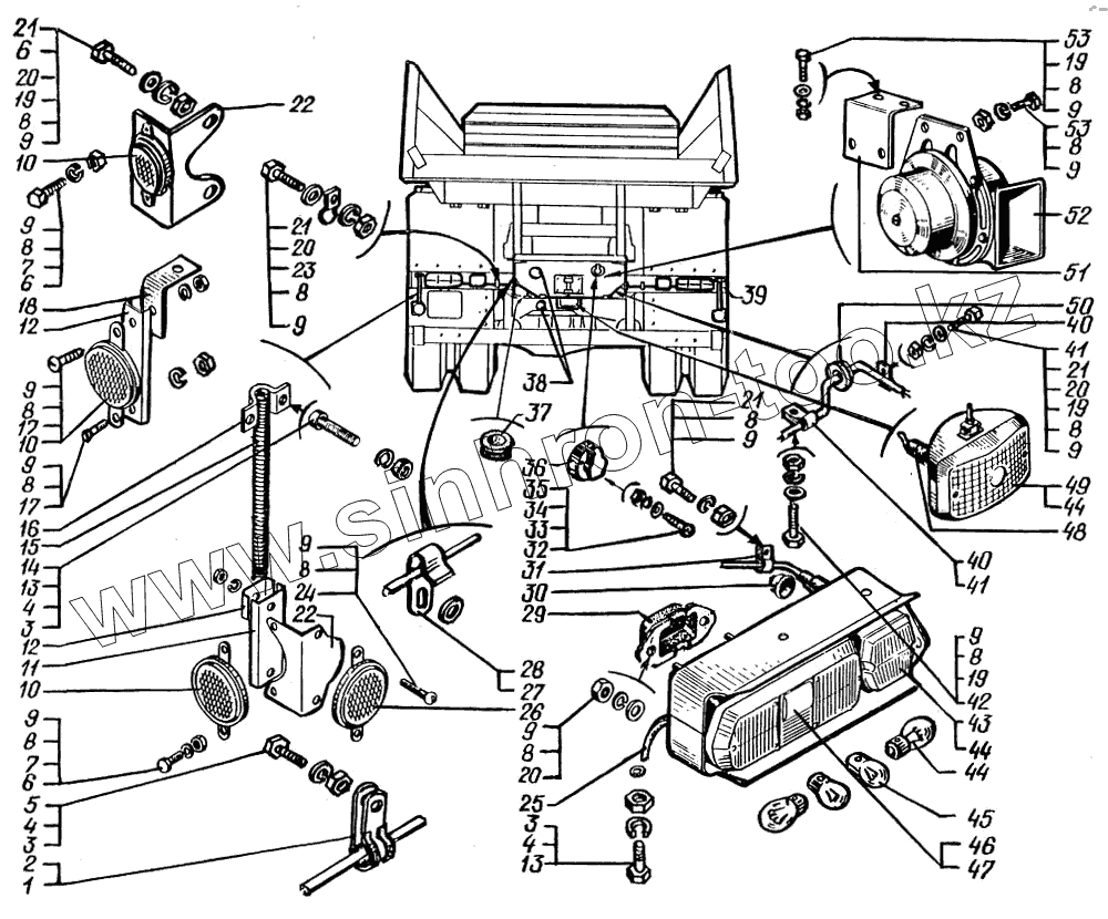
| Позиция на иллюстрации | Заводской номер детали | Название детали | |
|---|---|---|---|
| 250691-П29 | 250691-П29 | Гайка М16х1,5 | |
| 348560-П29 | 348560-П29 | Болт М16х1,5х50 | |
| 252139-П2 | 252139-П2 | Шайба 16 пружинная | |
| 1 | 347910-П29 | Кляммер | |
| 2 | 250-3724242 | Кант защитный | |
| 3 | 250510-П29 | Гайка М8 | |
| 4 | 252135-П2 | Шайба 8 пружинная | |
| 5 | 201468-П29 | Болт М8х1,25х50 | |
| 6 | 201416-П29 | Болт М6х1х12 | |
| 7 | 201418-П29 | Болт М6х1х16 | |
| 8 | 252134-П2 | Шайба 6 пружинная | |
| 9 | 250508-П29 | Гайка М6-6Н | |
| 10 | ФП316-3731000 | Световозвращатель желтого цвета | |
| 11 | 6437-8208045 | Планка | |
| 12 | 6437-8208043 | Скоба | |
| 13 | 201458-П29 | Болт М8х1,25х25 | |
| 14 | 201456-П29 | Болт М8х1,25х20 | |
| 15 | 6437-8208041 | Амортизатор | |
| 16 | 6437-8208042 | Скоба | |
| 17 | 220105-П29 | Винт М6х1х16 | |
| 18 | 250Б-3506162 | Кронштейн крепления трубок | |
| 19 | 252037-П29 | Шайба 6 | |
| 20 | 252004-П29 | Шайба 6 | |
| 21 | 201420-П29 | Болт М6х1х20 | |
| 22 | 260-8208024 | Кронштейн крепления световозвращателя | |
| 23 | 250-3506164 | Скоба 10 | |
| 24 | 220119-П29 | Винт М6х50 | |
| 25 | 256Б-3724105 | Провод "массы" | |
| 25 | 256Б1-3724105 | Провод "массы" | |
| 26 | ФП310Е-3731000 | Световозвращатель красного цвета | |
| 27 | 252007-П29 | Шайба 12 | |
| 28 | 347920-П29 | Кляммер | |
| 29 | 258-3724043 | Кожух защитный разъема заднего фонаря | |
| 30 | 256Б-3710070 | Кожух защитный | |
| 31 | 315203-П29 | Скоба | |
| 32 | 349005-П29 | Винт М5х48 | |
| 33 | 345075-П29 | Шайба 5,5 | |
| 34 | 252133-П2 | Шайба 5 пружинная | |
| 35 | 250464-П29 | Гайка М5х0,8 | |
| 36 | ПС400-3723200 | Розетка штепсельная переносной лампы | |
| 37 | 200-3724042 | Втулка | |
| 38 | ПС325-3723100 | Розетка штепсельная прицепа | |
| 39 | 65055-2802115 | Кронштейн брызговика | |
| 40 | 250-3506163 | Скоба | |
| 41 | 315406-П29 | Кляммер воздухопровода 8х10 | |
| 42 | 201426-П29 | Болт М6х1х35 | |
| 43 | ФП135-3716010-Г | Фонарь заднего хода | |
| 44 | А24-21 | Лампа | |
| 45 | А24-5 | Лампа | |
| 46 | 351.3716010 | Фонарь задний левый | |
| 46 | 3511.3716010 | Фонарь задний левый | |
| 47 | 35.3716010 | Фонарь задний правый | |
| 47 | 3501.3716010 | Фонарь задний правый | |
| 48 | 256Б1-3724167 | Колпачок защитный | |
| 49 | 2412.3716010 | Фонарь задний противотуманный | |
| 50 | 250-3408065 | Втулка предохранительная | |
| 51 | 6505-3721016 | Кронштейн сигнала | |
| 52 | С306Г-3721000 | Сигнал звуковой низкого тона С306Г | |
| 53 | 201422-П29 | Болт М6х1х25 |
Содержащиеся в справочниках-каталогах запасные части и детали не предлагаются к продаже, а носят исключительно информационный характер