Каталог запасных частей к технике: КрАЗ-65055. Механизмы тормозные задние
1
2
3
4
4
5
6
7
8
9
10
11
12
12
13
14
15
16
16
17
18
19
20
20
21
21
22
22
22
23
23
24
25
25
26
26
27
28
28
29
29
30
31
32
33
34
35
36
37
38
39
40
41
42
43
44
45
46
47
48
49
50
50
50
51
52
53
54
55
56
57
58
59
60
61
62
63
64
65
66
67
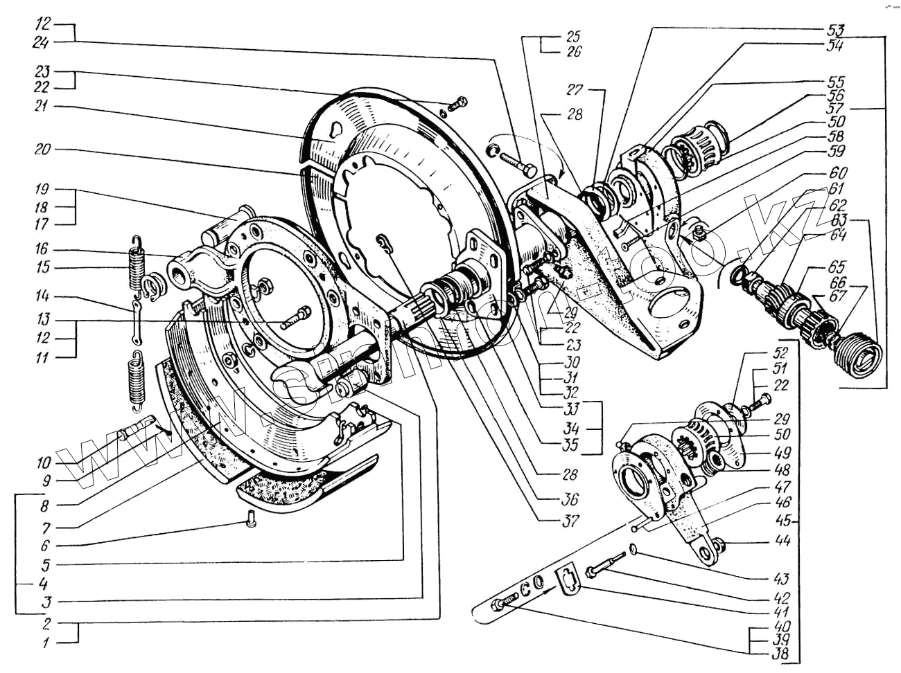
| Позиция на иллюстрации | Заводской номер детали | Название детали | |
|---|---|---|---|
| 64431-3502192 | 64431-3502192 | Втулка | |
| 220079-П29 | 220079-П29 | Винт М5х0,8х14 | |
| 252133-П2 | 252133-П2 | Шайба 5 пружинная | |
| ЫК-2.781.016СБ | ЫК-2.781.016СБ | Датчик ДСК-1 | |
| 1 | 6505-3502110 | Кулак разжимной правый | |
| 2 | 6505-3502111 | Кулак разжимной левый | |
| 3 | 250Б-3502109 | Ролик колодки | |
| 4 | 6505-3502090 | Колодка с накладками в сборе | |
| 4 | 6505-3502090-01 | Колодка в сборе | |
| 5 | 250Б-3502112 | Стопор ролика | |
| 6 | 346953-П | Заклепка | |
| 7 | 6505-3502105 | Накладка колодки | |
| 8 | 6505-3502095 | Колодка | |
| 9 | 258053-П29 | Шплинт разводной 4х25 | |
| 10 | 250Б-3502098 | Палец пружины | |
| 11 | 250561-П29 | Гайка М16х1,5 | |
| 12 | 252139-П2 | Шайба 16 пружинная | |
| 13 | 202149-П29 | Болт М16х1,5х60 | |
| 14 | 250Б-3502036 | Звено пружины | |
| 15 | 214Б-3502035-Б | Пружина колодок | |
| 16 | 6505-3502015-10 | Суппорт | |
| 16 | 6505-3502015 | Суппорт | |
| 17 | 250Б-3502134 | Кольцо стопорное 6х32 | |
| 18 | 345056-П29 | Шайба оси колодок | |
| 19 | 250Б-3502132 | Ось колодок | |
| 20 | 6505-3502151-01 | Диск защитный верхний левый | |
| 20 | 65055-3502151-01 | Диск защитный нижний | |
| 21 | 65055-3502150-01 | Диск защитный верхний | |
| 21 | 6505-3502150-01 | Диск защитный верхний правый | |
| 22 | 252136-П2 | Шайба 10 пружинная | |
| 23 | 201499-П29 | Болт М10х1,5х30 | |
| 24 | 202145-П29 | Болт М16х1,5х45 | |
| 25 | 260-3519175 | Кронштейн левый | |
| 25 | 65055-3519175 | Кронштейн левый | |
| 26 | 260-3519174 | Кронштейн правый | |
| 26 | 65055-3519174 | Кронштейн правый | |
| 27 | 200-3501160-А | Прокладка регулировочная | |
| 28 | 250Б-3502128 | Кольцо 038-046-46-2-2 | |
| 29 | 264020-П29 | Масленка 1/8" | |
| 30 | 252016-П29 | Шайба 14 | |
| 31 | 252138-П2 | Шайба 14 пружинная | |
| 32 | 201587-П29 | Болт М14х2х35 | |
| 33 | 6505-3502122 | Труба | |
| 34 | 6505-3502120 | Труба разжимного кулака со втулками | |
| 35 | 255Б-3501126-Б2 | Втулка кронштейна малая | |
| 36 | 250Б-3502129 | Шайба | |
| 37 | 6510-3501192 | Заглушка | |
| 38 | 201454-П29 | Болт М8х1,25х16 | |
| 39 | 252135-П2 | Шайба 8 пружинная | |
| 40 | 252005-П29 | Шайба 8 | |
| 41 | 256Б-3501154-10 | Пластина стопорная | |
| 42 | 256Б-3501142-20 | Ось червяка | |
| 43 | 260305-П29 | Заглушка 16 | |
| 44 | 256Б-3501139-01 | Втулка | |
| 45 | 256Б-3501136-02 | Рычаг регулировочный в сборе | |
| 46 | 256Б-3501138-11 | Корпус рычага | |
| 47 | 252607-П2 | Заклепка 5х46 | |
| 48 | 256Б-3501141 | Червяк рычага | |
| 49 | 256Б-3501143-10 | Крышка корпуса рычага | |
| 50 | 6510-3501140 | Колесо червячное | |
| 50 | 256Б-3501140-10 | Шестерня рычага | |
| 51 | 201495-П29 | Болт М10х1,5х20 | |
| 52 | 210Т-3501155-01 | Шайба упорная | |
| 53 | 200-3501161-А | Прокладка регулировочная | |
| 54 | 6510-3501143 | Крышка корпуса с приводом | |
| 55 | 6510-3501138 | Корпус рычага | |
| 56 | 6510-3501175 | Кольцо 045-050-030-2-2 | |
| 57 | 6510-3501136 | Рычаг регулировочный в сборе | |
| 58 | 6510-3501163 | Рейка-толкатель | |
| 59 | 231577-П29 | Винт М5х10 | |
| 60 | 262541-П29 | Пробка КГ 1/8" | |
| 61 | 256Б-3570136 | Кольцо 010-014-25-2-2 | |
| 62 | 6510-3501141 | Червяк с полумуфтой | |
| 63 | 6510-3501148 | Пробка-фиксатор | |
| 64 | 6510-3501142 | Червяк | |
| 65 | 6510-3501167 | Полумуфта неподвижная | |
| 66 | 6510-3501162 | Пружина | |
| 67 | 6510-3501166 | Полумуфта подвижная |
Содержащиеся в справочниках-каталогах запасные части и детали не предлагаются к продаже, а носят исключительно информационный характер