Вернуться на главную
Поиск
Каталоги запчастей к технике
Грузовые автомобили и прицепы
КрАЗ
КрАЗ-65055
Коробка отбора мощности
Каталог запасных частей к технике: КрАЗ-65055. Коробка отбора мощности
zoom-in
zoom-out
enlarge
shrink
circle-right
circle-left
file-text2
info
cart
Тип техники
Не выбрано
Легковые автомобили
Грузовые автомобили и прицепы
Автобусы
Сельхозтехника
Спецтехника
Двигатели
Мототехника
Марка
Не выбрано
BAW
DAF
DongFeng
FAW
Foton
HOWO
Hyundai
IVECO
JAC Motors
LGMG
MAN
Shaanxi
SITRAK
Studebaker
Tata
Volvo
Автокомпонент Плюс
БелАЗ
Брянский Арсенал
ГАЗ
ЗИЛ
КАЗ
Камский автозавод
КрАЗ
Мадара
МАЗ
МЗКТ
МоАЗ
Нефтекамский автозавод
Ставропольский Завод АвтоПрицепов
ТАТРА
Тонар
УралАЗ
ЧМЗАП
Модель
Не выбрано
Доп. с двиг. Евро-2 (2008)
КрАЗ-250
КрАЗ-255
КрАЗ-256
КрАЗ-260
КрАЗ-6322 (2005)
КрАЗ-6322 (шасси) (2005)
КрАЗ-63221 (2005)
КрАЗ-64372, 6133М6 (2006)
КрАЗ-6443
КрАЗ-6443 (каталог 2004 г)
КрАЗ-64431-02 (2008)
КрАЗ-6446 (2005)
КрАЗ-65053-02 (2008)
КрАЗ-65055
КрАЗ-65055-02 (2008)
КрАЗ-6510 (1993)
КрАЗ-7133H4 (2006)
КрАЗ-7133С4 (2006)
Схема
>
Не выбрано
Кабина в сборе и крепление кабины
Стеклоочиститель
Стеклоомыватель
Дверь кабины
Сиденье водителя
Амортизатор сиденья водителя
Отопитель кабины и обогрев ветровых стекол
Трубопроводы системы отопления кабины
Отопитель кабины дополнительный и шланги
Зеркало заднего вида, бокового обзора, широкоугольное и козырек противосолнечный
Облицовка радиатора и капот
Крыло переднее и подножки
Замок капота
Платформа автомобиля краз-65055
Платформа автомобилей краз-65053, краз-650531
Опрокидывающий механизм платформы
Цилиндр опрокидывающего механизма
Насос масляный опрокидывающего механизма
Бак масляный опрокидывающего механизма
Гидрораспределитель опрокидывающего механизма
Крепление силового агрегата
Подогреватель 14.8106
Топливные баки, топливопроводы и фильтр грубой очистки топлива автомобилей краз-65055, краз-65053, краз-650531
Топливные баки, топливопроводы и фильтр грубой очистки топлива автомобиля краз-64431
Баки топливные
Привод управления подачей топлива и остановом двигателя противоугонным устройством - до 2000 г
Привод управления подачей топлива и остановом двигателя противоугонным устройством - после 2000 г
Фильтр воздушный
Система выпуска отработавших газов
Радиатор с кожухом и расширительным бачком
Шторка радиатора с масляными радиаторами и привод шторки
Шторка радиатора
Установка привода сцепления - до 2000 г
Цилиндр выключения сцепления - до 2000 г
Привод управления сцеплением - после 2000г
Пневмогидроусилитель сцепления - после 2000 г
Главный цилиндр выключения сцепления
Рычаг переключения передач, кран управления
Карданная передача
Вал карданный заднего и среднего мостов
Вал карданный заднего и среднего мостов
Вал карданный
Опора промежуточная карданных валов
Мосты задний и средний (картер)
Редуктор главной передачи заднего моста (картер с крышками)
Редуктор главной передачи заднего моста (валы и шестерни)
Межколесный дифференциал заднего моста и полуоси заднего (среднего) мостов
Механизм блокировки межколесного дифференциала заднего и среднего мостов
Редуктор главной передачи среднего моста (картер с крышками)
Редуктор главной передачи среднего моста (валы и шестерни)
Воздухопроводы дополнительных потребителей
Рама
Рессора передняя в сборе
Амортизатор передней подвески
Рессоры задние и реактивные штанги
Балансиры задней подвески с осью
Ось передняя и кулаки поворотные - до 2000 г
Передняя ось - после 2000 г
Колесо дисковое с шиной
Ступицы и тормозные барабаны передних колес
Ступицы и тормозные барабаны задних дисковых колес
Ступицы и тормозные барабаны задних дисковых колес
Держатель запасного колеса
Держатель запасного колеса
Управление рулевое
Механизм рулевой с распределителем
Цилиндр силовой
Насос масляный рулевого усилителя
Бачок масляный
Тяга рулевая поперечная - до 2000 г
Тяга рулевая продольная - до 2000 г
Рулевые тяги - после 2000 г
Распределитель
Рулевая колонка с колесом
Механизм тормозной переднего колеса - до 2000 г
Ступицы и тормозные барабаны передних колес - после 2000 г
Механизм тормозной переднего колеса - после 2000 г
Механизмы тормозные задние
Педаль тормозная и привод управления двухсекционным тормозным краном
Воздухопроводы и аппараты тормозной системы автомобиля краз-65055
Воздухопроводы и аппараты тормозной системы автомобилей краз-65053, краз-650531, краз-64431
Установка и привод компрессора
Головка и блок цилиндров компрессора
Картер и вал коленчатый компрессора
Водоотделитель - до 2000 г
Регулятор давления с предохранительным клапаном - до 2000 г.
Влагомаслоотделитель с регулятором давления - после 2000 г
Ресиверы
Кран тормозной двухсекционный с рычагом
Противозамерзатель
Клапан контрольного вывода и клапан обрыва
Клапан защитный четырехконтурный
Клапан ускорительный
Камера тормозная передняя
Камера тормозная передняя
Камера тормозная задняя
Кран разобщительный и головки соединительные
Клапан управления тормозной системой прицепа с двухпроводным приводом
Регулятор тормозных сил
Кран тормозной обратного действия с ручным управлением
Клапан двухмагистральный
Аккумуляторные батареи и выключатель массы
Аккумуляторные батареи и выключатель массы
Приборы световые передние
Приборы световые задние
Сигнал звуковой
Фара-прожектор
Схема электрооборудования
Панель приборов
Устройство седельно-сцепное
Приборы буксирные задние
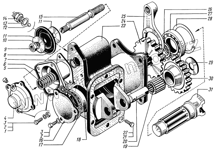
Коробка отбора мощности
Коробка отбора мощности
1
2
2
3
3
4
5
6
7
8
9
10
11
11
12
13
14
15
16
17
18
19
20
21
22
23
24
25
26
27
28
29
30
31
Позиция на иллюстрации
Заводской номер детали
Название детали
6505-4202010
6505-4202010
Коробка отбора мощности в сборе
1
250510-П29
Гайка М8
2
252135-П2
Шайба 8 пружинная
3
201460-П29
Болт М8х1,25х30
4
250Б-2509175
Крышка пневмокамеры
5
255Л-2732034
Пружина наружная
6
250-1804173
Корпус пневмокамеры
7
256Б-3405187
Кольцо 018-022-25-2-2
8
250-1811162
Диафрагма
9
250615-П29
Гайка М12х1,25
10
252137-П2
Шайба 12 пружинная
11
250-8606131
Шайба
12
201-1115043
Шарик-фиксатор
13
210-3502131-Б
Шайба регулировочная
14
ВК418А-3716000
Выключатель сигнализации
15
6505-4202206
Шток
16
6505-4202084
Крышка
17
6505-4202086
Прокладка
18
206К
Подшипник
19
864904
Подшипник
20
6505-4202030
Ось
21
6505-4202032
Замок
22
201456-П29
Болт М8х1,25х20
23
6505-4202015
Картер
24
6505-4202064
Шестерня
25
6505-4202126
Вилка
26
6505-4202219
Кольцо 2В35
27
207
Подшипник
28
6505-4202220
Кольцо В72
29
6505-4202092
Прокладка
30
6505-4202020
Шестерня
31
6505-4202070
Вал
Содержащиеся в справочниках-каталогах запасные части и детали не предлагаются к продаже, а носят исключительно информационный характер
Дополнительная информация
×
Название:
Номер:
Примечание: