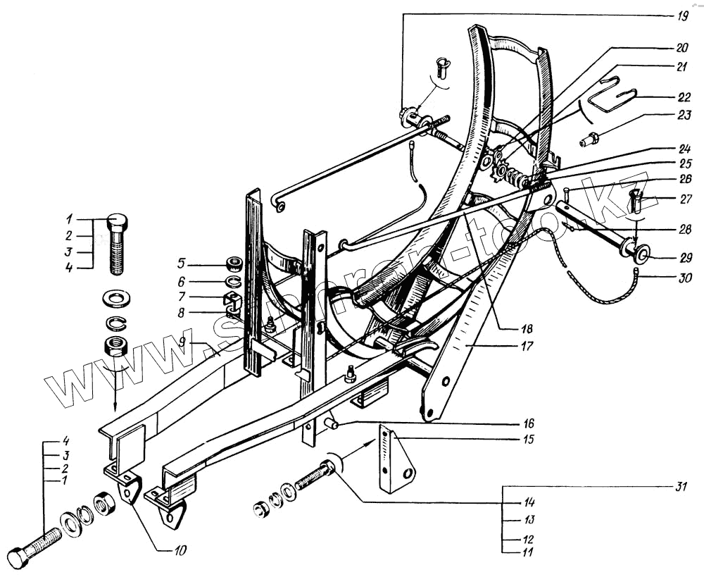
Каталог запасных частей к технике: КрАЗ-65055. Держатель запасного колеса
1
1
2
2
3
3
4
4
5
6
7
8
9
10
11
12
13
14
15
16
17
18
19
20
21
22
23
24
25
26
27
28
29
30
31
| Позиция на иллюстрации | Заводской номер детали | Название детали | |
|---|---|---|---|
| 1 | 201587-П29 | Болт М14х2х35 | |
| 2 | 252016-П29 | Шайба 14 | |
| 3 | 252138-П2 | Шайба 14 пружинная | |
| 4 | 250558-П29 | Гайка М14х2 | |
| 5 | 250515-П29 | Гайка 2М12х1,25.5.019 | |
| 6 | 252137-П2 | Шайба 12 пружинная | |
| 7 | 260Г-3105073 | Скоба | |
| 8 | 260Г-3105072 | Ролик | |
| 9 | 65053-3105010 | Держатель запасного колеса | |
| 10 | 65053-3105182 | Кронштейн | |
| 11 | 250561-П29 | Гайка М16х1,5 | |
| 12 | 252139-П2 | Шайба 16 пружинная | |
| 13 | 252017-П29 | Шайба 16 | |
| 14 | 202148-П29 | Болт М16х1,5х55 | |
| 15 | 65053-3105051 | Кронштейн с втулками левый | |
| 16 | 65053-3105050 | Кронштейн с втулками правый | |
| 17 | 6444-3105066 | Кронштейн откидной с дугами | |
| 18 | 65101-3105019 | Стяжка с шайбами | |
| 19 | 260Г-3105109 | Вороток подъема запасного колеса | |
| 20 | 257-3105085 | Защелка храповика | |
| 21 | 257-3105122 | Храповик тормоза воротка | |
| 22 | 219Б-3105087Б | Пружина защелки | |
| 23 | 250-3105263-20 | Гайка стяжки | |
| 24 | 210-3105125 | Пружина тарельчатая | |
| 25 | 250661-П29 | Гайка М24х2 | |
| 26 | 260066-П29 | Палец 10х50 | |
| 27 | 210Т-3105116 | Втулка троса зажимная | |
| 28 | 258040-П29 | Шплинт разводной 3,2х25 | |
| 29 | 6505-3105111 | Ось механизма со щеками | |
| 30 | 6505-3105115 | Трос со втулками | |
| 31 | 202141-П29 | Болт М16х1,5х35 |
Содержащиеся в справочниках-каталогах запасные части и детали не предлагаются к продаже, а носят исключительно информационный характер