Каталог запасных частей к технике: КрАЗ-65055. Балансиры задней подвески с осью
1
1
2
2
2
3
3
3
4
4
5
6
7
8
9
10
11
12
13
13
14
14
15
16
17
18
19
20
21
22
22
23
24
25
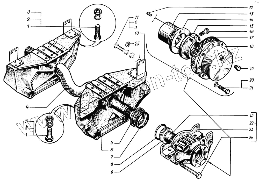
| Позиция на иллюстрации | Заводской номер детали | Название детали | |
|---|---|---|---|
| 6505-2918005 | 6505-2918005 | Балансиры задней подвески с осью в сборе | |
| 6505-2918005-01 | 6505-2918005-01 | Балансиры в сборе | |
| 1 | 348532-П29 | Болт М16х1,5х65 | |
| 2 | 252139-П2 | Шайба 16 пружинная | |
| 3 | 250691-П29 | Гайка М16х1,5 | |
| 4 | 250Б-2918054-20 | Ось | |
| 4 | 250Б-2918054-10 | Ось задней балансирной подвески | |
| 5 | 250Б-2918042 | Кожух защитный | |
| 6 | 6505-2918154 | Кронштейн оси балансира | |
| 7 | 250Б-2918046 | Кольцо защитное балансира | |
| 8 | 219-2918038 | Кольцо уплотнительное | |
| 9 | 250Б-2918092-10 | Кольцо упорное балансира | |
| 10 | 6505-2918176-10 | Кронштейн | |
| 11 | 202147-П29 | Болт М16х1,5х50 | |
| 12 | 250Б-2918060 | Фиксатор | |
| 13 | 250Б-2918074 | Втулка | |
| 14 | 250Б-2918048-20 | Шайба упорная | |
| 14 | 6510-2918079 | Шайба опорная | |
| 15 | 250Б-2918142-10 | Гайка крепления балансира | |
| 16 | 291055-П29 | Болт М14х1,5х34 | |
| 17 | 255Б-3104045-01 | Прокладка уплотнительная крышки | |
| 18 | 250Б-2918145 | Крышка балансира | |
| 19 | 262542-П29 | Пробка КГ 1/4" | |
| 20 | 252135-П2 | Шайба 8 пружинная | |
| 21 | 201454-П29 | Болт М8х1,25х16 | |
| 22 | 250Б-2918010-40 | Балансир в сборе | |
| 22 | 250Б-2918010-10 | Балансир в сборе | |
| 23 | 250Б-2918020-30 | Балансир | |
| 24 | 200987-П29 | Болт М20х1,5х120 | |
| 25 | 252017-П29 | Шайба 16 |
Содержащиеся в справочниках-каталогах запасные части и детали не предлагаются к продаже, а носят исключительно информационный характер