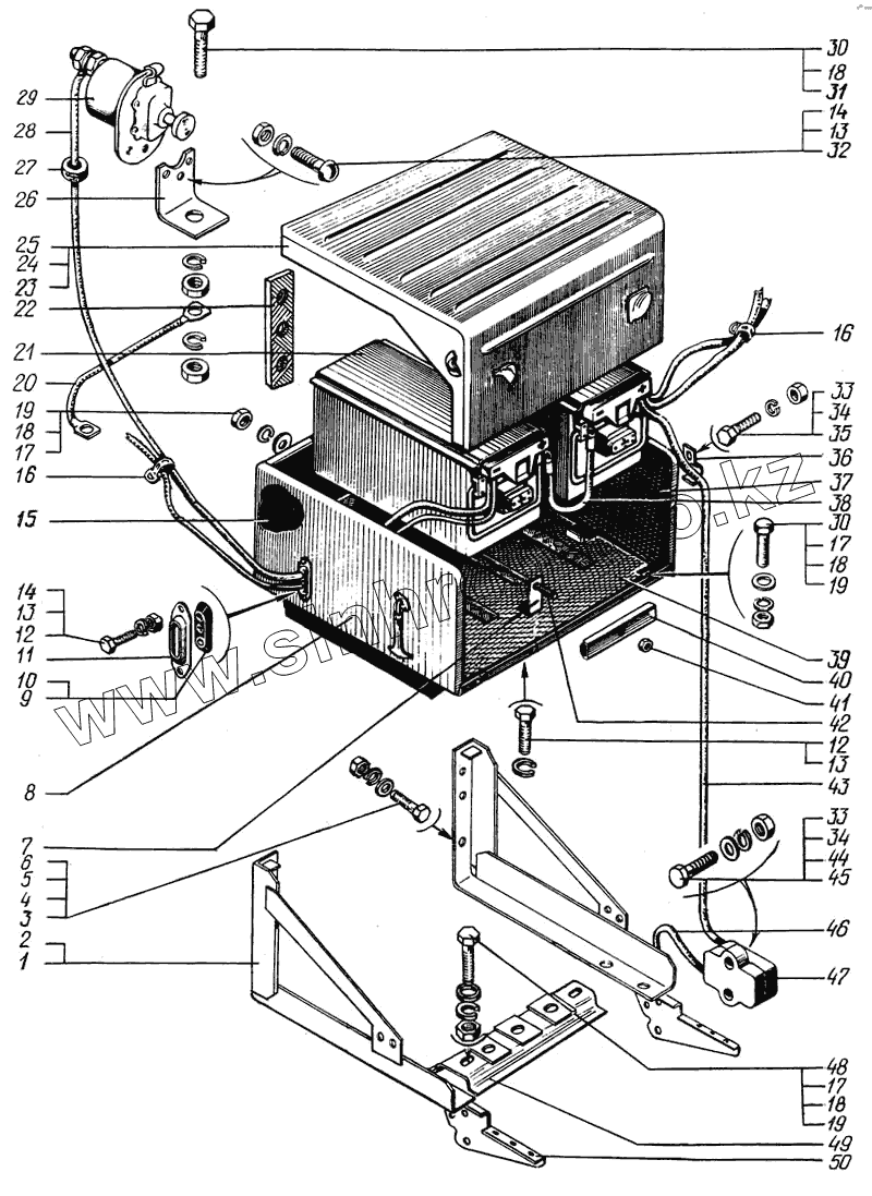
Каталог запасных частей к технике: КрАЗ-65055. Аккумуляторные батареи и выключатель массы
1
2
3
4
5
6
7
8
9
10
11
12
12
13
13
13
14
14
15
16
16
17
17
17
18
18
18
18
19
19
19
20
21
22
23
24
25
26
27
28
29
30
30
31
32
33
33
34
34
35
36
37
38
39
40
41
42
43
44
45
46
47
48
49
50
| Позиция на иллюстрации | Заводской номер детали | Название детали | |
|---|---|---|---|
| 250-5312052 | 250-5312052 | Скрепка | |
| 1 | 65055-3703081 | Кронштейн левый | |
| 2 | 65055-3703080 | Кронштейн правый | |
| 3 | 202147-П29 | Болт М16х1,5х50 | |
| 4 | 252017-П29 | Шайба 16 | |
| 5 | 252139-П2 | Шайба 16 пружинная | |
| 6 | 250561-П29 | Гайка М16х1,5 | |
| 7 | 260-3703024 | Кронштейн | |
| 8 | 643711-3703102-01 | Контейнер аккумуляторных батарей | |
| 9 | 258-3724024 | Уплотнитель | |
| 10 | 255-3724024-А | Уплотнитель | |
| 11 | 255-3408065 | Обойма уплотнителя | |
| 12 | 201420-П29 | Болт М6х1х20 | |
| 13 | 252134-П2 | Шайба 6 пружинная | |
| 14 | 250508-П29 | Гайка М6-6Н | |
| 15 | 6510-370.3144-10 | Прокладка утеплительная задней стенки | |
| 16 | 64431-3724257 | Хомут | |
| 17 | 252006-П29 | Шайба 10 | |
| 18 | 252136-П2 | Шайба 10 пружинная | |
| 19 | 250512-П29 | Гайка М10х1,5 | |
| 20 | 260-3724064-10 | Провод МАССЫ кабина-рама | |
| 21 | 6СТ-190ТР | Батарея аккумуляторная | |
| 22 | 6510-3703154 | Прокладка | |
| 23 | 260-3703206-10 | Прокладка утеплительная крышки передняя | |
| 24 | 260-3703202-10 | Прокладка утеплительная крышки верхняя | |
| 25 | 260-3703170-01 | Крышка контейнера | |
| 26 | 6510-3704012 | Кронштейн выключателя "массы" | |
| 27 | 200-3802038 | Втулка | |
| 28 | 260-3724062-10 | Провод от аккумуляторных батарей к выключателю "массы" | |
| 29 | ВК318Б-3704000У-ХЛ | Выключатель МАССЫ | |
| 30 | 201499-П29 | Болт М10х1,5х30 | |
| 31 | 250612-П29 | Гайка М10х1,5 | |
| 32 | 220105-П29 | Винт М6х1х16 | |
| 33 | 250510-П29 | Гайка М8 | |
| 34 | 252135-П2 | Шайба 8 пружинная | |
| 35 | 201458-П29 | Болт М8х1,25х25 | |
| 36 | 250-3506163 | Скоба | |
| 37 | 643701-3703145 | Подкладка утеплительная боковин контейнера | |
| 38 | 260-3724059-10 | Перемычка аккумуляторных батарей | |
| 39 | 6437-3703141 | Подкладка под аккумуляторные батареи | |
| 40 | 260-3703162 | Планка прижимная | |
| 41 | 255Б-3703113-Б | Гайка | |
| 42 | 260-3703112 | Тяга | |
| 43 | 6510-3724252 | Провод к розетке внешнего пуска | |
| 44 | 252005-П29 | Шайба 8 | |
| 45 | 201468-П29 | Болт М8х1,25х50 | |
| 46 | 260-3724253-10 | Провод "массы" розетки внешнего пуска | |
| 47 | ПС315-3723100 | Розетка внешнего пуска | |
| 48 | 201509-П29 | Болт М10х60 | |
| 49 | 65055-3703040 | Планка опорная | |
| 50 | 65055-8405218 | Кронштейн подножки |
Содержащиеся в справочниках-каталогах запасные части и детали не предлагаются к продаже, а носят исключительно информационный характер