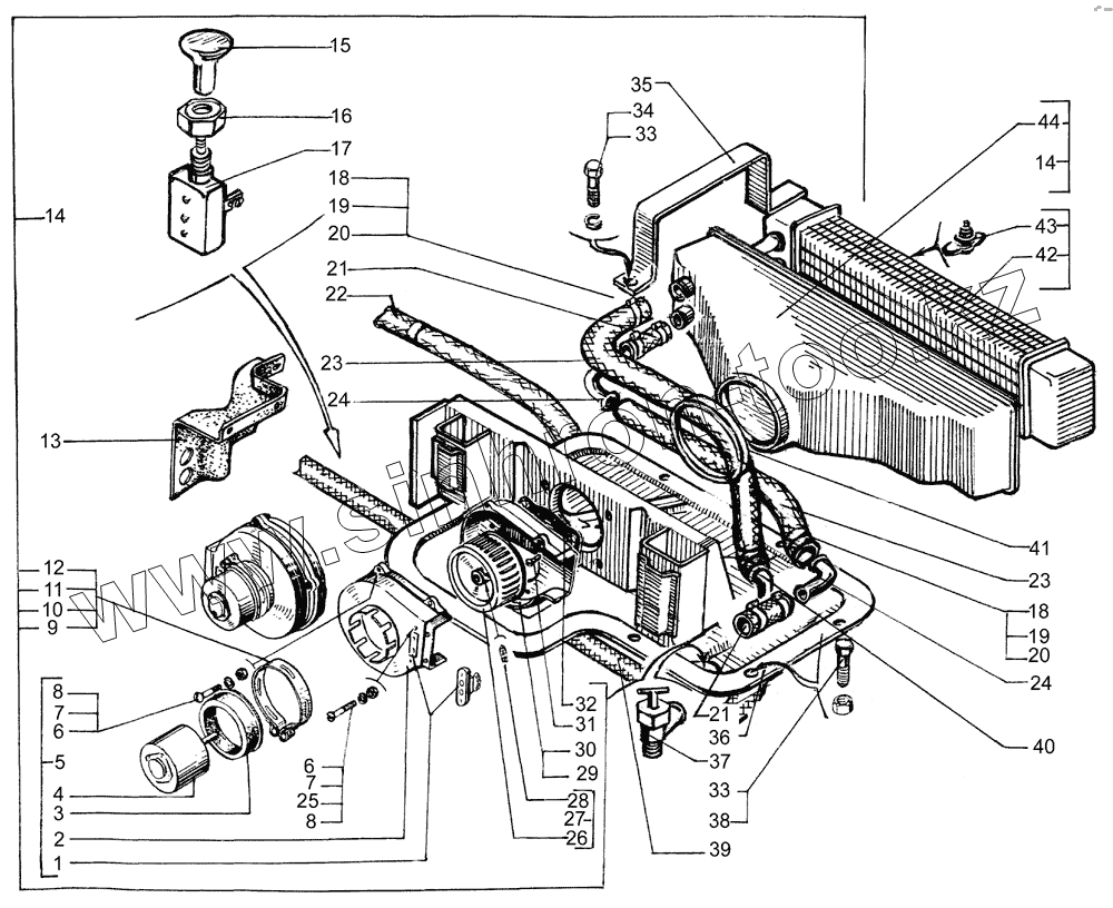
Каталог запасных частей к технике: КрАЗ-65055-02. Отопитель кабины дополнительный и шланги
1
2
3
4
5
6
6
7
7
8
8
9
10
11
12
13
14
14
15
16
17
18
18
19
19
20
20
21
21
22
23
23
24
24
25
26
27
28
29
30
31
32
33
33
34
35
36
37
38
39
40
41
42
43
44
| Позиция на иллюстрации | Заводской номер детали | Название детали | |
|---|---|---|---|
| 1 | СЭ300-8102100 | Сопротивление дополнительное | |
| 2 | 250-8102022-40 | Крышка кожуха вентилятора | |
| 3 | 6505-8102232-10 | Прокладка электродвигателя вентилятора | |
| 4 | МЭ250-3730000У-ХЛ | Электродвигатель | |
| 5 | 6505-8102020 | Вентилятор с крышкой кожуха в сборе | |
| 6 | 220109 | Винт М6х25 | |
| 7 | 252134 | Шайба 6Т | |
| 8 | 250508 | Гайка М6-6Н | |
| 9 | 349005 | Винт М5х48 | |
| 10 | 250-8102021 | Хомут | |
| 11 | 214Б-1303033-Б | Сухарь хомута упорный | |
| 12 | 214Б-1303032-Б | Сухарь хомута | |
| 13 | 6437-8110194 | Воздуховод дополнительного отопителя | |
| 14 | 6437-8110010-01 | Дополнительный отопитель | |
| 15 | 255Б1-3709014 | Ручка переключателя | |
| 16 | 4595531087 | Гайка М12-6Н | |
| 17 | 305-3709000 | Переключатель обогрева стекол | |
| 18 | 212А-8101092 | Пряжка хомута | |
| 19 | 212А-8101090 | Лента стяжная хомута | |
| 20 | 258080 | Шплинт 5,6х25 | |
| 21 | 256БС-1013401 | Шланг соединительный | |
| 22 | 260-1013412-10 | Шланг масляного радиатора отводящий | |
| 23 | 260С-8101086 | Шланг | |
| 24 | 6437-8110200 | Угольник | |
| 25 | 252004 | Шайба 6,4 | |
| 26 | 250-8102036 | Втулка ротора | |
| 27 | 250-8102030 | Ротор вентилятора со втулкой в сборе | |
| 28 | 242471 | Винт М5х12 | |
| 29 | 250-8102024-40 | Кожух вентилятора обогрева ветрового стекла | |
| 30 | 250-8102024-30 | Кожух вентилятора обогрева ветрового стекла, часть задняя | |
| 31 | 220105 | Винт М6х16 | |
| 32 | 250-8102029-10 | Прокладка кожуха вентилятора | |
| 33 | 201454 | Болт М8х16 | |
| 34 | 252135 | Шайба 8,65Г.029 | |
| 35 | 6437-8110146 | Скоба крепления кожуха | |
| 36 | 6437-5107128 | Крышка заднего люка пола в сборе | |
| 37 | ВС-11-0 | Кран | |
| 38 | 250510 | Гайка М8х1,25 | |
| 39 | 6437-8110040 | Шланг | |
| 40 | 6437-8110154 | Патрубок отводящий | |
| 41 | 250С-8110144 | Уплотнитель кожуха радиатора | |
| 42 | 6510-8101059 | Теплообменник с пробкой запорной | |
| 43 | 250-8101166 | Пробка запорная воздушного клапана | |
| 44 | 6437-8110138 | Кожух отопителя с радиатором в сборе |
Содержащиеся в справочниках-каталогах запасные части и детали не предлагаются к продаже, а носят исключительно информационный характер