Вернуться на главную
Поиск
Каталоги запчастей к технике
Грузовые автомобили и прицепы
КрАЗ
КрАЗ-65053-02
Вал карданный заднего и среднего мостов
Каталог запасных частей к технике: КрАЗ-65053-02. Вал карданный заднего и среднего мостов
zoom-in
zoom-out
enlarge
shrink
circle-right
circle-left
file-text2
info
cart
Тип техники
Не выбрано
Легковые автомобили
Грузовые автомобили и прицепы
Автобусы
Сельхозтехника
Спецтехника
Двигатели
Мототехника
Марка
Не выбрано
BAW
DAF
DongFeng
FAW
Foton
HOWO
Hyundai
IVECO
JAC Motors
LGMG
MAN
Shaanxi
SITRAK
Studebaker
Tata
Volvo
Автокомпонент Плюс
БелАЗ
Брянский Арсенал
ГАЗ
ЗИЛ
КАЗ
Камский автозавод
КрАЗ
Мадара
МАЗ
МЗКТ
МоАЗ
Нефтекамский автозавод
Ставропольский Завод АвтоПрицепов
ТАТРА
Тонар
УралАЗ
ЧМЗАП
Модель
Не выбрано
Доп. с двиг. Евро-2 (2008)
КрАЗ-250
КрАЗ-255
КрАЗ-256
КрАЗ-260
КрАЗ-6322 (2005)
КрАЗ-6322 (шасси) (2005)
КрАЗ-63221 (2005)
КрАЗ-64372, 6133М6 (2006)
КрАЗ-6443
КрАЗ-6443 (каталог 2004 г)
КрАЗ-64431-02 (2008)
КрАЗ-6446 (2005)
КрАЗ-65053-02 (2008)
КрАЗ-65055
КрАЗ-65055-02 (2008)
КрАЗ-6510 (1993)
КрАЗ-7133H4 (2006)
КрАЗ-7133С4 (2006)
Схема
>
Не выбрано
Кабина в сборе и крепление кабины
Стеклоочиститель
Стеклоомыватель
Дверь кабины
Сиденье водителя
Амортизатор сиденья водителя
Отопитель кабины и обогрев ветровых стекол
Трубопроводы системы отопителя кабины
Отопитель кабины дополнительный и шланги
Зеркала заднего вида, бокового обзора широкоугольные фирмы «РАТОН»
Облицовка радиатора и капот
Крыло переднее и подножки
Замок капота
Платформа автомобиля КрАЗ-65055
Платформа автомобиля КрАЗ-65053
Запорный механизм заднего борта
Опрокидывающий механизм платформы
Цилиндр опрокидывающего механизма
Бак масляный опрокидывающего механизма
Насос масляный опрокидывающего механизма
Гидрораспределитель опрокидывающего механизма
Крепление силового агрегата
Подогреватель DBW-300.69.24В
Топливные баки, топливопроводы и фильтр грубой очистки топлива автомобилей КрАЗ-65055-02, КрАЗ-65053-02
Топливные баки, топливопроводы и фильтр грубой очистки топлива автомобиля КрАЗ-64431-02
Баки топливные
Фильтр воздушный
Система выпуска отработавших газов
Система выпуска отработавших газов
Радиатор с кожухом и расширительным бачком
Охладитель наддувочного воздуха
Привод управления сцеплением
Пневмогидроусилитель сцепления
Главный цилиндр выключения сцепления
Рычаг переключения передач, кран управления
Опора промежуточная
Опора промежуточная карданных валов
Опора промежуточная
Установка опоры промежуточной
Управление промежуточной опоры с двухступенчатым редуктором
Карданная передача
Вал карданный с опорой
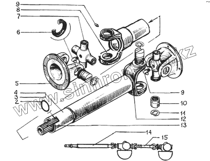
Вал карданный заднего и среднего мостов
Мосты задний и средний (картер)
Редуктор главной передачи заднего моста (валы и шестерни)
Межколесный дифференциал заднего моста и полуоси заднего (среднего) мостов
Редуктор главной передачи среднего моста (картер с крышками)
Редуктор главной передачи среднего моста (валы и шестерни)
Редуктор главной передачи заднего моста (картер с крышками)
Механизм блокировки межколесного дифференциала заднего и среднего мостов
Воздухопровод блокировки дифференциалов мостов, отключение мостов и включение отбора мощности
Рама
Рессора передняя в сборе
Амортизатор передней подвески
Рессоры задние и реактивные штанги
Балансиры задней подвески с осью
Передняя ось
Колесо дисковое с шиной
Держатель запасного колеса
Держатель запасного колеса
Ступицы и тормозные барабаны передних колес
Ступицы и тормозные барабаны задних дисков колес
Управление рулевое
Механизм рулевой с распределителем
Рулевая колонка с колесом
Цилиндр силовой
Насос масляный рулевого усилителя
Бачок масляный
Тяга рулевая поперечная
Тяга рулевая продольная
Распределитель
Механизм тормозной переднего колеса
Механизмы тормозные задние
Педаль тормозная и привод управления двухсекционным тормозным краном
Воздухопроводы и аппараты тормозной системы автомобиля КрАЗ-65055
Воздухопроводы и аппараты тормозной системы автомобиля КрАЗ-65053,КрАЗ-64431
Установка компрессора
Влагомаслоотделитель с регулятором давления до 2008 года
Установка аппарата подготовки воздуха с 2008 года
Ресиверы
Кран тормозной двухсекционный с рычагом
Клапан контрольного вывода и клапан обрыва
Клапан защитный четырехконтурный
Капан ускорительный
Камера тормозная передняя
Камера тормозная передняя
Камера тормозная задняя
Кран разобщительный и головки соединительные
Установка спиральных трубопроводов прицепа
Клапан управления тормозной системой прицепа с двухпроводным приводом
Регулятор тормозных сил
Кран тормозной обратного действия с ручным управлением
Клапан двухмагистральный
Схема электрооборудования
Схема электрооборудования
Установка аккумуляторных батарей
Приборы световые передние
Приборы световые задние
Сигнал звуковой
Панель приборов
Устройство седельно-сцепное
2
3
4
5
6
7
8
9
9
10
11
12
13
14
15
15
Позиция на иллюстрации
Заводской номер детали
Название детали
0004.070
0004.070
Пластина балансировочная карданного вала
2
0004.096
Кольцо
3
0004.092
Кожух защитный
4
0004.018
Труба 105вн.x6,0-20
5
0004.049
Фланец
6
0004.036
Уплотнение торцевое
7
0004.030
Крестовина карданного вала
8
0004.047
Вилка кардана скользящая
9
264040
Масленка 1/8"
10
804709А2С10
Подшипник 804709А2С10
11
0004.040
Кольцо стопорное
12
0004.022
Вилка приварная
13
0004.020
Конец шлицевой
14
65055-2202010-22
Вал карданный
15
260-2201010-12
Вал карданный заднего моста
15
260-2201010-21
Вал карданный заднего моста
Содержащиеся в справочниках-каталогах запасные части и детали не предлагаются к продаже, а носят исключительно информационный характер
Дополнительная информация
×
Название:
Номер:
Примечание: