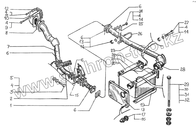
Каталог запасных частей к технике: КрАЗ-65053-02. Система выпуска отработавших газов
1
2
3
4
4
4
4
4
5
6
6
6
6
6
7
8
9
10
11
12
13
14
14
14
15
16
17
18
19
20
21
22
23
24
25
26
27
28
29
30
31
32
| Позиция на иллюстрации | Заводской номер детали | Название детали | |
|---|---|---|---|
| 1 | 6437-1203096-02 | Компенсатор | |
| 2 | 6443-1203011-000 | Труба промежуточная | |
| 3 | 348561 | Болт М10х1х38 | |
| 4 | 252136 | Шайба 10,2 | |
| 5 | 250513 | Гайка М10х1 | |
| 6 | 250Б-1203038 | Прокладка | |
| 7 | 5133В2-1203010-000 | Труба приемная передняя | |
| 8 | 6505-1203002 | Прокладка | |
| 9 | 348575 | Болт М10х120 | |
| 10 | 6437-1203035 | Патрубок передний | |
| 11 | 210411 | Болт М10х55 | |
| 12 | 65032-1203020 | Прокладка | |
| 13 | 252006 | Шайба 10,5 | |
| 14 | 4595531084 | Гайка М10-6Н | |
| 15 | 5133В2-3570010-000 | Тормоз вспомогательный | |
| 16 | 349901 | Гайка | |
| 17 | 252135 | Шайба 8,65Г.029 | |
| 18 | 65053-1201050 | Щиток глушителя | |
| 19 | 64431-1203074 | Уголок крепления глушителя | |
| 20 | 64431-1203040-10 | Кронштейн глушителя | |
| 21 | 64431-1201010 | Глушитель | |
| 22 | 64431-1203055 | Кронштейн глушителя | |
| 23 | 6443-1203012-10 | Труба приемная задняя | |
| 24 | 201499 | Болт М10х30 | |
| 25 | 64437-1203033 | Стремянка | |
| 26 | 6437-1203043 | Хомут стремянки | |
| 27 | 201501 | Болт М10х35 | |
| 28 | 65053-1203200 | Хомут | |
| 29 | 65053-1203240 | Стяжка крепления глушителя | |
| 30 | 252007 | Шайба 12 | |
| 31 | 64431-1203076 | Планка установочная | |
| 32 | 4595531088 | Гайка М12х1,25 |
Содержащиеся в справочниках-каталогах запасные части и детали не предлагаются к продаже, а носят исключительно информационный характер