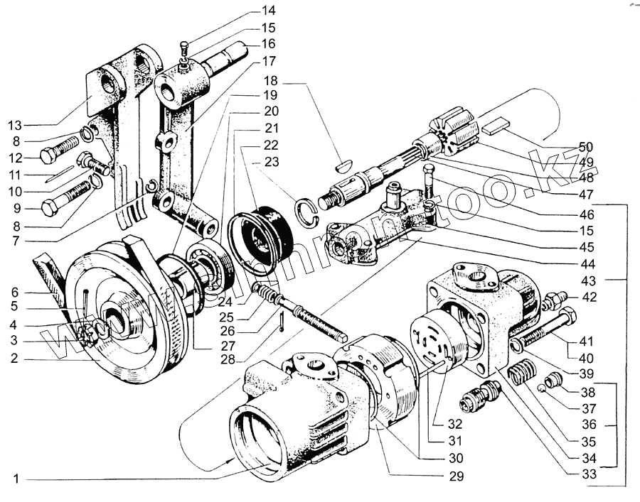
Каталог запасных частей к технике: КрАЗ-65053-02. Насос масляный рулевого усилителя
65055-3407190-10
256Б-3407199-01
1
2
3
4
5
6
7
8
8
9
10
11
12
13
14
15
15
16
17
18
19
20
21
22
23
24
25
26
27
28
29
30
31
32
33
34
35
36
37
38
39
40
41
42
43
44
45
46
47
48
49
50
| Позиция на иллюстрации | Заводской номер детали | Название детали | |
|---|---|---|---|
| 65055-3407190-10 | 65055-3407190-10 | Насос масляный | |
| 256Б-3407199-01 | 256Б-3407199-01 | Насос масляный в сборе | |
| 1 | 130-3407211 | Корпус насоса | |
| 2 | 256Б-3407240-Б | Шкив насоса | |
| 3 | 4595539514 | Гайка М16х1,5 | |
| 4 | 1/35507/01 | Шайба 16 | |
| 5 | 258055 | Шплинт 4х36 | |
| 6 | 503-3407209 | Ремень привода насоса | |
| 7 | 252137 | Шайба 12 ОТ | |
| 8 | 252136 | Шайба 10,2 | |
| 9 | 201499 | Болт М10х30 | |
| 10 | 206576 | Болт М12х1,15х30 | |
| 11 | 258284 | Шплинт 1,6х25 | |
| 12 | 200327 | Болт М10-6gх90 | |
| 13 | 256Б-3407203-11 | Кронштейн | |
| 14 | 201416 | Болт М6-6gх12 | |
| 15 | 252134 | Шайба 6Т | |
| 16 | 256Б-3407214 | Ось кронштейна | |
| 17 | 256Б-3407205 | Кронштейн подвижный | |
| 18 | 418251 | Шпонка | |
| 19 | 307702 | Кольцо упорное | |
| 20 | 1180304КС23 | Подшипник шариковый | |
| 21 | 130-3407059-А | Проставка насоса | |
| 22 | 309777 | Манжета 24х46 | |
| 23 | 305811 | Шайба | |
| 24 | 252006 | Шайба 10,5 | |
| 25 | 200-3520022 | Пружина регулировочного винта | |
| 26 | 256Б-3407216-01 | Винт | |
| 27 | 130-3407247 | Втулка шкива | |
| 28 | 258039 | Шплинт 3,2х20 | |
| 29 | 5320-3407253 | Статор насоса | |
| 30 | 130-3407252 | Кольцо уплотнительное | |
| 31 | 853757 | Штифт установочный | |
| 32 | 130-3407255 | Диск распределительный | |
| 33 | 130-3407270-A | Клапан перепускной в сборе | |
| 34 | 130-3407213 | Крышка насоса | |
| 35 | 130-3407281 | Пружина перепускного клапана | |
| 36 | 256Б-3407212 | Крышка в сборе | |
| 37 | 306231 | Шарик-клапан | |
| 38 | 300102 | Седло | |
| 39 | 4598166067 | Шайба 10 | |
| 40 | 4593271067 | Болт М10-6gх70 | |
| 41 | 301512 | Болт | |
| 42 | 260-1104596-10 | Переходник | |
| 43 | 65055-3407200 | Насос в сборе | |
| 44 | 130-3407437 | Прокладка уплотнительная коллектора | |
| 45 | 256Б-3407432-30 | Коллектор насоса | |
| 46 | 201426 | Болт М6х35 | |
| 47 | 130-3407217 | Валик насоса | |
| 48 | 154901E | Подшипник игольчатый | |
| 49 | 5320-3407248 | Ротор насоса | |
| 50 | 5320-3407251 | Лопасть ротора |
Содержащиеся в справочниках-каталогах запасные части и детали не предлагаются к продаже, а носят исключительно информационный характер