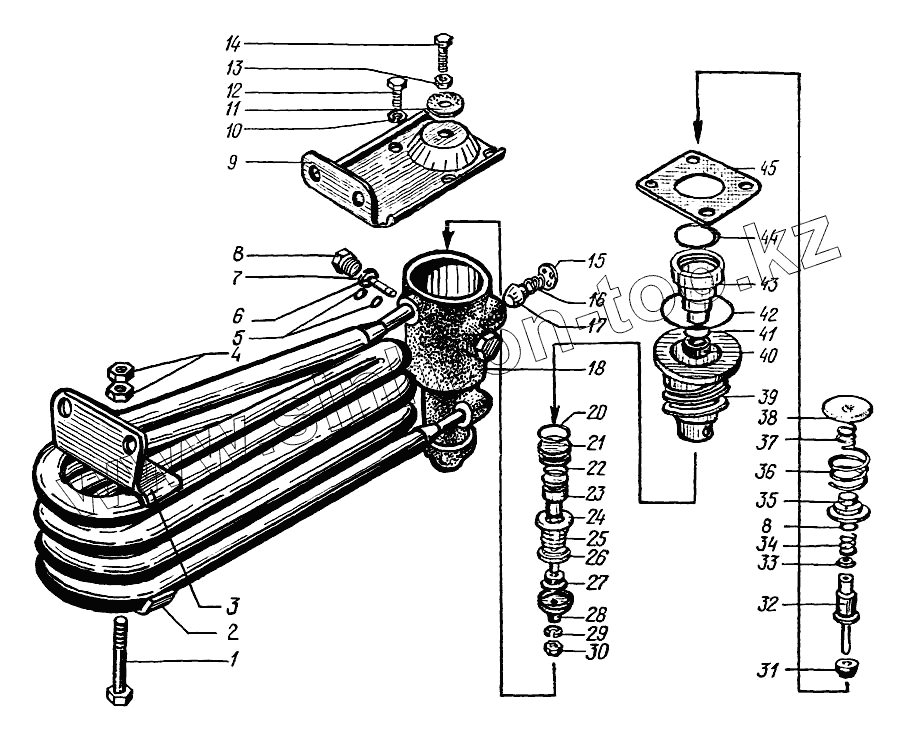
Каталог запасных частей к технике: КрАЗ-6446. Влагомаслоотделитель с регулятором давления
1
2
3
4
5
5
6
7
8
8
9
10
11
12
13
14
15
16
17
18
20
21
22
23
24
25
26
27
28
29
30
31
32
33
34
35
36
37
38
39
40
41
42
43
44
45
| Позиция на иллюстрации | Заводской номер детали | Название детали | |
|---|---|---|---|
| 14.3512030 | 14.3512030 | Клапан предохранительный в сборе | |
| 14.3512010 | 14.3512010 | Влагомаслоотделитель с регулятором давления | |
| 14.3512009 | 14.3512009 | Ремкомплект | |
| 11.3511065 | 11.3511065 | Кольцо 16х2 | |
| 14.3512058-20 | 14.3512058-20 | Патрубок в сборе | |
| 1 | 201460 | Болт М8х30 | |
| 2 | 11.3511059 | Планка | |
| 3 | 11.3511057-20 | Кронштейн | |
| 4 | 250510 | Гайка М8х1,25 | |
| 5 | 11.3511066 | Кольцо 015-018-19-2-2 | |
| 5 | 11.3511078 | Кольцо уплотнительное золотника 5,0х1,75 | |
| 6 | 14.3512104 | Трубка | |
| 7 | 14.3512078 | Пробка | |
| 8 | 008-012-25-2-2 | Кольцо | |
| 9 | 14.3512061 | Крышка | |
| 10 | 252135 | Шайба 8,65Г.029 | |
| 11 | 14.3512128 | Пыльник | |
| 12 | 201456 | Болт М8х1,25х20 | |
| 13 | 14.3512106 | Гайка | |
| 14 | 11.3512028-01 | Болт регулировочный | |
| 15 | 14.3512074 | Опора | |
| 16 | 12.3512056 | Пружина | |
| 17 | 12.3512054 | Клапан | |
| 18 | 14.3512051-20 | Корпус наружный | |
| 20 | 100-3522069 | О-образное кольцо 15,3х2,4 | |
| 21 | 14.3512082 | Поршень | |
| 22 | 011-014-19-22 | Кольцо | |
| 23 | 14.3512040 | Шток | |
| 24 | 11.3515176 | Шайба | |
| 25 | 14.3512048 | Пружина | |
| 26 | 14.3512046 | Окно | |
| 27 | 14.3512042 | Клапан | |
| 28 | 14.3512044 | Корпус клапана | |
| 29 | 252134 | Шайба 6Т | |
| 30 | 250508 | Гайка М6-6Н | |
| 31 | 14.3512076 | Конус | |
| 32 | 14.3512072 | Клапан | |
| 33 | 14.3512108 | Упор | |
| 34 | 14.3512068 | Пружина | |
| 35 | 14.3512070 | Гильза | |
| 36 | 14.3512014-10 | Пружина | |
| 37 | 14.3512015 | Пружина | |
| 38 | 14.3512026-10 | Тарелка пружины | |
| 39 | 14.3512053-10 | Корпус внутренний | |
| 40 | 14.3512102 | Уплотнитель | |
| 41 | 100-3522026 | Кольцо 6,07х1,78 | |
| 42 | 100-3521128 | О-образное кольцо 25,3х2,4 | |
| 43 | 14.3512066 | Поршень | |
| 44 | 100-3514035 | Кольцо 54,2х3 | |
| 45 | 14.3512112 | Прокладка |
Содержащиеся в справочниках-каталогах запасные части и детали не предлагаются к продаже, а носят исключительно информационный характер