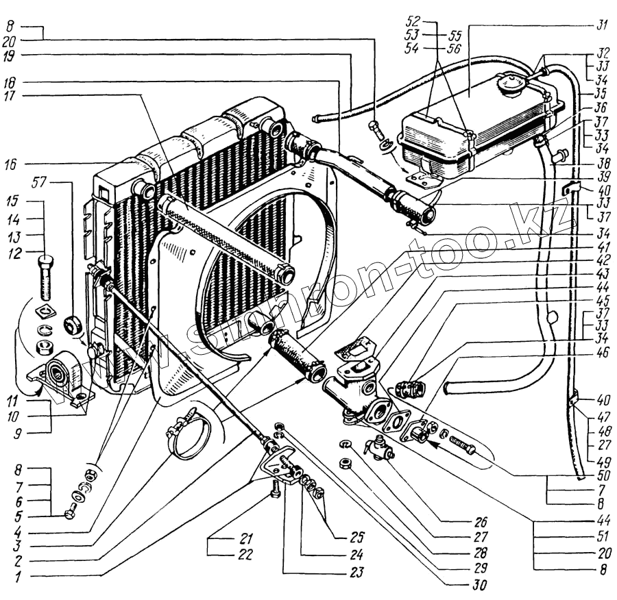
Каталог запасных частей к технике: КрАЗ-6446. Радиатор с кожухом и расширительным бачком
1
2
3
4
5
6
7
7
8
8
8
8
9
10
11
12
13
14
15
16
17
18
19
20
20
21
22
23
24
25
26
27
27
28
29
30
31
32
33
33
33
33
34
34
34
34
35
36
37
37
37
38
39
40
40
41
42
43
44
44
45
46
47
48
49
50
51
52
53
54
55
56
57
| Позиция на иллюстрации | Заводской номер детали | Название детали | |
|---|---|---|---|
| 1 | 256-1302139 | Подушка крепления радиатора малая | |
| 2 | 260-1302035-01 | Тяга крепления радиатора | |
| 3 | 214Б-1303028-А | Хомут в сборе | |
| 4 | 6437-1309010-01 | Кожух вентилятора | |
| 5 | 201456 | Болт М8х1,25х20 | |
| 6 | 252005 | Шайба 8,4 | |
| 7 | 250510 | Гайка М8х1,25 | |
| 8 | 252135 | Шайба 8,65Г.029 | |
| 9 | 6437-1302033 | Втулка | |
| 10 | 6437-1302039-10 | Амортизатор радиатора | |
| 11 | 6437-1302145 | Кольцо А20 | |
| 12 | 201591 | Болт М14х45 | |
| 13 | 345422 | Шайба 14 | |
| 14 | 252138 | Шайба 14,2 | |
| 15 | 250558 | Гайка М14х2 | |
| 16 | 6437-1301010 | Радиатор | |
| 17 | 6437-1303024 | Шланг соединительный | |
| 18 | 6437-1303038 | Патрубок радиатора правый | |
| 19 | 255Б-1311062-10 | Шланг перепускной | |
| 20 | 201454 | Болт М8х16 | |
| 21 | 201549 | Болт М12х55 | |
| 22 | 201546 | Болт М6х45 | |
| 23 | 256-1302003-10 | Кронштейн крепления радиатора | |
| 24 | 252045 | Шайба 12 | |
| 25 | 250615 | Гайка М12х1,25 | |
| 26 | ПС7-00.000 | Кран пробковый сливной | |
| 27 | 252136 | Шайба 10,2 | |
| 28 | 250513 | Гайка М10х1 | |
| 29 | 250514 | Гайка М12 | |
| 30 | 252137 | Шайба 12 ОТ | |
| 31 | 6510-1311010 | Бачок расширительный | |
| 32 | 297582 | Лента стяжная 10х180 | |
| 33 | 212А-8101092 | Пряжка хомута | |
| 34 | 258080 | Шплинт 5,6х25 | |
| 35 | 255Б-1311060 | Шланг пароотводящий | |
| 36 | 256Б1-1015527 | Шланг | |
| 37 | 250-1303027 | Лента стяжного хомута | |
| 38 | 6437-1311067-02 | Труба | |
| 39 | 6437-1303025 | Шланг соединительный | |
| 40 | 347985 | Кляммер 18,5 | |
| 41 | 214Б-1303010 | Шланг соединительный нижний | |
| 42 | 255-1303017-01 | Прокладка | |
| 43 | 250-1303016-20 | Патрубок распределительный | |
| 44 | 256-1015030-11 | Прокладка | |
| 45 | 256-1015528 | Шланг соединительный | |
| 46 | 256-1015027 | Труба подводящая | |
| 47 | 201499 | Болт М10х30 | |
| 48 | 250512 | Гайка М10х1,5 | |
| 49 | 252006 | Шайба 10,5 | |
| 50 | 201460 | Болт М8х30 | |
| 51 | 256-1303018 | Заглушка | |
| 52 | 6510-1311074 | Кронштейн расширительного бачка правый | |
| 53 | 6510-1311075 | Кронштейн расширительного бачка левый | |
| 54 | 214Б-1303032-Б | Сухарь хомута | |
| 55 | 214Б-1303033-Б | Сухарь хомута упорный | |
| 56 | 349005 | Винт М5х48 | |
| 57 | 210-1803087 | Сальник вилки |
Содержащиеся в справочниках-каталогах запасные части и детали не предлагаются к продаже, а носят исключительно информационный характер