Каталог запасных частей к технике: КрАЗ-6446. Механизмы тормозные передние
1
2
3
4
5
6
7
8
9
10
11
12
13
14
15
15
16
17
18
18
18
18
19
20
21
22
22
23
24
25
26
28
29
30
30
30
31
31
32
33
34
35
36
37
38
38
39
40
40
41
41
41
41
42
42
42
43
43
44
44
45
45
46
47
48
49
50
51
52
53
54
55
56
57
57
57
58
59
60
62
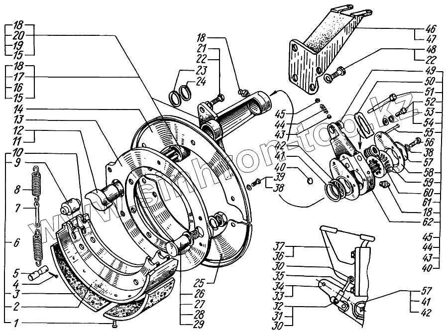
| Позиция на иллюстрации | Заводской номер детали | Название детали | |
|---|---|---|---|
| 1 | 346953 | Заклепка | |
| 2 | 260-3501095 | Колодка | |
| 3 | 260-3501105 | Накладка колодки | |
| 4 | 258053 | Шплинт 3,6х25 | |
| 5 | 260-3501098 | Палец пружины | |
| 6 | 260-3501090 | Колодка в сборе | |
| 7 | 250Б-3502036 | Звено пружины | |
| 8 | 214Б-3502035-Б | Пружина колодок | |
| 9 | 250Б-3502109 | Ролик колодки | |
| 10 | 250Б-3502112 | Стопор ролика | |
| 11 | 6505-3502111 | Кулак разжимной левый | |
| 12 | 6505-3502110 | Кулак разжимной правый | |
| 13 | 260-3501015 | Суппорт левый | |
| 14 | 260-3501150 | Диск защитный верхний | |
| 15 | 255Б-3501126-Б2 | Втулка кронштейна малая | |
| 16 | 260-3501121 | Кронштейн левый в сборе | |
| 17 | 260-3501125 | Кронштейн левый | |
| 18 | 264020 | Масленка К1/8" | |
| 19 | 260-3501120 | Кронштейн правый в сборе | |
| 20 | 2603501124 | Кронштейн правый | |
| 21 | 202141 | Болт М16х1,5х35 | |
| 22 | 252139 | Шайба 16 ОТ | |
| 23 | 250Б-3502129 | Шайба | |
| 24 | 250Б-3502128 | Кольцо 038-046-46-2-2 | |
| 25 | 260-3501151 | Диск защитный нижний | |
| 26 | 250661 | Гайка М16х1,5 | |
| 28 | 345056 | Шайба | |
| 29 | 260-3501132 | Ось колодок | |
| 30 | 252143 | Шайба | |
| 30 | 258025 | Шплинт 2,5х20 | |
| 31 | 256Б-3501136-03 | Рычаг регулировочный в сборе | |
| 31 | 252004 | Шайба 6,4 | |
| 32 | 260012 | Палец 8х20 | |
| 33 | РТ-40-02 | Регулятор тормоза | |
| 34 | РТ-40-03 | Регулятор тормоза | |
| 35 | 65055-3502180 | Тяга | |
| 36 | 6437-3519068 | Кронштейн правый | |
| 37 | 6437-3519069 | Кронштейн левый | |
| 38 | 252136 | Шайба 10,2 | |
| 39 | 201493 | Болт М10х1,5х16 | |
| 40 | 260305 | Заглушка | |
| 41 | 65055-3501161 | Прокладка регулировочная | |
| 41 | 200Т-3501161-А | Прокладка регулировочная | |
| 42 | 200Т-3501160-А | Прокладка регулировочная | |
| 42 | 65055-3501160 | Прокладка регулировочная | |
| 43 | 201-1115043 | Шарик-фиксатор | |
| 44 | 200Т-3501144 | Пружина фиксатора | |
| 45 | 200-3501148-А | Пробка фиксатора | |
| 46 | 260-3519070 | Кронштейн правый | |
| 47 | 260-3519071 | Кронштейн левый | |
| 48 | 202119 | Болт М16х2х40 | |
| 49 | 256Б-3501139-01 | Втулка | |
| 50 | 256Б-3501154-10 | Пластина стопорная | |
| 51 | 256Б-3501142-20 | Ось червяка | |
| 52 | 201454 | Болт М8х16 | |
| 53 | 252135 | Шайба 8,65Г.029 | |
| 54 | 252005 | Шайба 8,4 | |
| 55 | 252607 | Заклепка | |
| 56 | 201495 | Болт М10х1,5х20 | |
| 57 | 219-3501155-01 | Шайба упорная | |
| 57 | 219-3501155-01 | Шайба упорная | |
| 58 | 256Б-3501143-10 | Крышка корпуса рычага | |
| 59 | 256Б-3501140-10 | Шестерня рычага | |
| 60 | 256Б-3501141 | Червяк рычага | |
| 62 | 256Б-3501138-20 | Корпус регулировочного рычага |
Содержащиеся в справочниках-каталогах запасные части и детали не предлагаются к продаже, а носят исключительно информационный характер