Вернуться на главную
Поиск
Каталоги запчастей к технике
Грузовые автомобили и прицепы
КрАЗ
КрАЗ-6443
Механизм блокировки межколесного дифференциала заднего моста
Каталог запасных частей к технике: КрАЗ-6443. Механизм блокировки межколесного дифференциала заднего моста
zoom-in
zoom-out
enlarge
shrink
circle-right
circle-left
file-text2
info
cart
Тип техники
Не выбрано
Легковые автомобили
Грузовые автомобили и прицепы
Автобусы
Сельхозтехника
Спецтехника
Двигатели
Мототехника
Марка
Не выбрано
BAW
DAF
DongFeng
FAW
Foton
HOWO
Hyundai
IVECO
JAC Motors
LGMG
MAN
Shaanxi
SITRAK
Studebaker
Tata
Volvo
Автокомпонент Плюс
БелАЗ
Брянский Арсенал
ГАЗ
ЗИЛ
КАЗ
Камский автозавод
КрАЗ
Мадара
МАЗ
МЗКТ
МоАЗ
Нефтекамский автозавод
Ставропольский Завод АвтоПрицепов
ТАТРА
Тонар
УралАЗ
ЧМЗАП
Модель
Не выбрано
Доп. с двиг. Евро-2 (2008)
КрАЗ-250
КрАЗ-255
КрАЗ-256
КрАЗ-260
КрАЗ-6322 (2005)
КрАЗ-6322 (шасси) (2005)
КрАЗ-63221 (2005)
КрАЗ-64372, 6133М6 (2006)
КрАЗ-6443
КрАЗ-6443 (каталог 2004 г)
КрАЗ-64431-02 (2008)
КрАЗ-6446 (2005)
КрАЗ-65053-02 (2008)
КрАЗ-65055
КрАЗ-65055-02 (2008)
КрАЗ-6510 (1993)
КрАЗ-7133H4 (2006)
КрАЗ-7133С4 (2006)
Схема
>
Не выбрано
Кабина в сборе и крепление кабины
Стеклоочиститель
Стеклоомыватель
Дверь кабины
Сиденье водителя
Амортизатор сиденья водителя
Отопитель кабины и обогреватель ветровых стекол
Трубопроводы системы отопления кабины
Отопитель кабины дополнительный и шланги
Зеркало заднего вида, козырек противосолнечный
Облицовка радиатора и капот
Крыло переднее и подножки
Замок капота
Платформа
Установка опрокидывающего механизма
Цилиндр опрокидывающего механизма
Насос масляный опрокидывающего механизма
Гидрораспределитель опрокидывающего механизма
Бак масляный опрокидывающего механизма
Крепление силового агрегата и вентиляция картера
Радиатор масляный
Подогреватель пусковой
Баки топливные
Топливные баки, топливопроводы и фильтр грубой очистки (КрАЗ-6443, 644301)
Топливные баки, топливопроводы и фильтр грубой очистки (КрАЗ-65032, 650321)
Привод управления подачей топлива и остановом двигателя
Фильтр воздушный
Система выпуска отработавших газов
Радиатор с кожухом и расширительным бачком
Шторка радиатора. Масляные радиаторы
Шторка радиатора
Привод управления сцеплением
Установка привода сцепления
Пневмогидроусилитель сцепления
Главный цилиндр выключения сцепления
Цилиндр выключения сцепления
Рычаг переключения передач, кран управления
Насос масляный
Подвеска раздаточной коробки
Картеры и крышки раздаточной коробки
Вал первичный в сборе
Вал промежуточный и масляный насос
Валы привода переднего и среднего мостов
Воздухопроводы управления раздаточной коробкой, коробкой отбора мощности и блокировкой дифференциалов мостов
Валы карданные привода переднего, среднего и заднего мостов
Вал карданный привода раздаточной коробки
Мост передний (картер и редуктор)
Редуктор главной передачи и переднего моста (картер с крышками)
Редуктор главной передачи переднего моста (валы и шестерни)
Дифференциал межколесный переднего моста
Опоры шаровые и полуоси переднего моста
Картер заднего и среднего мостов
Картер редуктора заднего моста с крышками
Редуктор главной передачи заднего моста (валы и шестерни)
Межколесный дифференциал и полуоси заднего моста
Механизм блокировки межколесного дифференциала заднего моста
Картер редуктора среднего моста с крышками
Редуктор главной передачи среднего моста
Рама
Рессоры передние
Амортизатор передней подвески
Рессоры задние и реактивные штанги
Балансиры задней подвески с осью
Колесо дисковое с шиной
Ступица переднего колеса с тормозным барабаном
Ступица заднего колеса с тормозным барабаном
Держатель запасного колеса
Управление рулевое
Механизм рулевой с распределителем
Цилиндр силовой
Насос масляный
Шланга рулевого управления
Бачок масляный
Тяги рулевые
Распределитель
Рулевая колонка с колесом
Механизмы тормозные передние
Механизмы тормозные задние
Педаль тормозная и привод управления двухсекционным тормозным краном
Воздухопроводы и аппараты тормозной системы
Управление стояночной тормозной системой
Установка и привод компрессора
Картер и вал коленчатый компрессора
Головка и блок цилиндров компрессора
Водоотделитель
Влагомаслоотделитель с регулятором давления
Регулятор давления с предохранительным клапаном
Ресиверы
Кран тормозной двухсекционный с рычагом
Противозамерзатель
Клапан контрольного вывода
Клапан защитный четырехконтурный
Клапан ускорительный
Камеры тормозные (А-передняя, Б-задняя)
Кран разобщительный и головки соединительные
Клапан управления тормозной системой прицепа с двухпроводным приводом
Установка регулятора тормозных сил
Кран тормозной обратного действия с ручным управлением
Клапан двухмагистральный
Аккумуляторные батареи (КрАЗ-6443, 65032)
Аккумуляторные батареи (КрАЗ-644301, 650321)
Фары
Приборы световые передние
Фонари передние и повторители боковых указателей поворота
Приборы световые задние
Сигналы звуковые
Схема электрооборудования
Фара поворотная
Панель приборов
Устройство седельно-сцепное
Коробка отбора мощности
Раскладка инструмента под сиденьем пассажира
Размещение спецпринадлежностей
Общий вид автомобиля КрАЗ-6443 (644301)
Общий вид автомобиля КрАЗ-65032 (650321)
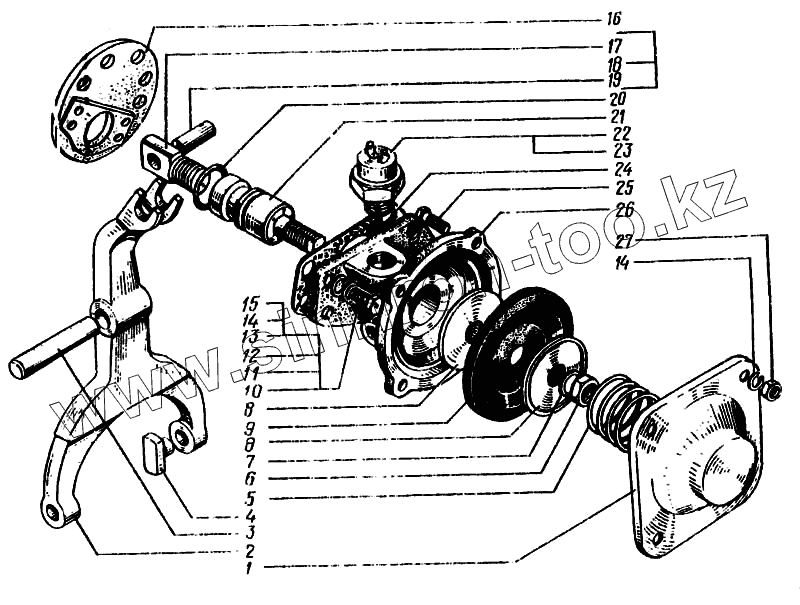
1
2
3
4
5
6
7
8
8
9
10
11
12
13
14
14
15
16
17
18
19
20
21
22
23
24
25
26
27
28
Позиция на иллюстрации
Заводской номер детали
Название детали
6505-2402125
6505-2402125
Крышка левая с пневмокамерой в сборе
1
6505-2409180
Крышка пневмокамеры
2
6505-2409012
Вилка
3
6505-2409014
Ось вилки
4
210-1803082
Штифт вилки
5
6505-2409178-01
Пружина
6
250615-П29
Гайка М12х1,25
7
252137-П2
Шайба 12 пружинная
8
250-8606131
Шайба
9
250-1811162
Диафрагма
10
201497-П29
Болт М10х1,25х25
11
252136-П2
Шайба 10 пружинная
12
252006-П29
Шайба 10
13
252005-П29
Шайба 8
14
252135-П2
Шайба 8 пружинная
15
201464-П29
Болт М8х1,25х40
16
6505-2402127-01
Крышка левая
17
6505-2409042
Винт регулировочный
18
6505-2409040
Винт регулировочный с пальцем в сборе
19
6505-2409044
Палец
20
256Б-3570138
Кольцо резиновое уплотнительное Н1-25х20х2
21
6505-2409176
Шток
22
ВК418А-3716000
Выключатель сигнализации
23
214-3502133
Шайба регулировочная
24
6505-2409182-01
Прокладка
25
201458-П29
Болт М8х1,25х25
26
6505-2409175-01
Корпус пневмокамеры
27
262541-П29
Пробка КГ 1/8"
28
250510-П29
Гайка М8
Содержащиеся в справочниках-каталогах запасные части и детали не предлагаются к продаже, а носят исключительно информационный характер
Дополнительная информация
×
Название:
Номер:
Примечание: