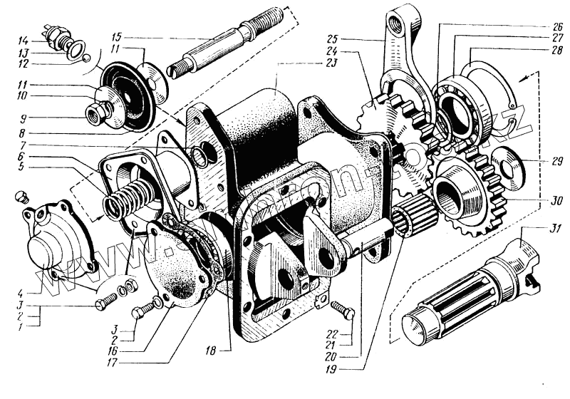
Каталог запасных частей к технике: КрАЗ-6443. Коробка отбора мощности
1
2
2
3
3
4
5
6
7
8
9
10
11
11
12
13
14
15
16
17
18
19
20
21
22
23
24
25
26
27
28
29
30
31
| Позиция на иллюстрации | Заводской номер детали | Название детали | |
|---|---|---|---|
| 6505-4202010 | 6505-4202010 | Коробка отбора мощности в сборе | |
| 1 | 250510-П29 | Гайка М8 | |
| 2 | 252135-П2 | Шайба 8 пружинная | |
| 3 | 201460-П29 | Болт М8х1,25х30 | |
| 4 | 250Б-2509175 | Крышка пневмокамеры | |
| 5 | 255Л-2732034 | Пружина наружная | |
| 6 | 250-1804173 | Корпус пневмокамеры | |
| 7 | 256Б-3405187 | Кольцо 018-022-25-2-2 | |
| 8 | 250-1811162 | Диафрагма | |
| 9 | 250615-П29 | Гайка М12х1,25 | |
| 10 | 252137-П2 | Шайба 12 пружинная | |
| 11 | 250-8606131 | Шайба | |
| 12 | 201-1115043 | Шарик-фиксатор | |
| 13 | 210-3502131-Б | Шайба регулировочная | |
| 14 | ВК418А-3716000 | Выключатель сигнализации | |
| 15 | 6505-4202206 | Шток | |
| 16 | 6505-4202084 | Крышка | |
| 17 | 6505-4202086 | Прокладка | |
| 18 | 206К | Подшипник | |
| 19 | 864904 | Подшипник | |
| 20 | 6505-4202030 | Ось | |
| 21 | 6505-4202032 | Замок | |
| 22 | 201456-П29 | Болт М8х1,25х20 | |
| 23 | 6505-4202015 | Картер | |
| 24 | 6505-4202064 | Шестерня | |
| 25 | 6505-4202126 | Вилка | |
| 26 | 6505-4202219 | Кольцо 2В35 | |
| 27 | 207 | Подшипник | |
| 28 | 6505-4202220 | Кольцо В72 | |
| 29 | 6505-4202092 | Прокладка | |
| 30 | 6505-4202020 | Шестерня | |
| 31 | 6505-4202070 | Вал |
Содержащиеся в справочниках-каталогах запасные части и детали не предлагаются к продаже, а носят исключительно информационный характер