Каталог запасных частей к технике: КрАЗ-6443. Фильтр воздушный
1
1
2
2
3
3
4
4
5
6
7
8
9
10
11
12
13
13
13
13
13
14
14
14
15
15
15
16
16
16
17
18
19
20
21
22
23
24
24
24
25
25
25
26
26
26
27
28
29
29
29
29
30
31
31
31
31
31
32
33
33
34
35
36
37
38
39
40
41
42
42
42
43
43
43
44
44
44
45
46
47
48
49
50
51
52
53
54
55
56
57
57
57
58
59
60
61
62
63
64
65
66
67
68
69
70
71
72
73
74
75
76
77
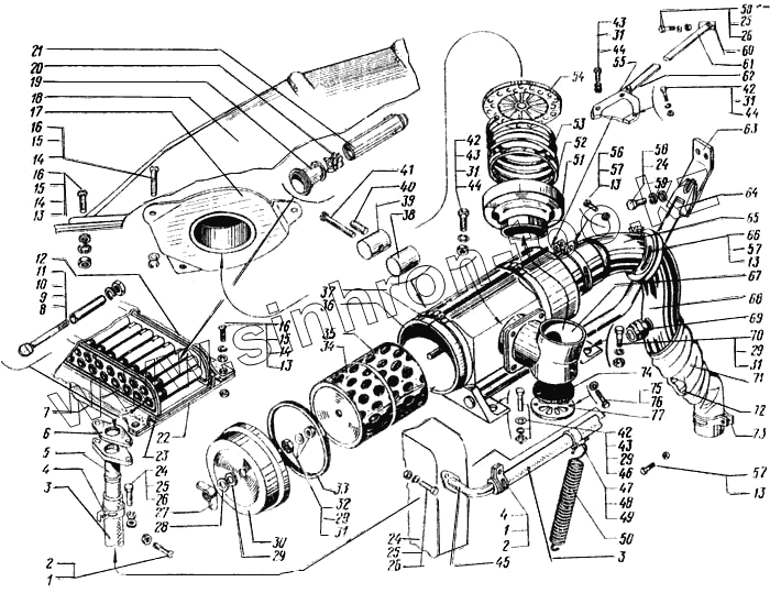
| Позиция на иллюстрации | Заводской номер детали | Название детали | |
|---|---|---|---|
| 6437-1109700 | 6437-1109700 | Воздухозаборник фильтра в сборе | |
| 6437-1109022 | 6437-1109022 | Блок циклонов | |
| 6437-1109010-01 | 6437-1109010-01 | Фильтр воздушный в сборе | |
| 1 | 220086-П29 | Винт М5х0,8х30 | |
| 2 | 251086-П29 | Гайка М5х0,8 | |
| 3 | 255Б-3408064-11 | Шланг питающий | |
| 4 | 250-3408117 | Хомут шланга | |
| 5 | 6437-1137280 | Патрубок с фланцем | |
| 6 | 255-3509309 | Прокладка фланца трубы | |
| 7 | 6437-1109024 | Днище блока циклонов | |
| 8 | 250464-П29 | Гайка М5х0,8 | |
| 9 | 252133-П2 | Шайба 5 пружинная | |
| 10 | 6437-1109723 | Втулка распорная | |
| 11 | 6437-1109025 | Стяжка | |
| 12 | 6437-1109822 | Уплотнитель | |
| 13 | 250508-П29 | Гайка М6-6Н | |
| 14 | 252134-П2 | Шайба 6 пружинная | |
| 15 | 252037-П29 | Шайба 6 | |
| 16 | 220105-П29 | Винт М6х1х16 | |
| 17 | 6437-1109704-10 | Патрубок воздухозаборника | |
| 18 | 6437-1109702 | Воздухозаборник верхний | |
| 19 | 6437-1109975 | Труба | |
| 20 | 6437-1109974 | Завихритель | |
| 21 | 6437-1109973 | Корпус | |
| 22 | 6437-1109703 | Воздухозаборник нижний | |
| 23 | 214-8508181 | Прокладка | |
| 24 | 252135-П2 | Шайба 8 пружинная | |
| 25 | 250510-П29 | Гайка М8 | |
| 26 | 201454-П29 | Болт М8х1,25х16 | |
| 27 | 6437-1109585 | Гайка-барашек | |
| 28 | 255Б-8403313 | Шайба | |
| 29 | 252006-П29 | Шайба 10 | |
| 30 | 6437-1109582-10 | Крышка фильтра | |
| 31 | 250612-П29 | Гайка М10х1,5 | |
| 32 | 260-3724019 | Втулка | |
| 33 | 6437-1109553 | Кольцо уплотнительное | |
| 33 | 740-1109553 | Кольцо уплотнительное | |
| 34 | 6437-1109080 | Элемент фильтрующий | |
| 35 | 6437-1109080-10 | Элемент фильтрующий | |
| 36 | 6437-1109048-10 | Корпус воздушного фильтра | |
| 37 | 260-1158114-10 | Хомут крепления фильтра | |
| 38 | 256-1015023 | Сухарь хомута | |
| 39 | 256-1015024 | Сухарь болта | |
| 40 | 256-1015018-А | Втулка | |
| 41 | 2002274-П29 | Болт М8х75 | |
| 42 | 201497-П29 | Болт М10х1,25х25 | |
| 43 | 201499-П29 | Болт М10х1,5х30 | |
| 44 | 252136-П2 | Шайба 10 пружинная | |
| 45 | 6437-1137290 | Патрубок отсоса пыли | |
| 46 | 345421-П29 | Шайба 13 косая | |
| 47 | 297582-П29 | Лента стяжная 10х180 | |
| 48 | 212А-8101092 | Пряжка хомута | |
| 49 | 258080-П29 | Шплинт 5,6х25 | |
| 50 | 255Б-3408032 | Пружина | |
| 51 | 6437-1109774 | Переходник | |
| 52 | 6437-1109798 | Пластина пружины нижняя | |
| 53 | 6437-1109794 | Пружина воздухозаборника | |
| 54 | 6437-1109796 | Пластина упорная пружины | |
| 55 | 6437-1109775 | Прокладка | |
| 56 | 6437-1109730 | Хомут | |
| 57 | 210368-П29 | Болт | |
| 58 | 201456-П29 | Болт М8х1,25х20 | |
| 59 | 252038-П29 | Шайба 8 | |
| 60 | 250Б-1104517 | Угольник | |
| 61 | 6437-1109588 | Планка | |
| 62 | 6437-1109716 | Кронштейн | |
| 63 | 6437-1109810 | Кронштейн | |
| 64 | 6437-1158120 | Кронштейн фильтра | |
| 65 | 6437-1109474 | Угольник | |
| 66 | 6437-1109750-01 | Хомут | |
| 67 | 6437-1109713 | Патрубок переходной | |
| 68 | 6437-1109790 | Патрубок впускной | |
| 69 | 13.3839600 | Датчик сигнализации засоренности воздушного фильтра | |
| 70 | 201495-П29 | Болт М10х1,5х20 | |
| 71 | 6437-1109747-01 | Угольник | |
| 72 | 6437-1109792 | Кольцо | |
| 73 | 6437-1109740-01 | Хомут | |
| 74 | 6437-1109784 | Заглушка | |
| 75 | 201418-П29 | Болт М6х1х16 | |
| 76 | 252004-П29 | Шайба 6 | |
| 77 | 6437-1109772 | Сетка переходника |
Содержащиеся в справочниках-каталогах запасные части и детали не предлагаются к продаже, а носят исключительно информационный характер