Каталог запасных частей к технике: КрАЗ-64431-02. Привод управления сцеплением
1
1
2
3
3
3
4
4
5
5
5
6
7
8
9
10
11
12
13
14
15
16
17
18
19
20
20
21
22
23
24
24
24
24
25
25
25
26
27
28
29
30
30
31
32
33
34
35
36
37
38
39
40
41
42
43
44
45
46
47
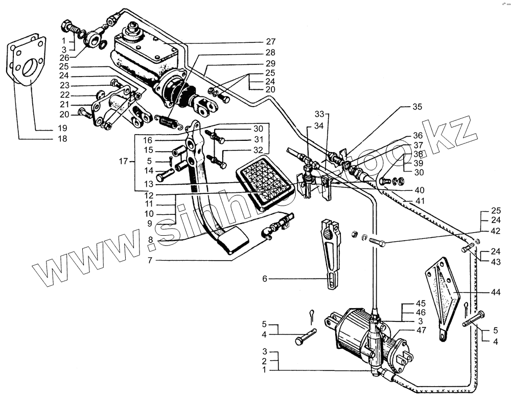
| Позиция на иллюстрации | Заводской номер детали | Название детали | |
|---|---|---|---|
| 347982 | 347982 | Кляммер | |
| 201544 | 201544 | Болт М12х1,75х40 | |
| 252137 | 252137 | Шайба 12 ОТ | |
| 1 | 6505-3408017 | Болт приводной | |
| 2 | 6505-3408016 | Наконечник | |
| 3 | 256Б-3405187 | Кольцо 018-022-25-2-2 | |
| 4 | 260088 | Палец 12х38 | |
| 5 | 258052 | Шплинт 3,6х20 | |
| 6 | 5133В2-1602217-000 | Рычаг | |
| 7 | 314547 | Угольник | |
| 8 | 65101-1602399-10 | Трубопровод | |
| 9 | 250508 | Гайка М6-6Н | |
| 10 | 252134 | Шайба 6Т | |
| 11 | 201420 | Болт М6х20 | |
| 12 | 315406 | Кляммер 8х10 | |
| 13 | 256Б-1108021 | Подушка площадки педали в сборе | |
| 14 | 260091 | Палец 12х45 | |
| 15 | 250-1602022 | Втулка педали | |
| 16 | 5133В2-1602012-000 | Педаль сцепления с площадкой | |
| 17 | 5133В2-1602010-000 | Педаль сцепления в сборе | |
| 18 | 250-5301088 | Усилитель крепления педали | |
| 19 | 251-5300089 | Уплотнитель педали сцепления | |
| 20 | 201505 | Болт М10х1,5х45 | |
| 21 | 250-1602068-01 | Кронштейн | |
| 22 | 250Т-1602065 | Шайба специальная | |
| 23 | 201501 | Болт М10х35 | |
| 24 | 252136 | Шайба 10,2 | |
| 25 | 4595531084 | Гайка М10-6Н | |
| 26 | 6437-3408024-10 | Наконечник | |
| 27 | 260-1602510-10 | Главный цилиндр выключения сцепления в сборе | |
| 28 | 250Т-1602094 | Пружина возвратная педали | |
| 29 | 260-1602290-10 | Трубопровод | |
| 30 | 250510 | Гайка М8х1,25 | |
| 31 | 348518 | Болт М8х50 | |
| 32 | 348599 | Болт | |
| 33 | 5133В2-1602402-000 | Трубопровод в сборе | |
| 34 | 314538 | Тройник 10 | |
| 35 | 260-1602293-10 | Кронштейн | |
| 36 | 252019 | Шайба 20 | |
| 37 | 250640 | Гайка М20х1,5 | |
| 38 | 201460 | Болт М8х30 | |
| 39 | 252135 | Шайба 8,65Г.029 | |
| 40 | 250Б-3506162 | Кронштейн крепления трубок | |
| 41 | 5133В2-1602312-000 | Шланг | |
| 42 | 200319 | Болт М10х50 | |
| 43 | 201499 | Болт М10х30 | |
| 44 | 5133В2-1602063-000 | Кронштейн | |
| 45 | 314625 | Штуцер | |
| 46 | 6505-3506712 | Шайба | |
| 47 | 11.1602410-20 | Пневмогидроусилитель |
Содержащиеся в справочниках-каталогах запасные части и детали не предлагаются к продаже, а носят исключительно информационный характер