Каталог запасных частей к технике: КрАЗ-6322 (шасси). Воздухопроводы и аппараты тормозной системы
1
1
1
1
1
2
2
2
2
2
2
2
2
3
3
3
3
3
3
3
3
4
5
6
7
8
9
10
11
11
11
11
11
11
11
11
11
11
11
11
11
11
11
11
11
11
11
11
11
11
11
11
12
12
12
12
12
12
12
12
12
12
12
12
12
12
12
12
12
12
12
12
12
12
12
12
12
12
13
13
13
13
14
15
16
17
17
17
17
17
17
17
17
17
17
17
17
17
17
17
17
17
17
17
17
17
18
18
19
20
21
22
23
23
24
24
25
26
27
28
29
29
29
30
31
32
32
33
33
33
34
34
34
35
36
36
36
36
36
36
37
38
39
40
40
40
40
41
42
42
42
43
44
45
46
47
48
49
50
50
51
52
53
54
55
56
56
56
58
59
60
61
62
62
63
64
65
66
67
68
69
70
71
71
71
72
72
72
73
73
73
74
75
76
77
77
78
79
79
80
80
80
80
81
81
82
82
83
84
85
86
87
88
88
89
90
91
92
93
94
95
96
97
98
99
100
101
102
103
103
104
105
106
107
108
109
110
111
112
113
114
115
116
117
118
119
120
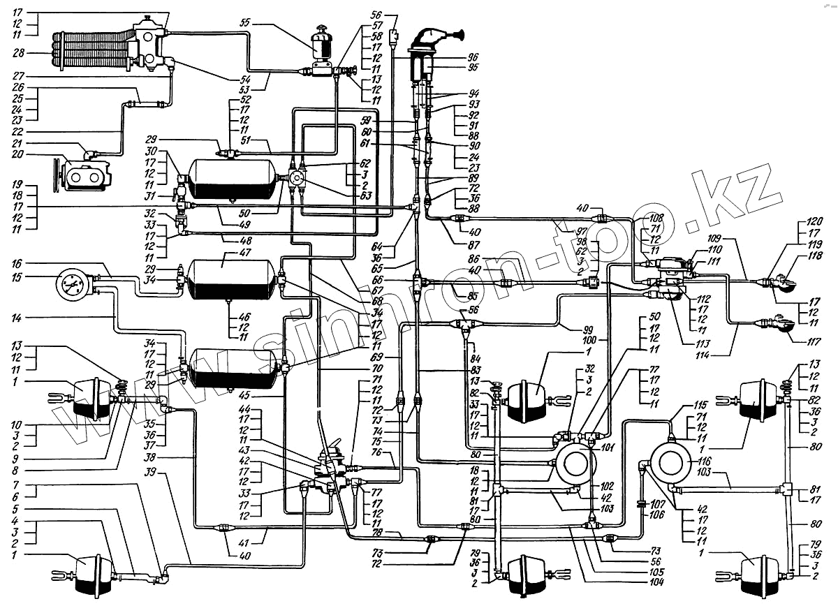
| Позиция на иллюстрации | Заводской номер детали | Название детали | |
|---|---|---|---|
| 1 | 100-3519210-01 | Камера тормозная задняя в сборе | |
| 2 | 256Б-6801127-01 | Кольцо 014-018-25-2-2 | |
| 3 | 6505-3506712 | Шайба | |
| 4 | 346821 | Штуцер | |
| 5 | 255Б-3506061-02 | Шланг к левой передней тормозной камере | |
| 6 | 250640 | Гайка М20х1,5 | |
| 7 | 347283 | Угольник | |
| 8 | 255Б-3506061 | Шланг к правой передней тормозной камере | |
| 9 | 6444-3515326 | Штуцер клапана контрольного вывода | |
| 10 | 314612 | Штуцер К1/4"хМ16х1,5 | |
| 11 | 256Б-3570138 | Кольцо резиновое уплотнительное Н1-25х20х2 | |
| 12 | 256Б1-3506017 | Шайба уплотнительная | |
| 13 | 13.3515310 | Клапан контрольного вывода в сборе | |
| 14 | 260-3830026 | Шланг соединительвый | |
| 15 | 705224 | Манометр | |
| 16 | 260-3830028 | Шланг соединительвый | |
| 17 | 349507 | Гайка М22х1,5 | |
| 18 | 347509 | Штуцер | |
| 19 | 260-3520030 | Штуцер | |
| 20 | 161.3509012-20 | Компрессор | |
| 21 | 314541 | Угольник ввертный | |
| 22 | 260-3506201-30 | Трубка от компрессора к влагомаслоотделителю передняя | |
| 23 | 251086 | Гайка М5х0,8 | |
| 24 | 220083 | Винт М5-6gх22 | |
| 25 | 250-3506531 | Хомут шланга 22 | |
| 26 | 255-3506211 | Шланг соединительный | |
| 27 | 65032-3506204-20 | Трубка от компрессора к влагомаслоотделителю задняя | |
| 28 | 14.3512010 | Влагомаслоотделитель с регулятором давления | |
| 29 | ММ124-3810600 | Датчик снижения давления | |
| 30 | 6510-3520030 | Угольник разобщительного крана | |
| 31 | 12.3520010 | Кран разобщительный в сборе | |
| 32 | 100-3562010 | Клапан двухмагистральный в сборе | |
| 33 | 347264 | Угольник | |
| 34 | 347354 | Тройник | |
| 35 | 255Б-3506078 | Угольник проходной | |
| 36 | 349522 | Гайка М16 | |
| 37 | 314537 | Угольник К1/4"хМ16х1,5 | |
| 38 | 65032-3506280 | Трубка к правой передней тормозной камере передняя | |
| 39 | 65032-3506281-10 | Трубка к левой передней тормозной камере | |
| 40 | 314625 | Штуцер | |
| 41 | 65032-3506283-10 | Трубка к правой передней тормозной камере задняя | |
| 42 | 347223 | Угольник | |
| 43 | 100-3514008-30 | Кран тормозной двухсекционный с рычагом в сборе | |
| 44 | 346345 | Тройник | |
| 45 | 5444-3506245 | Трубка к нижней секции тормозного крана | |
| 46 | 11.3513110 | Клапан слива конденсата | |
| 47 | 260-3513015 | Ресивер А40-280 | |
| 48 | 65101-3506249 | Трубка от четырехконтурного клапана к двух-магистральному клапану | |
| 49 | 6322-3506270 | Трубка от двухмагистрального клапана к тройнику развода воздуха | |
| 50 | 347596 | Штуцер | |
| 51 | 65032-3506207 | Трубка к конденсационному ресиверу | |
| 52 | 260-3506018 | Тройник | |
| 53 | 65032-3506206-10 | Трубка к регулятору давления | |
| 54 | 256Б1-3506095 | Угольник | |
| 55 | 11.3515150-11ХЛ | Противозамерзатель в сборе | |
| 56 | 314538 | Тройник 10 | |
| 58 | 260В-3506090 | Втулка | |
| 59 | 256Б1-3506254-01 | Трубка к крану ручного управления | |
| 60 | 255Б-3506254-01 | Трубка подвода воздуха | |
| 61 | 250-1015383-01 | Шланг | |
| 62 | 347486 | Штуцер проходной | |
| 63 | 11.3515410 | Клапан защитный четырехконтурный в сборе | |
| 64 | 260-3506293-10 | Тройник | |
| 65 | 6322-3506320 | Трубка питания регулятора тормозных сил среднего моста передняя | |
| 66 | 346316 | Тройник | |
| 67 | 5444-3506224 | Трубка к ресиверу передних тормозов | |
| 68 | 65101-3506228 | Трубка к ресиверу задних тормозов | |
| 69 | 6322-3506432 | Трубка | |
| 70 | 5444-3506241 | Трубка к верхней секции тормозного крана | |
| 71 | 347527 | Штуцер | |
| 72 | 260-3506706 | Штуцер | |
| 73 | 346835 | Штуцер проходной | |
| 74 | 65032-3506274-10 | Трубка питания регулятора тормозных сил среднего моста задняя | |
| 75 | 6443-3506286 | Трубка от тормозного крана к регулятору тормозных сил среднего моста передняя | |
| 76 | 6443-3506330-10 | Трубка от тормозного крана к двухпроводному клапану передняя | |
| 77 | 347381 | Тройник | |
| 78 | 65032-3506488 | Трубка питания регулятора тормозных сил заднего моста передняя | |
| 79 | 6505-3506708 | Угольник | |
| 80 | 6443-3506301 | Шланг к тормозным камерам заднего моста | |
| 81 | 65032-3506713 | Тройник | |
| 82 | 65032-3506014 | Тройник контрольного клапана | |
| 83 | 6322-3506321 | Трубка | |
| 84 | 6133М6-3506289-000 | Трубка от тормозного крана к регулятору тормозных сил среднего моста, задняя | |
| 85 | 6322-3506334 | Трубка питания клапана двухпроводного привода, передняя | |
| 86 | 6322-3506324 | Трубка питания клапана двухпроводного привода задняя | |
| 87 | 6322-3506360 | Трубка от ручного крана к двухпроводному клапану передняя | |
| 88 | 252139 | Шайба 16 ОТ | |
| 89 | 6444-3506254 | Трубка крана ручного управления | |
| 90 | 250-3408118 | Хомут шланга 18 | |
| 91 | 252017 | Шайба 16 | |
| 92 | 346871 | Штуцер | |
| 93 | 250636 | Гайка М16х1,5-6Н | |
| 94 | 65101-3506412 | Шланг | |
| 95 | 100-3537010 | Кран тормозной обратного действия с ручным управлением в сборе | |
| 96 | 65101-3506251 | Трубка к потребителям | |
| 97 | 6322-3506362-10 | Трубка от ручного крана к двухпроводному клапану, средняя | |
| 98 | 11.3515510 | Клапан обрыва в сборе | |
| 99 | 6133М6-3506346-000 | Трубка от нижней секции тормозного крана к двухпроводному клапану | |
| 100 | 6322-3506344 | Трубка от верхней секции тормозного крана к двухпроводному клапану | |
| 101 | 11.3533010-50 | Регулятор тормозных сил | |
| 102 | 6443-3506464-10 | Трубка от тормозного крана к регулятору тормозных сил среднего моста | |
| 103 | 250-3506086-11 | Шланг к задним тормозным камерам | |
| 104 | 6322-3506430 | Трубка | |
| 105 | 6322-3506434 | Трубка | |
| 106 | 65032-3506490 | Трубка питания регулятора тормозных сил заднего моста задняя | |
| 107 | 250-3408065 | Втулка предохранительная | |
| 108 | 6322-3506368 | Трубка от крана ручного управления к клапану 2-х проводного привода, задняя | |
| 109 | 6322-3506326 | Трубка к соединительной головке магистрали питания | |
| 110 | ММ125Д | Датчик сигнала торможения | |
| 111 | 346355 | Тройник | |
| 112 | 347309 | Тройник | |
| 113 | 100-3522010 | Клапан управления тормозной системой прицепа с двухпроводным приводом в сборе | |
| 114 | 6322-3506376 | Трубка к соединительной головке магистрали управления | |
| 115 | 65032-3506477-10 | Трубка от тормозного крана к регулятору тормозных сил заднего моста | |
| 116 | 11.3533010-40 | Регулятор тормозных сил | |
| 117 | 11.3521411 | Головка соединительная тип "Палм" | |
| 118 | 11.3521410 | Головка соединительная магистрали питания тип "Палм" | |
| 119 | 252142 | Шайба 22 | |
| 120 | 65101-3520030 | Штуцер |
Содержащиеся в справочниках-каталогах запасные части и детали не предлагаются к продаже, а носят исключительно информационный характер