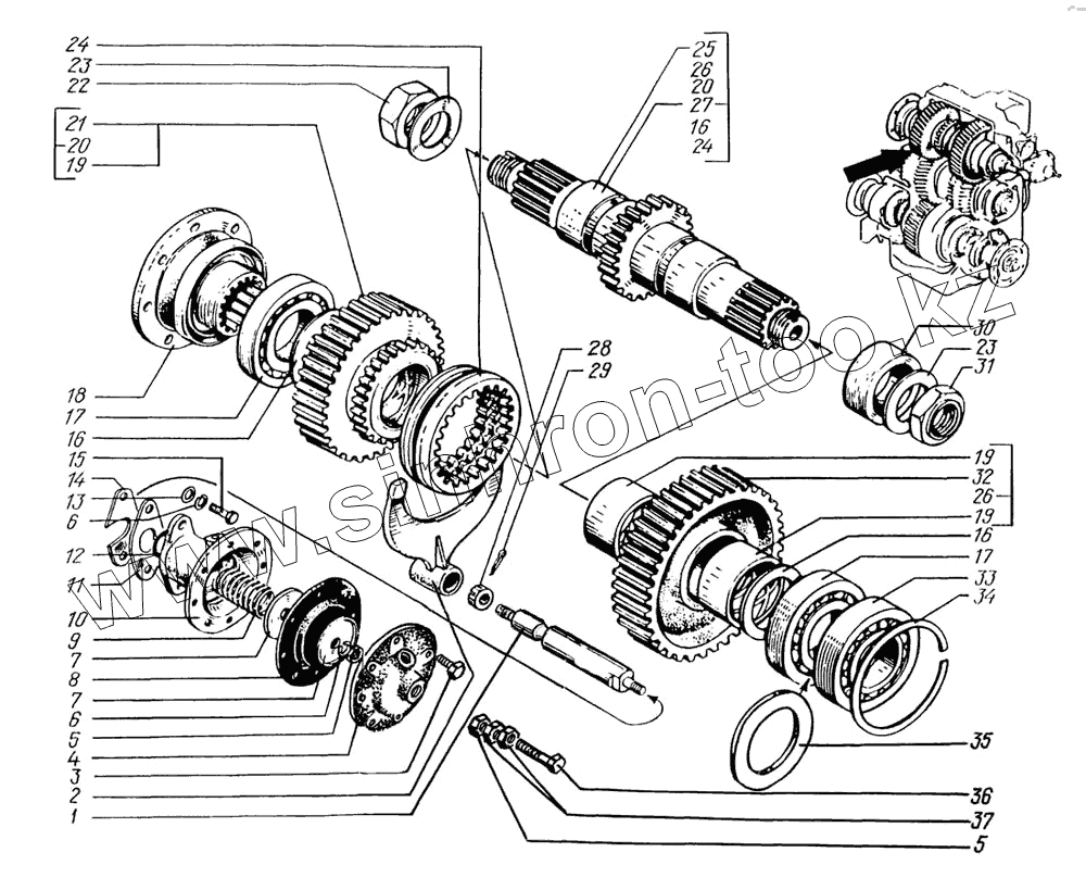
Каталог запасных частей к технике: КрАЗ-6322 (шасси). Вал первичный в сборе
1
2
3
4
5
5
6
6
7
7
8
9
10
11
12
13
14
15
16
16
16
17
17
18
19
19
19
20
20
21
22
23
23
24
24
25
26
26
27
28
29
30
31
32
33
34
35
36
37
| Позиция на иллюстрации | Заводской номер детали | Название детали | |
|---|---|---|---|
| 1 | 260-1803024-20 | Шток | |
| 2 | 260-1810020-20 | Вилка | |
| 3 | 201460 | Болт М8х30 | |
| 4 | 260-1811018 | Крышка | |
| 5 | 250512 | Гайка М10х1,5 | |
| 6 | 252136 | Шайба 10,2 | |
| 7 | 260-1804186 | Шайба упорная | |
| 7 | 260-1804186 | Шайба упорная | |
| 8 | 255Л-2732028 | Диафрагма | |
| 9 | 260-1804082 | Пружина | |
| 10 | 260-1804080 | Корпус пневмокамеры | |
| 11 | 260-1804083 | Прокладка | |
| 12 | 256Б-3570062 | Кольцо 022-028-36-2-2 | |
| 13 | 252006 | Шайба 10,5 | |
| 14 | 260-1804081 | Прокладка регулировочная | |
| 15 | 201499 | Болт М10х30 | |
| 16 | 260-1802041 | Шайба упорная | |
| 17 | 12312КМ | Подшипник роликовый | |
| 18 | 260-2502138-02 | Фланец с отражателем | |
| 19 | 260-1802042 | Втулка | |
| 20 | 260-1802038 | Шестерня высшей передачи в сборе | |
| 21 | 260-1802040 | Шестерня | |
| 22 | 260-1802247 | Гайка специальная | |
| 23 | 236-1701243 | Пружина тарельчатая | |
| 24 | 260-1803018 | Муфта | |
| 25 | 260-1802025 | Вал | |
| 26 | 6443-1802034 | Шестерня низшей передачи в сборе | |
| 27 | 6443-1802024 | Вал первичный в сборе | |
| 28 | 250871 | Гайка М16х1,5 | |
| 29 | 258054 | Шплинт 3,6х32 | |
| 30 | 260-1802177 | Втулка распорная | |
| 31 | 349509 | Гайка М39х2 | |
| 32 | 260-1802036 | Шестерня | |
| 33 | 50312 | Подшипник шариковый | |
| 34 | 260-1802103 | Кольцо упорное | |
| 35 | 260-1802124 | Шайба распорная | |
| 36 | 348502 | Болт М10х90 | |
| 37 | 250612 | Гайка М10 |
Содержащиеся в справочниках-каталогах запасные части и детали не предлагаются к продаже, а носят исключительно информационный характер