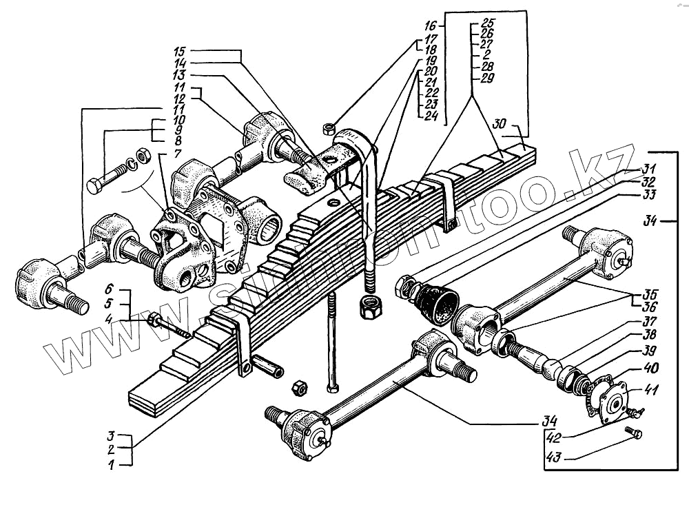
Каталог запасных частей к технике: КрАЗ-6322 (шасси). Рессоры задние и штанги реактивные
1
2
2
3
4
5
6
7
8
9
10
11
11
12
13
14
15
16
17
18
19
20
21
22
23
24
25
26
27
28
29
30
31
32
33
34
34
35
36
37
38
39
40
41
42
43
| Позиция на иллюстрации | Заводской номер детали | Название детали | |
|---|---|---|---|
| 1 | 256872 | Заклепка 12х32 | |
| 2 | 525-2902106-В | Лист № 6 | |
| 3 | 255Б-2912062-40 | Хомут | |
| 4 | 250514 | Гайка М12 | |
| 5 | 256Б-2912068 | Втулка распорная хомута | |
| 6 | 200384 | Болт М12х130 | |
| 7 | 219-2919070 | Кронштейн верхних реактивных штанг | |
| 8 | 291055 | Болт М14х1,5 | |
| 9 | 252138 | Шайба 14,2 | |
| 10 | 250559 | Гайка М14х1,5 | |
| 11 | 260-2919011-10 | Штанга реактивная верхняя в сборе | |
| 12 | 260-2919015-01 | Штанга реактивная с наконечниками | |
| 13 | 256Б-2912412-01 | Накладка рессоры | |
| 14 | 219-2912408 | Стремянка рессоры | |
| 15 | 349600 | Гайка | |
| 16 | 525-2902012-Б1 | Рессора задняя в сборе | |
| 17 | 250560 | Гайка М16 | |
| 18 | 256Б-2912032-10 | Болт центровой | |
| 19 | 525-2902115-В | Лист № 15 | |
| 20 | 525-2902114-В | Лист № 14 | |
| 21 | 525-2902113-В | Лист № 13 | |
| 22 | 525-2902112-В | Лист № 12 | |
| 23 | 525-2902111-В | Лист № 11 | |
| 24 | 525-2902110-В | Лист № 10 | |
| 25 | 525-2902109-В | Лист № 9 | |
| 26 | 525-2902108-В | Лист № 8 | |
| 27 | 525-2902107-В | Лист № 7 | |
| 28 | 525-2902105-В | Лист № 5 | |
| 29 | 525-2902104-В | Лист № 4 | |
| 30 | 256Б-2912102 | Листы № 1 и № 2 рессоры | |
| 31 | 349605 | Гайка | |
| 32 | 345302 | Шайба | |
| 33 | 214-2919058-02 | Кольцо уплотнительное | |
| 34 | 251-2919012 | Штанга реактивная нижняя в сборе | |
| 35 | 256Б1-2919016 | Штанга реактивная с наконечниками | |
| 36 | 251-2919034-01 | Сухарь внутренний | |
| 37 | 210-2919028-20 | Палец шаровой | |
| 38 | 251-2919036-01 | Сухарь наружный | |
| 39 | 251-2919022-01 | Пружина | |
| 40 | 251-2919064 | Прокладка крышки | |
| 41 | 251-2919060-10 | Крышка наконечника | |
| 42 | 264040 | Масленка 1/8" | |
| 43 | 201495 | Болт М10х1,5х20 |
Содержащиеся в справочниках-каталогах запасные части и детали не предлагаются к продаже, а носят исключительно информационный характер