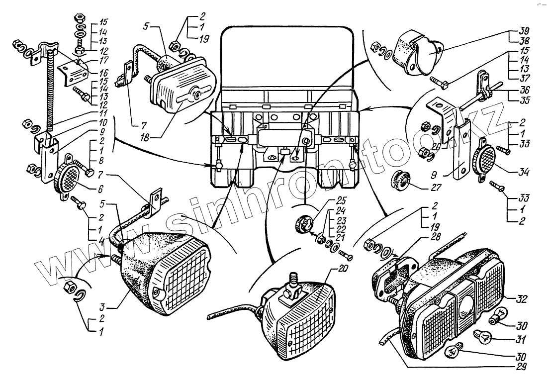
Каталог запасных частей к технике: КрАЗ-6322 (шасси). Приборы световые задние
1
1
1
1
1
1
1
2
2
2
2
2
2
2
3
4
5
5
6
7
7
8
9
9
10
11
12
12
13
13
13
14
14
14
15
15
15
16
17
18
19
19
20
21
22
23
24
25
26
27
27
28
29
29
30
30
31
32
33
33
34
35
36
36
37
38
39
| Позиция на иллюстрации | Заводской номер детали | Название детали | |
|---|---|---|---|
| 260Д-2802060 | 260Д-2802060 | Кронштейн правый | |
| 202147 | 202147 | Болт М16х1,5х50 | |
| 252037 | 252037 | Шайба 6 | |
| 252139 | 252139 | Шайба 16 ОТ | |
| 250-3506164 | 250-3506164 | Скоба 10 | |
| 260Д-2802061-1 | 260Д-2802061-1 | Кронштейн левый | |
| 65055-2802115 | 65055-2802115 | Кронштейн брызговика | |
| 6446-8208024 | 6446-8208024 | Кронштейн | |
| 6322-8208024 | 6322-8208024 | Кронштейн | |
| 256Б-3710070 | 256Б-3710070 | Кожух защитный | |
| 347920 | 347920 | Кляммер | |
| 201420 | 201420 | Болт М6х20 | |
| 201422 | 201422 | Болт М6х25 | |
| 201426 | 201426 | Болт М6х35 | |
| 256-3724061 | 256-3724061 | Втулка | |
| 250691 | 250691 | Гайка М16х1,5 | |
| 250-3724242 | 250-3724242 | Кант защитный | |
| 64431-3724245 | 64431-3724245 | Кант защитный | |
| 347910 | 347910 | Кляммер | |
| 1 | 252134 | Шайба 6Т | |
| 2 | 250508 | Гайка М6-6Н | |
| 3 | ФП135-3716010-Г | Фонарь заднего хода | |
| 4 | 201416 | Болт М6-6gх12 | |
| 5 | 256Б1-3724167 | Колпачок защитный | |
| 6 | ФП310Е-3731000-01 | Световозвращатель красного цвета | |
| 7 | 315203 | Скоба | |
| 8 | 220119 | Винт М6х50 | |
| 9 | 6437-8208045 | Планка | |
| 10 | 6437-8208043 | Скоба | |
| 11 | 6437-8208041 | Амортизатор | |
| 12 | 201458 | Болт М8х1,25х25 | |
| 13 | 252005 | Шайба 8,4 | |
| 14 | 252135 | Шайба 8,65Г.029 | |
| 15 | 250510 | Гайка М8х1,25 | |
| 16 | 6437-8208042 | Скоба | |
| 17 | 6322-8208026 | Кронштейн | |
| 18 | ФП134-3717010-Б | Фонарь освещения номерного знака П134 | |
| 19 | 252004 | Шайба 6,4 | |
| 20 | 2462.3716010 | Фонарь задний противотуманный | |
| 21 | 349005 | Винт М5х48 | |
| 22 | 345075 | Шайба | |
| 23 | 252133 | Шайба 5 | |
| 24 | 250464 | Гайка М5 | |
| 25 | 24.3723001СБ | Розетка переносной лампы | |
| 26 | 250Б-3506162 | Кронштейн крепления трубок | |
| 27 | 200-3724042 | Втулка | |
| 27 | 250-3408065 | Втулка предохранительная | |
| 28 | 258-3724043 | Кожух защитный разъема заднего фонаря | |
| 29 | 256Б-3724105 | Провод "массы" | |
| 29 | 256Б1-3724105-01 | Провод "массы" | |
| 30 | А24-21 | Лампа | |
| 31 | А24-5 | Лампа | |
| 32 | ФП133АБ-3716010 | Фонарь задний | |
| 33 | 220107 | Винт М6х20 | |
| 34 | ФП316-3731000-01 | Световозвращатель желтого цвета | |
| 35 | 250-3506163 | Скоба | |
| 36 | 315406 | Кляммер 8х10 | |
| 36 | 347985 | Кляммер 18,5 | |
| 37 | 201468 | Болт М8х1,25х50 | |
| 38 | ПС325-3723100 (2470/00.00) | Розетка прицепа | |
| 39 | ПС326-3723100 (23.3723100) | Розетка прицепа |
Содержащиеся в справочниках-каталогах запасные части и детали не предлагаются к продаже, а носят исключительно информационный характер