Вернуться на главную
Поиск
Каталоги запчастей к технике
Грузовые автомобили и прицепы
КрАЗ
КрАЗ-6322 (шасси)
Подвеска раздаточной коробки
Каталог запасных частей к технике: КрАЗ-6322 (шасси). Подвеска раздаточной коробки
zoom-in
zoom-out
enlarge
shrink
circle-right
circle-left
file-text2
info
cart
Тип техники
Не выбрано
Легковые автомобили
Грузовые автомобили и прицепы
Автобусы
Сельхозтехника
Спецтехника
Двигатели
Мототехника
Марка
Не выбрано
BAW
DAF
DongFeng
FAW
Foton
HOWO
Hyundai
IVECO
JAC Motors
LGMG
MAN
Shaanxi
SITRAK
Studebaker
Tata
Volvo
Автокомпонент Плюс
БелАЗ
Брянский Арсенал
ГАЗ
ЗИЛ
КАЗ
Камский автозавод
КрАЗ
Мадара
МАЗ
МЗКТ
МоАЗ
Нефтекамский автозавод
Ставропольский Завод АвтоПрицепов
ТАТРА
Тонар
УралАЗ
ЧМЗАП
Модель
Не выбрано
Доп. с двиг. Евро-2 (2008)
КрАЗ-250
КрАЗ-255
КрАЗ-256
КрАЗ-260
КрАЗ-6322 (2005)
КрАЗ-6322 (шасси) (2005)
КрАЗ-63221 (2005)
КрАЗ-64372, 6133М6 (2006)
КрАЗ-6443
КрАЗ-6443 (каталог 2004 г)
КрАЗ-64431-02 (2008)
КрАЗ-6446 (2005)
КрАЗ-65053-02 (2008)
КрАЗ-65055
КрАЗ-65055-02 (2008)
КрАЗ-6510 (1993)
КрАЗ-7133H4 (2006)
КрАЗ-7133С4 (2006)
Схема
>
Не выбрано
Кабина в сборе и крепление кабины
Стеклоочиститель
Стеклоомыватель
Дверь кабины
Сиденье водителя
Амортизатор сиденья водителя
Отопитель кабины
Трубопроводы системы отопления кабины
Отопитель кабины дополнительный и шланги
Зеркало заднего вида
Облицовка радиатора и капот
Замок капота
Крыло переднее и подножки
Платформа
Крепление силового агрегата
Подогреватель предпусковой
Баки топливные
Топливопроводы
Привод управления подачей топлива и остановом двигателя
Фильтр воздушный
Система выпуска отработавших газов
Радиатор с кожухом и расширительным бачком
Шторка радиатора с масляными радиаторами и привод шторки
Шторка радиатора
Привод управления сцеплением
Пневмогидроусилитель сцепления
Главный цилиндр выключения сцепления
Рычаг переключения передач
Подвеска раздаточной коробки
Картеры и крышки раздаточной коробки
Вал первичный в сборе
Вал промежуточный и масляный насос
Валы привода переднего и среднего мостов
Вал привода отбора мощности и механизм включения
Привод отбора мощности от первичного вала
Воздухопроводы управления раздаточной коробкой, коробкой отбора мощности и блокировкой дифференциалов мостов
Вал карданный привода переднего, среднего и заднего мостов
Вал карданный от коробки передач к раздаточной коробке
Мост передний (картер и редуктор)
Редуктор главной передачи переднего моста (картер с крышками)
Редуктор главной передачи переднего моста (валы и шестерни)
Дифференциал межколесный переднего моста
Опора шаровая переднего моста
Картер заднего и среднего мостов
Картер редуктора заднего и среднего мостов с крышками
Редуктор главной передачи заднего и среднего мостов (валы и шестерни)
Межколесный дифференциал заднего моста и полуоси заднего моста
Механизм блокировки межколесного дифференциала заднего моста
Удлинитель редуктора среднего моста
Рама
Рессоры передние
Амортизатор передней подвески
Рессоры задние и штанги реактивные
Балансиры задней подвески с осью
Колесо с шиной
Ступица переднего колеса с тормозным барабаном
Ступица заднего колеса с тормозным барабаном
Держатель запасного колеса
Кран управления давлением в шинах
Воздухопроводы системы накачки шин
Управление рулевое
Механизм рулевой с распределителем
Цилиндр силовой
Насос масляный
Бачок масляный
Тяги рулевые
Распределитель
Рулевая колонка с колесом
Механизмы тормозные передние
Механизмы тормозные задние
Педаль тормозная и привод управления двухсекционным тормозным краном
Воздухопроводы и аппараты тормозной системы
Управление стояночной тормозной системой
Установка и привод компрессора
Установка и привод компрессора (после внесения конструктивных изменений)
Картер и вал коленчатый компрессора
Головка и блок цилиндров компрессора
Влагомаслоотделитель с регулятором давления
Ресиверы
Кран тормозной двухсекционный с рычагом
Противозамерзатель
Клапан контрольного вывода и клапан обрыва
Клапан защитный четырехконтурный
Клапан ускорительный
Камера тормозная
Кран разобщительный и головки соединительные
Клапан управления тормозной системой прицепа с двухпроводным приводом
Регулятор тормозных сил
Кран тормозной обратного действия с ручным управлением
Клапан двухмагистральный
Электрооборудование
Аккумуляторные батареи
Приборы световые передние
Приборы световые задние
Сигналы звуковые
Фара-прожектор
Панель приборов
Устройство седельно-сцепное
Приборы буксирные задние
Лебедка
Вал карданный привода лебедки
1
1
2
2
2
2
2
3
3
4
4
5
6
6
7
8
8
9
10
11
12
13
14
14
15
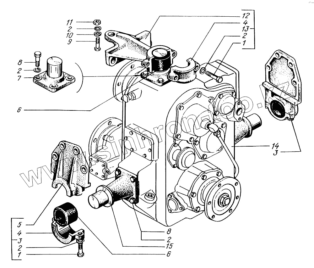
Позиция на иллюстрации
Заводской номер детали
Название детали
1
202148
Болт М16х1,5х55
2
252139
Шайба 16 ОТ
3
260-1801043
Кронштейн крепления раздаточной коробки в сборе
4
260-1801046
Крышка
5
260-1801044-01
Кронштейн
6
260-1801030
Подушка
7
260-1801049
Кронштейн подвески раздаточной коробки
8
202145
Болт М16х1,5х45
9
202147
Болт М16х1,5х50
10
252017
Шайба 16
11
250691
Гайка М16х1,5
12
260Г-1801012
Кронштейн верхний
13
260Г-1801010
Кронштейн верхний в сборе
14
6322-1800010
Коробка раздаточная в сборе
14
6446-1800010
Коробка раздаточная в сборе
15
260-1801022
Кронштейн
Содержащиеся в справочниках-каталогах запасные части и детали не предлагаются к продаже, а носят исключительно информационный характер
Дополнительная информация
×
Название:
Номер:
Примечание: