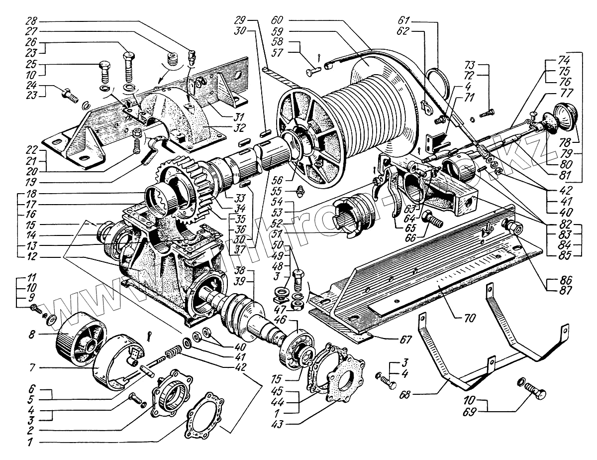
Каталог запасных частей к технике: КрАЗ-6322 (шасси). Лебедка
1
1
2
3
3
3
4
4
4
5
6
7
8
9
10
10
10
11
12
13
14
15
15
16
17
18
19
20
21
22
23
23
24
25
26
27
28
29
30
30
31
32
33
34
35
36
37
38
39
40
40
41
41
42
42
43
44
45
46
47
48
49
50
51
52
53
54
55
56
57
58
59
60
61
62
63
64
65
66
67
68
69
70
71
72
73
74
75
76
77
78
79
80
81
82
83
84
85
86
87
| Позиция на иллюстрации | Заводской номер детали | Название детали | |
|---|---|---|---|
| 260-4504215 | 260-4504215 | Блок заднего выдающего устройства троса лебедки | |
| 260-4505150 | 260-4505150 | Блок натяжения троса | |
| 214-3907023-Б | 214-3907023-Б | Клин коуша | |
| 214-3907020-Б | 214-3907020-Б | Коуш троса | |
| 6322-4504131 | 6322-4504131 | Кронштейн | |
| 260-4504060-012 | 260-4504060-012 | Кронштейн поддерживающего ролика | |
| 260-4504290 | 260-4504290 | Кронштейн роликов | |
| 6322-4504138 | 6322-4504138 | Кронштейн троса | |
| 260-4505295 | 260-4505295 | Опора верхнего основания | |
| 260-4504298 | 260-4504298 | Основание задних блоков | |
| 260-4504278 | 260-4504278 | Ось блока | |
| 260-4505092 | 260-4505092 | Ролик поддерживающий | |
| 260-4504064 | 260-4504064 | Ролик поддерживающий | |
| 260-4504186 | 260-4504186 | Ролик направляющий задний | |
| 250-4504180 | 250-4504180 | Ролик поддерживающий передний | |
| 1 | 214-4501157 | Прокладка уплотнительная картера тормоза | |
| 2 | 255Б1-4501154 | Картер тормоза редуктора | |
| 3 | 252139 | Шайба 16 ОТ | |
| 4 | 202119 | Болт М16х2х40 | |
| 5 | 214-4501174 | Палец тормозной ленты | |
| 6 | 258071 | Шплинт 5х45 | |
| 7 | 255Б1-4501158 | Лента тормоза с накладками | |
| 8 | 255Б1-4501150 | Барабан тормоза | |
| 9 | 312342 | Шайба упорная | |
| 10 | 252137 | Шайба 12 ОТ | |
| 11 | 201544 | Болт М12х1,75х40 | |
| 12 | 214-4501020-11 | Картер редуктора | |
| 13 | 346018 | Штифт 5х12 | |
| 14 | 60412 | Подшипник | |
| 15 | 214-4501100 | Манжета | |
| 16 | 214-4501016-10 | Картер редуктора лебедки с крышкой в сборе | |
| 17 | 214-4501046 | Прокладка крышки | |
| 18 | 214-4501022 | Втулка вала лебедки | |
| 19 | 214-4501050 | Маслосъемник редуктора | |
| 20 | 220083 | Винт М5-6gх22 | |
| 21 | 252133 | Шайба 5 | |
| 22 | 250464 | Гайка М5 | |
| 23 | 252141 | Шайба 20,5 | |
| 24 | 348547 | Болт М20х1,5х47 | |
| 25 | 201542 | Болт М12х35 | |
| 26 | 200977 | Болт М20х70 | |
| 27 | 262507 | Пробка КГЗ/8" | |
| 28 | 214-2401025 | Сапун редуктора лебедки | |
| 29 | 214Б-4504013-А | Трос лебедки | |
| 30 | 347133 | Шплинт | |
| 31 | 260-4501210 | Угольник крепления лебедки задний | |
| 32 | 214Б-4501045-01 | Крышка картера | |
| 33 | 214Б-4501116 | Втулка барабана | |
| 34 | 255Б-4501128 | Шайба | |
| 35 | 255Б-4501035 | Колесо червячное | |
| 36 | 260-4501030 | Вал лебедки в сборе | |
| 37 | 260-4501034 | Вал лебедки | |
| 38 | 347017 | Шпонка | |
| 39 | 214Б-4501060-01 | Червяк редуктора | |
| 40 | 250512 | Гайка М10х1,5 | |
| 41 | 252006 | Шайба 10,5 | |
| 42 | 214Б-4503066 | Пружина тормоза | |
| 43 | 214-4501080 | Крышка подшипника с сальником | |
| 44 | 214-4501098 | Прокладка 0,1 мм | |
| 45 | 214-4501099 | Прокладка 0,5 мм | |
| 46 | 412 | Подшипник шариковый | |
| 47 | 250561 | Гайка М16х1,5 | |
| 48 | 260-2806019 | Планка крепления лебедки | |
| 49 | 252017 | Шайба 16 | |
| 50 | 348531 | Болт М16х1,5х75 | |
| 51 | 255Б-4503020-02 | Муфта кулачковая | |
| 52 | 258056 | Шплинт 3,6х40 | |
| 53 | 311602 | Гайка | |
| 54 | 258052 | Шплинт 3,6х20 | |
| 55 | 264020 | Масленка К1/8" | |
| 56 | 260-4501076 | Кольцо | |
| 57 | 260058 | Палец 10х30 | |
| 58 | 258039 | Шплинт 3,2х20 | |
| 59 | 214Б-4501110 | Барабан лебедки в сборе | |
| 60 | 255Б1-4503050 | Лента предохранительная тормоза | |
| 61 | 214-4501120-10 | Кольцо упорное барабана | |
| 62 | 255Л-4504026 | Зажим крепления троса | |
| 63 | 214-4503048 | Ось вилки | |
| 64 | 264040 | Масленка 1/8" | |
| 65 | 214Б-4503034 | Вилка включения муфты | |
| 66 | 310688 | Болт М30 | |
| 67 | 260-4501220 | Прокладка | |
| 68 | 260-4501240 | Ограничитель навивки троса | |
| 69 | 201540 | Болт М12х30 | |
| 70 | 260-4501200 | Угольник крепления лебедки передний | |
| 71 | 260-4503170 | Кронштейн рычага | |
| 72 | 252136 | Шайба 10,2 | |
| 73 | 201495 | Болт М10х1,5х20 | |
| 74 | 214-4503156 | Тяга | |
| 75 | 214-4503158 | Пружина | |
| 76 | 214-4503160 | Палец | |
| 77 | 252704 | Заклепка | |
| 78 | 256Б1-1702159 | Рукоятка | |
| 79 | 260-4503100 | Рычаг включения муфты в сборе | |
| 80 | 214-4503150 | Рукоятка рычага | |
| 81 | 260-4503101 | Рычаг муфты | |
| 82 | 242471 | Винт М5х12 | |
| 83 | 214-4501235 | Втулка опоры | |
| 84 | 260-4501230-01 | Опора вала в сборе | |
| 85 | 260-4501234 | Опора | |
| 86 | 252165 | Шайба 30 | |
| 87 | 349601 | Гайка М30 |
Содержащиеся в справочниках-каталогах запасные части и детали не предлагаются к продаже, а носят исключительно информационный характер