Каталог запасных частей к технике: КрАЗ-6322 (шасси). Аккумуляторные батареи
1
2
3
4
5
5
5
6
6
6
7
7
8
9
10
11
12
12
12
13
13
14
15
16
17
18
19
20
21
22
23
24
25
26
28
28
29
30
31
32
33
34
35
36
37
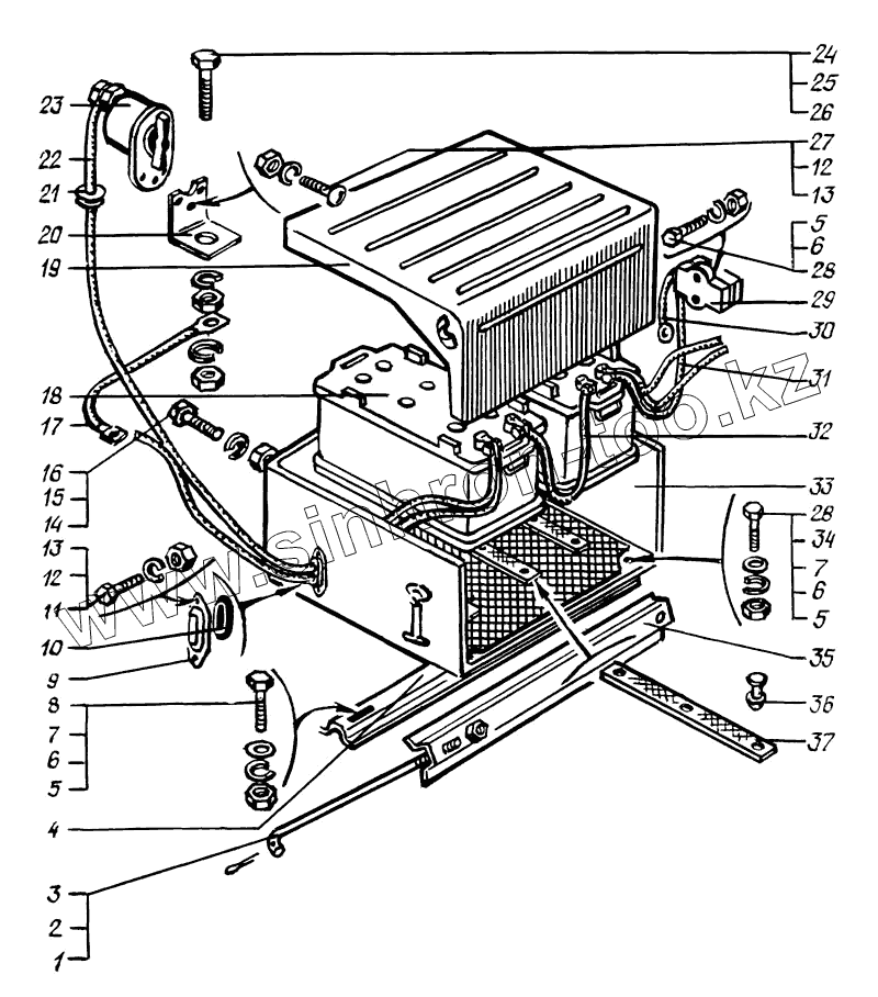
| Позиция на иллюстрации | Заводской номер детали | Название детали | |
|---|---|---|---|
| 1 | 258025 | Шплинт 2,5х20 | |
| 2 | 255Б-3703112-Б | Тяга | |
| 3 | 255Б-3703113-Б | Гайка | |
| 4 | 250-3703042 | Планка опорная ящика | |
| 5 | 250510 | Гайка М8х1,25 | |
| 6 | 252135 | Шайба 8,65Г.029 | |
| 7 | 252038 | Шайба 8 | |
| 8 | 210384 | Болт М8х45 | |
| 9 | 255-3408065 | Обойма уплотнителя | |
| 10 | 255-3724024-А | Уплотнитель | |
| 11 | 201420 | Болт М6х20 | |
| 12 | 220105 | Винт М6х16 | |
| 12 | 252134 | Шайба 6Т | |
| 13 | 250508 | Гайка М6-6Н | |
| 14 | 250561 | Гайка М16х1,5 | |
| 15 | 252139 | Шайба 16 ОТ | |
| 16 | 202147 | Болт М16х1,5х50 | |
| 17 | 260-3724064-01 | Провод "массы" кабина-рама | |
| 18 | 6СТ-190А-ч | Аккумуляторная батарея | |
| 19 | 260-3703170 | Крышка контейнера аккумуляторных батарей с уплотнительными прокладками | |
| 20 | 6510-3704012 | Кронштейн выключателя "массы" | |
| 21 | 200-3802038 | Втулка | |
| 22 | 260-3724062-10 | Провод от аккумуляторных батарей к выключателю "массы" | |
| 23 | ВК318Б-3704000 | Выключатель "массы" | |
| 24 | 201499 | Болт М10х30 | |
| 25 | 252136 | Шайба 10,2 | |
| 26 | 250612 | Гайка М10 | |
| 28 | 201468 | Болт М8х1,25х50 | |
| 29 | ПС315-3723100 | Розетка внешнего пуска | |
| 30 | 260-3724253-10 | Провод "массы" розетки внешнего пуска | |
| 31 | 260-3724252-02 | Провод от аккумуляторных батарей к розетке внешнего пуска | |
| 32 | 260-3724059-10 | Перемычка аккумуляторных батарей | |
| 33 | 6510-3703104 | Контейнер аккумуляторных батарей | |
| 34 | 201456 | Болт М8х1,25х20 | |
| 35 | 255Б-3703162-Б | Планка прижимная | |
| 36 | 250-5312052 | Скрепка | |
| 37 | 6510-3703154 | Прокладка |
Содержащиеся в справочниках-каталогах запасные части и детали не предлагаются к продаже, а носят исключительно информационный характер