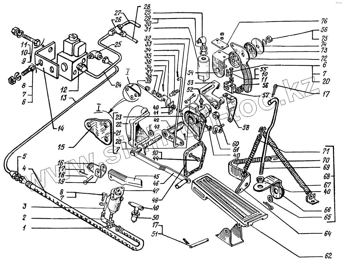
Каталог запасных частей к технике: КрАЗ-63221. Привод управления подачей топлива и остановом двигателя
1
2
3
4
5
6
6
7
7
7
7
8
8
9
10
10
10
11
11
12
13
14
15
16
17
17
17
18
19
20
20
21
22
23
24
25
25
26
27
28
29
30
31
32
33
34
34
35
36
37
38
39
40
40
40
41
42
43
44
45
46
47
48
49
50
51
52
53
54
55
56
56
57
58
60
61
62
64
65
66
67
68
69
70
71
72
73
74
75
76
| Позиция на иллюстрации | Заводской номер детали | Название детали | |
|---|---|---|---|
| 347502 | 347502 | Штуцер К1/8"хМ10х1 | |
| 6443-1108011 | 6443-1108011 | Рычаг в сборе | |
| 1 | 260-1723114 | Тройник специальный | |
| 2 | 347243 | Угольник К1/8"хМ16х1,5 | |
| 3 | 260-3570324 | Трубопровод подводящий | |
| 4 | 6510-1804233 | Шланг к пневмокамере блока дифференциала заднего моста | |
| 5 | 346837 | Штуцер М10х1хМ10х1 | |
| 6 | 250508 | Гайка М6-6Н | |
| 7 | 252134 | Шайба 6Т | |
| 8 | 201418 | Болт М6х1х16 | |
| 9 | 200272 | Болт М8-6gх65 | |
| 10 | 252135 | Шайба 8,65Г.029 | |
| 11 | 250510 | Гайка М8х1,25 | |
| 12 | 11-3745000-21 | Клапан с электромагнитом | |
| 13 | 6443-3570162 | Трубопровод от пневмоклапана к электро-пневмоклапану | |
| 14 | 6443-3570060 | Кронштейн | |
| 15 | 6443-1108099 | Кронштейн рычага | |
| 16 | 256Б-3570124 | Пружина педали | |
| 17 | 258039 | Шплинт 3,2х20 | |
| 18 | 260061 | Палец 10х38 | |
| 19 | 250-3570122 | Кронштейн педали управления вспомогательным тормозом | |
| 20 | 201420 | Болт М6х20 | |
| 21 | 250-1108012 | Кронштейн педали управления подачей топлива в сборе | |
| 22 | 250-1108026 | Крышка корпуса кронштейна педали | |
| 23 | 250-1108025 | Корпус кронштейна педали управления подачей топлива | |
| 24 | 6443-3570310 | Трубопровод от электропневмоклапана к тройнику | |
| 25 | 347214 | Угольник К1/8"хМ10х1 | |
| 26 | 347369 | Тройник проходной 6 | |
| 27 | 6443-3570144 | Трубопровод к силовому цилиндру | |
| 28 | 6443-3570306 | Трубопровод вспомогательного тормоза | |
| 29 | 250636 | Гайка М16х1,5-6Н | |
| 30 | 252139 | Шайба 16 ОТ | |
| 31 | 250-3570126-01 | Цилиндр силовой | |
| 32 | 6443-1108051 | Тяга | |
| 33 | 250-1108128 | Тяга рычага ручного управления подачей топлива | |
| 34 | 258025 | Шплинт 2,5х20 | |
| 35 | 260-1108061 | Палец шаровой | |
| 36 | 250-1108057 | Наконечник тяги рычага управления подачей топлива левый | |
| 37 | 250-1108058 | Пружина наконечника тяги рычага управления подачей топлива | |
| 38 | 250-1108059 | Сухарь наконечника тяги рычага управления подачей топлива | |
| 39 | 250-1108060 | Пробка наконечника тяги рычага управления подачей топлива | |
| 40 | 349708 | Гайка М8 | |
| 41 | 250-1108132-01 | Кронштейн пружины | |
| 42 | 250-1108270-01 | Рычаг ручного управления подачей топлива | |
| 43 | 252018 | Шайба 19 | |
| 44 | 201456 | Болт М8х1,25х20 | |
| 45 | 250-3570120 | Педаль вспомогательной тормозной системы | |
| 46 | 6443-1108015 | Рычаг | |
| 47 | 256Б1-3570090 | Пневмоклапан | |
| 48 | 250-1108134 | Прокладка корпуса педали | |
| 49 | 347388 | Тройник | |
| 50 | АДЮИ.407529.003 | Включатель электромагнита | |
| 51 | 6505-1108020 | Ось педали | |
| 52 | 264020 | Масленка К1/8" | |
| 53 | 6505-1108300 | Рычаг останова двигателя | |
| 54 | 250-1108288 | Кронштейн ручки тяги рычага ручного управления подачей топлива | |
| 55 | 201466* | Болт М8х45 | |
| 56 | 250615 | Гайка М12х1,25 | |
| 57 | 6505-1108041 | Втулка рычага | |
| 58 | 6443-1108033 | Рычаг | |
| 60 | 250-1108081 | Втулка распорная | |
| 61 | 250-1108056 | Наконечник тяги | |
| 62 | 6505-1108014 | Педаль управления подачей топлива | |
| 64 | 260-1108023 | Кронштейн пружины | |
| 65 | 252006 | Шайба 10,5 | |
| 66 | 260-1108310-01 | Кронштейн тяги | |
| 67 | 250-1108036-10 | Пружина возвратная | |
| 68 | 260-1108306-01 | Тяга рычага останова двигателя в сборе | |
| 69 | 260-1108308 | Тяга рычага останова двигателя | |
| 70 | 260Т-1108131 | Пружина возвратная | |
| 71 | 260Т-1108036 | Пружина | |
| 72 | 250-1108124 | Ручка тяги рычага ручного управления подачей топлива | |
| 73 | 206-1108279 | Шайба фрикционная асбестовая | |
| 74 | 256Т-1108284 | Шайба фасонная | |
| 75 | 252137 | Шайба 12 ОТ | |
| 76 | 250-1108295-01 | Усилитель кронштейна |
Содержащиеся в справочниках-каталогах запасные части и детали не предлагаются к продаже, а носят исключительно информационный характер