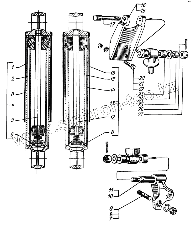
Каталог запасных частей к технике: КрАЗ-63221. Амортизатор передней подвески
1
2
3
4
5
6
6
7
8
9
10
11
12
13
14
15
16
17
18
19
20
21
22
23
24
25
26
27
| Позиция на иллюстрации | Заводской номер детали | Название детали | |
|---|---|---|---|
| 1 | 15.2905446-21 | Кожух | |
| 2 | 15.2905318-21 | Цилиндр | |
| 3 | 15.2905310-21 | Корпус с головкой | |
| 4 | А1-300/475.2905006 | Амортизатор в сборе | |
| 5 | А1-300/475.307 | Шток амортизатора с уплотнением и поршнем | |
| 6 | 64221-2705380-01 | Клапан сжатия | |
| 7 | 250584 | Гайка М22х1,5 | |
| 8 | 252142 | Шайба 22 | |
| 9 | 348836 | Шпилька | |
| 10 | 260Г-2905420 | Кронштейн амортизатора правый | |
| 11 | 260Г-2905421 | Кронштейн амортизатора левый | |
| 12 | А1-275/475.307 | Шток амортизатора с уплотнением и поршнем | |
| 13 | А1-275/475.2905006 | Амортизатор в сборе | |
| 14 | 5335-2905318 | Цилиндр амортизатора | |
| 15 | 5335-2905310-10 | Корпус амортизатора | |
| 16 | 5335-2905446 | Кожух амортизатора | |
| 17 | 256Б-2905470-12 | Палец головки амортизатора | |
| 18 | 250-2905540-11 | Кронштейн амортизатора верхний правый | |
| 19 | 250-2905541-11 | Кронштейн амортизатора верхний левый | |
| 20 | 250561 | Гайка М16х1,5 | |
| 21 | 252139 | Шайба 16 ОТ | |
| 22 | 202145 | Болт М16х1,5х45 | |
| 23 | 500А-2905410 | Втулка амортизатора | |
| 24 | 210-3105125 | Пружина тарельчатая | |
| 25 | 256Б-2905473-Б | Втулка распорная | |
| 26 | 258056 | Шплинт 3,6х40 | |
| 27 | 311703 | Гайка М24х2 |
Содержащиеся в справочниках-каталогах запасные части и детали не предлагаются к продаже, а носят исключительно информационный характер