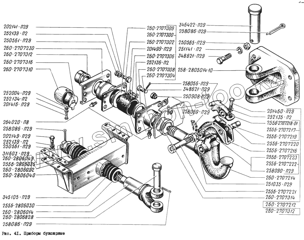
Каталог запасных частей к технике: КрАЗ-260. Приборы буксирные
255Б-2806035
260-2806052
260-2707230
260-2806040
260-2806049
255Б-2707219
255Б-2707218-01
255Б-2707217
255Б-2806030
260-2707308
260-2707309
255Б-2707223
255Б-2707222
260-2707310
346422-П29
252004-П29
252134-П2
252135-П2
252136-П2
252139-П2
252139-П2
345105-П29
251141-П2
260-2707316
258056-П29
258069-П29
258086-П29
258086-П29
258086-П29
258090-П29
311603-П29
201460-П29
201499-П29
202141-П29
202149-П29
348621-П29
348621-П29
260-2707306
260-2806014
258-2805014-10
260-2707312
260-2707312
250561-П29
250561-П29
250908-П29
251035-П29
201416-П29
250565-П29
260-2707314
255Б-2707216
260-2707302
260-2707300
260-2707304
260-2707214
260-2707212
264020-П8
255Б-2707220
255Б-2707221
260-2806028
| Позиция на иллюстрации | Заводской номер детали | Название детали | |
|---|---|---|---|
| 255Б-2806035 | 255Б-2806035 | Шайба специальная | |
| 260-2806052 | 260-2806052 | Пластина | |
| 260-2707230 | 260-2707230 | Поперечина буксирного прибора | |
| 260-2806040 | 260-2806040 | Поперечина в сборе | |
| 260-2806049 | 260-2806049 | Прокладка | |
| 255Б-2707219 | 255Б-2707219 | Пружина собачки | |
| 255Б-2707218-01 | 255Б-2707218-01 | Собачка | |
| 255Б-2707217 | 255Б-2707217 | Собачка защелки с пружиной в сборе | |
| 255Б-2806030 | 255Б-2806030 | Элемент упругий | |
| 260-2707308 | 260-2707308 | Фланец задний | |
| 260-2707309 | 260-2707309 | Фланец передний | |
| 255Б-2707223 | 255Б-2707223 | Цепочка со шплинтом | |
| 255Б-2707222 | 255Б-2707222 | Цепочка со шплинтом в сборе | |
| 260-2707310 | 260-2707310 | Чехол гайки | |
| 346422-П29 | 346422-П29 | Палец 35х126 | |
| 252004-П29 | 252004-П29 | Шайба 6 | |
| 252134-П2 | 252134-П2 | Шайба 6 пружинная | |
| 252135-П2 | 252135-П2 | Шайба 8 пружинная | |
| 252136-П2 | 252136-П2 | Шайба 10 пружинная | |
| 252139-П2 | 252139-П2 | Шайба 16 пружинная | |
| 345105-П29 | 345105-П29 | Шайба | |
| 251141-П2 | 251141-П2 | Шайба (только для модели КрАЗ-260В) | |
| 252141-П2 | 252141-П2 | Шайба 20 пружинная | |
| 260-2707316 | 260-2707316 | Шайба стопорная | |
| 258056-П29 | 258056-П29 | Шплинт разводной 4х40 | |
| 258069-П29 | 258069-П29 | Шплинт разводной 5х36 | |
| 258086-П29 | 258086-П29 | Шплинт разводной 6,3х60 | |
| 258090-П29 | 258090-П29 | Шплинт 6,3х100 | |
| 311603-П29 | 311603-П29 | Гайка | |
| 201460-П29 | 201460-П29 | Болт М8х1,25х30 | |
| 201499-П29 | 201499-П29 | Болт М10х1,5х30 | |
| 202141-П29 | 202141-П29 | Болт М16х1,5х35 | |
| 202149-П29 | 202149-П29 | Болт М16х1,5х60 | |
| 348621-П29 | 348621-П29 | Болт М20х1,5х35 | |
| 348621-П29 | 348621-П29 | Болт М20х1,5х35 | |
| 260-2707306 | 260-2707306 | Буфер | |
| 260-2806014 | 260-2806014 | Вилка | |
| 258-2805014-10 | 258-2805014-10 | Вилка буксирная задняя | |
| 260-2707312 | 260-2707312 | Гайка | |
| 250561-П29 | 250561-П29 | Гайка М16х1,5 | |
| 250908-П29 | 250908-П29 | Гайка М20х1,5 | |
| 251035-П29 | 251035-П29 | Гайка М24х2 | |
| 201416-П29 | 201416-П29 | Болт М6х1х12 | |
| 250565-П29 | 250565-П29 | Гайка М20х1,5 | |
| 260-2707314 | 260-2707314 | Грязеотражатель крюка | |
| 255Б-2707216 | 255Б-2707216 | Защелка буксирного крюка | |
| 260-2707302 | 260-2707302 | Корпус | |
| 260-2707300 | 260-2707300 | Корпус в сборе | |
| 260-2707304 | 260-2707304 | Крышка | |
| 260-2707214 | 260-2707214 | Крюк | |
| 260-2707212 | 260-2707212 | Крюк буксирный в сборе | |
| 264020-П8 | 264020-П8 | Пресс-масленка 1/8" | |
| 255Б-2707220 | 255Б-2707220 | Ось собачки | |
| 255Б-2707221 | 255Б-2707221 | Палец защелки | |
| 260-2806028 | 260-2806028 | Палец |
Содержащиеся в справочниках-каталогах запасные части и детали не предлагаются к продаже, а носят исключительно информационный характер