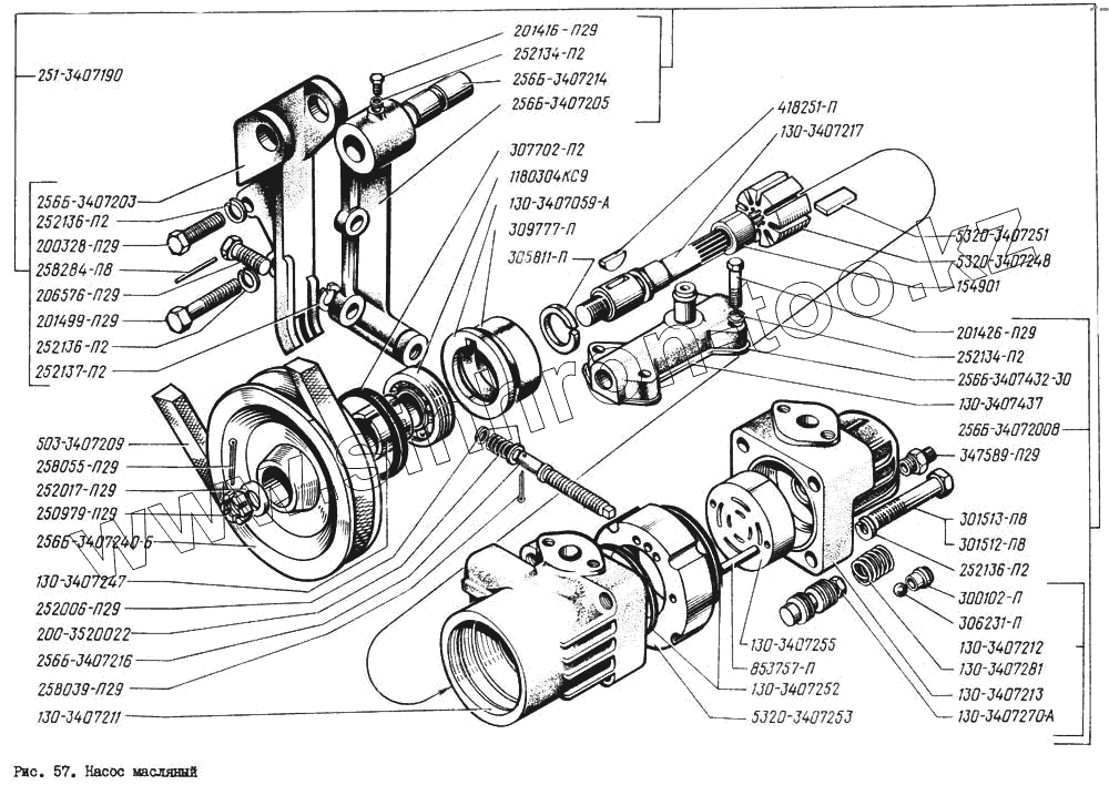
Каталог запасных частей к технике: КрАЗ-260. Насос масляный
252137-П2
154901
130-3407437
130-3407059-А
200-3520022
130-3407281
503-3407209
5320-3407248
300102-П
5320-3407253
252006-П29
252134-П2
252134-П2
252136-П2
252136-П2
252136-П2
256Б-3407214
305811-П
252017-П29
306231-П
1180304КС9
256Б-3407240-Б
258039-П29
258055-П29
258284-П8
418251-П
853757-П
347589-П29
256Б-3407432-30
201416-П29
201426-П29
201499-П29
206576-П29
301512-П8
301513-П8
130-3407217
256Б-3407216
130-3407247
250979-П29
130-3407255
130-3407270-А
200328-П29
307702-П2
130-3407252
130-3407211
256Б-3407203
256Б-3407205
130-3407213
130-3407212
5320-3407251
309777-П
256Б-3407200-В
251-3407190
| Позиция на иллюстрации | Заводской номер детали | Название детали | |
|---|---|---|---|
| 252137-П2 | 252137-П2 | Шайба 12 пружинная | |
| 154901 | 154901 | Подшипник игольчатый | |
| 130-3407437 | 130-3407437 | Прокладка уплотнительная коллектора | |
| 130-3407059-А | 130-3407059-А | Проставка насоса | |
| 200-3520022 | 200-3520022 | Пружина регулировочного винта | |
| 130-3407281 | 130-3407281 | Пружина перепускного клапана | |
| 503-3407209 | 503-3407209 | Ремень привода насоса | |
| 5320-3407248 | 5320-3407248 | Ротор насоса | |
| 300102-П | 300102-П | Седло уплотнительное перепускного клапана | |
| 5320-3407253 | 5320-3407253 | Статор насоса | |
| 252006-П29 | 252006-П29 | Шайба 10 | |
| 252134-П2 | 252134-П2 | Шайба 6 пружинная | |
| 252136-П2 | 252136-П2 | Шайба 10 пружинная | |
| 256Б-3407214 | 256Б-3407214 | Ось кронштейна | |
| 305811-П | 305811-П | Шайба | |
| 252017-П29 | 252017-П29 | Шайба 16 | |
| 306231-П | 306231-П | Шарик-клапан | |
| 1180304КС9 | 1180304КС9 | Подшипник шариковый радиальный | |
| 256Б-3407240-Б | 256Б-3407240-Б | Шкив насоса | |
| 258039-П29 | 258039-П29 | Шплинт разводной 3х20 | |
| 258055-П29 | 258055-П29 | Шплинт разводной 4х36 | |
| 258284-П8 | 258284-П8 | Шплинт-проволока 1,6х250 | |
| 418251-П | 418251-П | Шпонка сегментная | |
| 853757-П | 853757-П | Штифт установочный | |
| 347589-П29 | 347589-П29 | Штуцер ввертной | |
| 256Б-3407432-30 | 256Б-3407432-30 | Коллектор насоса | |
| 201416-П29 | 201416-П29 | Болт М6х1х12 | |
| 201426-П29 | 201426-П29 | Болт М6х1х35 | |
| 201499-П29 | 201499-П29 | Болт М10х1,5х30 | |
| 206576-П29 | 206576-П29 | Болт М12х30 | |
| 301512-П8 | 301512-П8 | Болт | |
| 301513-П8 | 301513-П8 | Болт | |
| 130-3407217 | 130-3407217 | Валик насоса | |
| 256Б-3407216 | 256Б-3407216 | Винт регулировочный | |
| 130-3407247 | 130-3407247 | Втулка шкива | |
| 250979-П29 | 250979-П29 | Гайка | |
| 130-3407255 | 130-3407255 | Диск распределительный | |
| 130-3407270-А | 130-3407270-А | Клапан перепускной в сборе | |
| 200328-П29 | 200328-П29 | Болт М10х95 | |
| 307702-П2 | 307702-П2 | Кольцо стопорное | |
| 130-3407252 | 130-3407252 | Кольцо уплотнительное | |
| 130-3407211 | 130-3407211 | Корпус насоса | |
| 256Б-3407203 | 256Б-3407203 | Кронштейн неподвижный | |
| 256Б-3407205 | 256Б-3407205 | Кронштейн подвижный | |
| 130-3407213 | 130-3407213 | Крышка насоса | |
| 130-3407212 | 130-3407212 | Крышка насоса с предохранительным клапаном в сборе | |
| 5320-3407251 | 5320-3407251 | Лопасть ротора | |
| 309777-П | 309777-П | Манжета 24х46 | |
| 256Б-3407200-В | 256Б-3407200-В | Насос гидроусилителя в сборе | |
| 251-3407190 | 251-3407190 | Насос гидроусилителя руля с натяжным устройством |
Содержащиеся в справочниках-каталогах запасные части и детали не предлагаются к продаже, а носят исключительно информационный характер