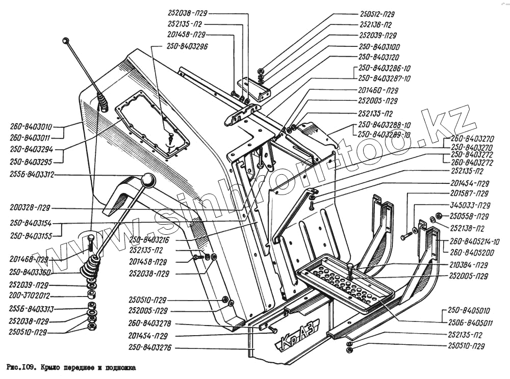
Каталог запасных частей к технике: КрАЗ-260. Крыло переднее и подножка
250-8403289-10
260-8403010
250-8403295
250-8403294
260-8403278
250Б-8405011
250-8405010
250-8403216
250-8403272
260-8403272
250-8403296
250-8403360
260-8403011
250-8403288-10
250-8403120
255Б-8403313
252005-П29
252005-П29
252005-П29
252038-П29
252038-П29
252038-П29
252039-П29
252039-П29
252135-П2
252135-П2
252135-П2
252135-П2
252135-П2
252136-П2
252138-П2
345033-П29
250-8403276
201454-П29
201454-П29
201458-П29
201458-П29
201460-П29
201468-П29
201587-П29
210384-П29
250-8403287-10
250-8403286-10
250-8403270
260-8403270
200328-П29
200-3702012
250510-П29
250510-П29
250510-П29
250512-П29
250558-П29
255Б-8403312
250-8403100
250-8403155
250-8403154
260-8405214-10
260-8405200
| Позиция на иллюстрации | Заводской номер детали | Название детали | |
|---|---|---|---|
| 250-8403289-10 | 250-8403289-10 | Угольник брызговика левый | |
| 260-8403010 | 260-8403010 | Крыло правое | |
| 250-8403295 | 250-8403295 | Накладка крыла левая | |
| 250-8403294 | 250-8403294 | Накладка крыла правая | |
| 260-8403278 | 260-8403278 | Накладка нижнего брызговика | |
| 250Б-8405011 | 250Б-8405011 | Подножка левая | |
| 250-8405010 | 250-8405010 | Подножка правая | |
| 250-8403216 | 250-8403216 | Прокладка крыла задняя | |
| 250-8403272 | 250-8403272 | Распорка брызговика крыла левая | |
| 260-8403272 | 260-8403272 | Распорка брызговика крыла правая | |
| 250-8403296 | 250-8403296 | Скрепка | |
| 250-8403360 | 250-8403360 | Стержень габаритного указателя | |
| 260-8403011 | 260-8403011 | Крыло левое | |
| 250-8403288-10 | 250-8403288-10 | Угольник брызговика правый | |
| 250-8403120 | 250-8403120 | Угольник крепления крыла | |
| 255Б-8403313 | 255Б-8403313 | Шайба | |
| 252005-П29 | 252005-П29 | Шайба 8 | |
| 252038-П29 | 252038-П29 | Шайба 8 | |
| 252039-П29 | 252039-П29 | Шайба 10 | |
| 252135-П2 | 252135-П2 | Шайба 8 пружинная | |
| 252136-П2 | 252136-П2 | Шайба 10 пружинная | |
| 252138-П2 | 252138-П2 | Шайба 14 пружинная | |
| 345033-П29 | 345033-П29 | Шайба | |
| 250-8403276 | 250-8403276 | Брызговик крыла нижний | |
| 201454-П29 | 201454-П29 | Болт М8х1,25х16 | |
| 201458-П29 | 201458-П29 | Болт М8х1,25х25 | |
| 201460-П29 | 201460-П29 | Болт М8х1,25х30 | |
| 201468-П29 | 201468-П29 | Болт М8х1,25х50 | |
| 201587-П29 | 201587-П29 | Болт М14х2х35 | |
| 210384-П29 | 210384-П29 | Болт М8х1,25х45 | |
| 250-8403287-10 | 250-8403287-10 | Брызговик крыла боковой левый | |
| 250-8403286-10 | 250-8403286-10 | Брызговик крыла боковой правый | |
| 250-8403270 | 250-8403270 | Брызговик крыла задний левый | |
| 260-8403270 | 260-8403270 | Брызговик крыла задний правый | |
| 200328-П29 | 200328-П29 | Болт М10х95 | |
| 200-3702012 | 200-3702012 | Буфер тяги ограничителя | |
| 250510-П29 | 250510-П29 | Гайка М8 | |
| 250512-П29 | 250512-П29 | Гайка М10х1,5 | |
| 250558-П29 | 250558-П29 | Гайка М14х2 | |
| 255Б-8403312 | 255Б-8403312 | Головка габаритного указателя | |
| 250-8403100 | 250-8403100 | Кронштейн крепления крыла | |
| 250-8403155 | 250-8403155 | Кронштейн крепления крыла нижний левый | |
| 250-8403154 | 250-8403154 | Кронштейн крепления крыла нижний правый | |
| 260-8405214-10 | 260-8405214-10 | Кронштейн подножки левый | |
| 260-8405200 | 260-8405200 | Кронштейн подножки правый |
Содержащиеся в справочниках-каталогах запасные части и детали не предлагаются к продаже, а носят исключительно информационный характер