Каталог запасных частей к технике: КрАЗ-260. Гидроусилитель рулевого управления (цилиндр силовой)
264072-П29
347714-П
260-3405028
260-3409192-10
ШС30К1
256Б-3405042-Б
260-3405047
260-3405040
260-3405026
260-3405058-10
257-1104674
260-3405041
252018-П29
252019-П29
258056-П29
258056-П29
260-3405046
260-3405219
314612-П29
260-3405053
220077-П29
260-3405032
256Б-3405201
250640-П29
250907-П29
251014-П29
347637-П29
260-3405048
256Б-3405188
256Б-3405188
256Б-3405098
260-3405043
260-3405049
256Б-3405187
256Б-3405187
256Б-3405187
250-3405208
255Б-3405120
400-1004030-80
260-3409010
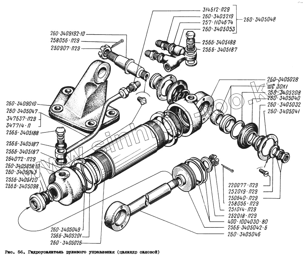
| Позиция на иллюстрации | Заводской номер детали | Название детали | |
|---|---|---|---|
| 260-3405010-10 | 260-3405010-10 | Цилиндр гидравлический | |
| 264072-П29 | 264072-П29 | Масленка | |
| 347714-П | 347714-П | Муфта 10 конусная | |
| 260-3405028 | 260-3405028 | Опора | |
| 260-3409192-10 | 260-3409192-10 | Палец опорный | |
| ШС30К1 | ШС30К1 | Подшипник | |
| 256Б-3405042-Б | 256Б-3405042-Б | Поршень цилиндра | |
| 260-3405047 | 260-3405047 | Трубка | |
| 260-3405040 | 260-3405040 | Уплотнитель | |
| 260-3405026 | 260-3405026 | Цилиндр | |
| 260-3405058-10 | 260-3405058-10 | Крышка | |
| 257-1104674 | 257-1104674 | Шайба уплотнительная | |
| 260-3405041 | 260-3405041 | Шайба | |
| 252018-П29 | 252018-П29 | Шайба 19 | |
| 252019-П29 | 252019-П29 | Шайба 20 | |
| 258056-П29 | 258056-П29 | Шплинт разводной 4х40 | |
| 260-3405046 | 260-3405046 | Шток | |
| 260-3405219 | 260-3405219 | Штуцер | |
| 314612-П29 | 314612-П29 | Штуцер ввертный К 1/4"хМ16х1,5 | |
| 260-3405053 | 260-3405053 | Коллектор | |
| 220077-П29 | 220077-П29 | Винт М5х0,8х10 | |
| 260-3405032 | 260-3405032 | Втулка | |
| 256Б-3405201 | 256Б-3405201 | Гайка специальная | |
| 250640-П29 | 250640-П29 | Гайка М20х1,5 | |
| 250907-П29 | 250907-П29 | Гайка М18х1,5 | |
| 251014-П29 | 251014-П29 | Гайка | |
| 347637-П29 | 347637-П29 | Гайка накидная | |
| 260-3405048 | 260-3405048 | Коллектор | |
| 256Б-3405188 | 256Б-3405188 | Болт приводной | |
| 256Б-3405098 | 256Б-3405098 | Колпак защитный | |
| 260-3405043 | 260-3405043 | Кольцо | |
| 260-3405049 | 260-3405049 | Кольцо | |
| 256Б-3405187 | 256Б-3405187 | Кольцо 018-022-25-2-2 | |
| 250-3405208 | 250-3405208 | Кольцо стопорное подшипника | |
| 255Б-3405120 | 255Б-3405120 | Кольцо штока защитное | |
| 400-1004030-80 | 400-1004030-80 | Кольцо поршневое | |
| 260-3409010 | 260-3409010 | Кронштейн крепления гядроусилителя |
Содержащиеся в справочниках-каталогах запасные части и детали не предлагаются к продаже, а носят исключительно информационный характер