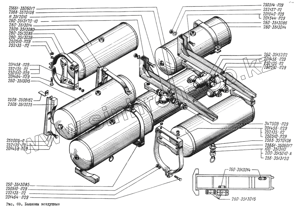
Каталог запасных частей к технике: КрАЗ-260. Баллоны воздушные
250Б-3513080
347509-П29
252137-П2
252135-П2
252135-П2
252135-П2
252135-П2
252135-П2
252135-П2
252005-П
256Б1-3506017
256Б1-3506017
260-3513086
260-3513086
250-3513085
11.3512010
260-3513036
250Б-3513035
256Б1-3513120
250Б-3506162
260-3513170-10
260-3513014
260-3513014
260-3513014
200-3515010-А
256Б-3570138
256Б-3570138
100-3513110
250514-П29
250510-П29
250510-П29
250510-П29
250510-П29
250510-П29
201544-П29
201540-П29
201464-П29
201464-П29
201458-П29
201458-П29
201456-П29
201456-П29
260-3515202
260-3513015
260-3513015
| Позиция на иллюстрации | Заводской номер детали | Название детали | |
|---|---|---|---|
| 250Б-3513080 | 250Б-3513080 | Кронштейн верхнего воздушного баллона | |
| 347509-П29 | 347509-П29 | Штуцер ввертной М22х1,5 | |
| 252137-П2 | 252137-П2 | Шайба 12 пружинная | |
| 252135-П2 | 252135-П2 | Шайба 8 пружинная | |
| 252005-П | 252005-П | Шайба | |
| 256Б1-3506017 | 256Б1-3506017 | Шайба уплотнительная | |
| 260-3513086 | 260-3513086 | Хомут воздушного баллона | |
| 250-3513085 | 250-3513085 | Хомут воздушного баллона | |
| 11.3512010 | 11.3512010 | Регулятор давления с предохранительным клапаном в сборе | |
| 260-3513036 | 260-3513036 | Подкладка баллона | |
| 250Б-3513035 | 250Б-3513035 | Подкладка баллона | |
| 256Б1-3513120 | 256Б1-3513120 | Ниппель переходной | |
| 250Б-3506162 | 250Б-3506162 | Кронштейн крепления трубок | |
| 260-3513170-10 | 260-3513170-10 | Кронштейн воздушного баллона | |
| 260-3513014 | 260-3513014 | Баллон А-20 | |
| 200-3515010-А | 200-3515010-А | Кран спускной | |
| 256Б-3570138 | 256Б-3570138 | Кольцо резиновое уплотнительное Н1-25х20х2 | |
| 100-3513110 | 100-3513110 | Клапан слива конденсата | |
| 250514-П29 | 250514-П29 | Гайка М12х1,75 | |
| 250510-П29 | 250510-П29 | Гайка М8 | |
| 201544-П29 | 201544-П29 | Болт М12х1,75х40 | |
| 201540-П29 | 201540-П29 | Болт М12х1,75х30 | |
| 201464-П29 | 201464-П29 | Болт М8х1,25х40 | |
| 201458-П29 | 201458-П29 | Болт М8х1,25х25 | |
| 201456-П29 | 201456-П29 | Болт М8х1,25х20 | |
| 260-3515202 | 260-3515202 | Блок защитных клапанов | |
| 260-3513015 | 260-3513015 | Ресивер А40-280 |
Содержащиеся в справочниках-каталогах запасные части и детали не предлагаются к продаже, а носят исключительно информационный характер