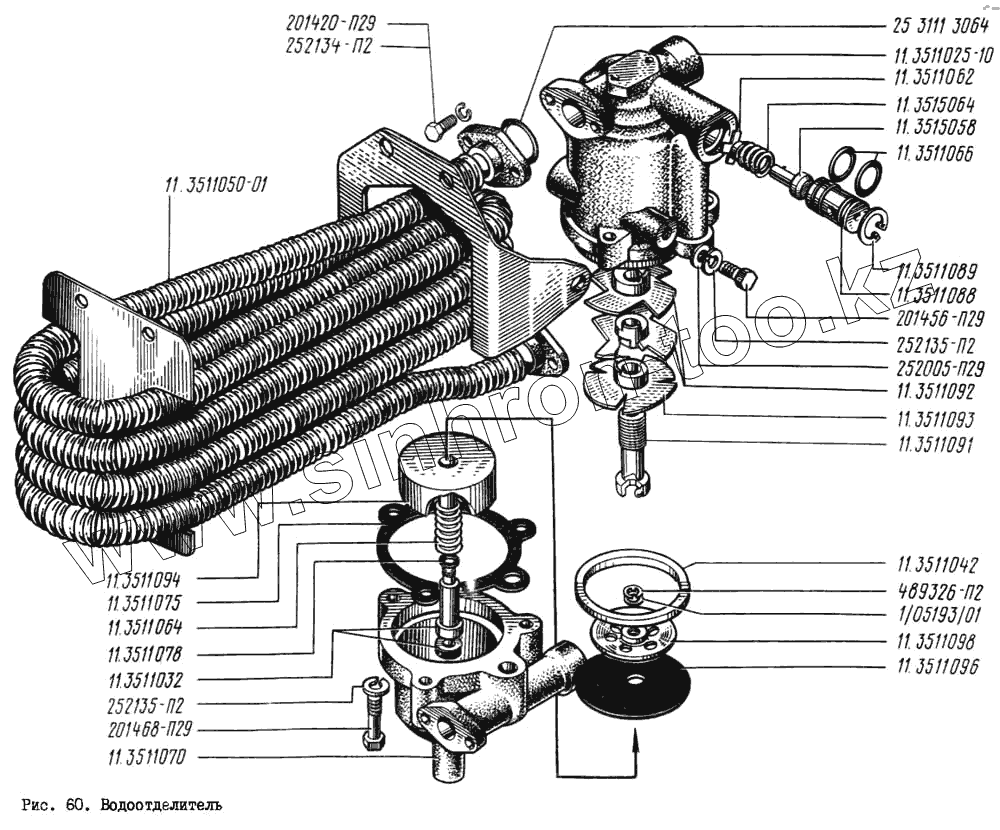
Каталог запасных частей к технике: КрАЗ-256. Водоотделитель
11.3511062
11.3511025-10
11.3511070
11.3511096
11-3511050-01
11.3511094
11.3511088
11.3511064
11.3515058
11.3515064
11.3511075
1/05193/01
252005-П29
252134-П2
252135-П2
252135-П2
11.3511092
201456-П29
201468-П29
11.3511091
11.3511098
201420-П29
11.3511093
11.3511032
016-020-25-2-3
11-3501089
11.3511078
11.3511066
11.3511042
489326-П2
| Позиция на иллюстрации | Заводской номер детали | Название детали | |
|---|---|---|---|
| 11.3511062 | 11.3511062 | Пружина клапана | |
| 11.3511025-10 | 11.3511025-10 | Корпус | |
| 256Б1-3511088-10 | 256Б1-3511088-10 | Кронштейн в сборе | |
| 11.3511070 | 11.3511070 | Крышка | |
| 11.3511096 | 11.3511096 | Мембрана | |
| 11-3511050-01 | 11-3511050-01 | Охладитель | |
| 11.3511094 | 11.3511094 | Поршень | |
| 11.3511088 | 11.3511088 | Поршень | |
| 11.3511064 | 11.3511064 | Пружина золотника | |
| 11.3515058 | 11.3515058 | Конус резиновый | |
| 11.3515064 | 11.3515064 | Тарелка клапана | |
| 11.3511075 | 11.3511075 | Уплотнение | |
| 1/05193/01 | 1/05193/01 | Шайба | |
| 252005-П29 | 252005-П29 | Шайба 8 | |
| 252006-П29 | 252006-П29 | Шайба 10 | |
| 252134-П2 | 252134-П2 | Шайба 6 пружинная | |
| 252135-П2 | 252135-П2 | Шайба 8 пружинная | |
| 252136-П2 | 252136-П2 | Шайба 10 пружинная | |
| 11.3511092 | 11.3511092 | Диск направляющий | |
| 201456-П29 | 201456-П29 | Болт М8х1,25х20 | |
| 201468-П29 | 201468-П29 | Болт М8х1,25х50 | |
| 201495-П29 | 201495-П29 | Болт М10х1,5х20 | |
| 201497-П29 | 201497-П29 | Болт М10х1,25х25 | |
| 11.3511091 | 11.3511091 | Винт пустотелый | |
| 11.3511010 | 11.3511010 | Водоотделитель в сборе | |
| 250512-П29 | 250512-П29 | Гайка М10х1,5 | |
| 11.3511098 | 11.3511098 | Диск мембранный | |
| 201420-П29 | 201420-П29 | Болт М6х1х20 | |
| 11.3511093 | 11.3511093 | Диск направляющий нижний | |
| 11.3511032 | 11.3511032 | Золотник клапана в сборе | |
| 016-020-25-2-3 | 016-020-25-2-3 | Кольцо | |
| 11-3501089 | 11-3501089 | Кольцо А-22 | |
| 11.3511078 | 11.3511078 | Кольцо уплотнительное золотника 5,0х1,75 | |
| 11.3511066 | 11.3511066 | Кольцо 015-018-19-2-2 | |
| 11.3511042 | 11.3511042 | Кольцо упорное | |
| 489326-П2 | 489326-П2 | Кольцо упорное |
Содержащиеся в справочниках-каталогах запасные части и детали не предлагаются к продаже, а носят исключительно информационный характер