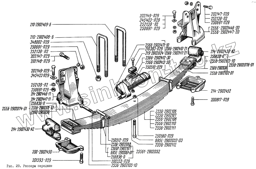
Каталог запасных частей к технике: КрАЗ-256. Рессоры передние
256Б-2902413-30
255Б-2902111
255Б-2902112
255Б-2902102-01
255Б-2902103-10
255Б-2902076-01
255Б-2902105-10
255Б-2902106
255Б-2902107
256Б1-2902107
256Б-2902108
255Б-2902110
255Б1-2902052
255Б-2902074-01
256Б-2902411-21
256Б-2902412-30
256Б-2902410-21
256Б-2905471-10
214-2902430-А2
214-2902430-А2
210-2902409-Б
210-2902408-Б
695Е-2912061-01
256Б-2902036
256Б-2902036
345423-П29
345423-П29
250691-П29
250691-П29
250691-П29
250691-П29
200817-П29
201593-П29
202147-П29
202147-П29
202148-П29
202149-П29
202149-П29
210383-П29
695Е-2902032-03
219-2902624
255Б-2902068
250510-П29
250512-П29
250560-П29
200333-П29
348002-П29
256836-П
256836-П
256838-П
255Б-2902447-20
255Б-2902446-20
214-2902446-11
214-2902447-11
200-2902450
214-2902452
252139-П2
252139-П2
252139-П2
252139-П2
255Б-2902101-10
| Позиция на иллюстрации | Заводской номер детали | Название детали | |
|---|---|---|---|
| 256Б-2902413-30 | 256Б-2902413-30 | Накладка рессоры левая | |
| 255Б-2902111 | 255Б-2902111 | Лист № 11 | |
| 255Б-2902112 | 255Б-2902112 | Лист № 12 | |
| 255Б-2902102-01 | 255Б-2902102-01 | Лист № 2 | |
| 255Б-2902103-10 | 255Б-2902103-10 | Лист № 3 | |
| 255Б-2902076-01 | 255Б-2902076-01 | Лист № 3 с чашками в сборе | |
| 255Б-2902105-10 | 255Б-2902105-10 | Лист № 5 | |
| 255Б-2902106 | 255Б-2902106 | Лист № 6 | |
| 255Б-2902107 | 255Б-2902107 | Лист № 7 | |
| 256Б1-2902107 | 256Б1-2902107 | Лист № 7 | |
| 256Б-2902108 | 256Б-2902108 | Лист № 8 | |
| 255Б-2902110 | 255Б-2902110 | Лист № 10 | |
| 255Б1-2902052 | 255Б1-2902052 | Лист № 7 с хомутами | |
| 255Б-2902074-01 | 255Б-2902074-01 | Лист № 1 с чашками в сборе | |
| 256Б-2902411-21 | 256Б-2902411-21 | Накладка рессоры левая в сборе | |
| 256Б-2902412-30 | 256Б-2902412-30 | Накладка рессоры правая | |
| 256Б-2902410-21 | 256Б-2902410-21 | Накладка рессоры правая в сборе | |
| 256Б-2905471-10 | 256Б-2905471-10 | Палец головки амортизатора нижний | |
| 214-2902430-А2 | 214-2902430-А2 | Подушка рессоры | |
| 256Б1-2902012 | 256Б1-2902012 | Рессора в сборе | |
| 210-2902409-Б | 210-2902409-Б | Стремянка задняя | |
| 210-2902408-Б | 210-2902408-Б | Стремянка передняя | |
| 695Е-2912061-01 | 695Е-2912061-01 | Хомут | |
| 256Б-2902036 | 256Б-2902036 | Чашка | |
| 345423-П29 | 345423-П29 | Шайба 16 косая | |
| 250691-П29 | 250691-П29 | Гайка М16х1,5 | |
| 200817-П29 | 200817-П29 | Болт М14х2х60 | |
| 201593-П29 | 201593-П29 | Болт М14х2х50 | |
| 202147-П29 | 202147-П29 | Болт М16х1,5х50 | |
| 202148-П29 | 202148-П29 | Болт М16х1,5х55 | |
| 202149-П29 | 202149-П29 | Болт М16х1,5х60 | |
| 210383-П29 | 210383-П29 | Болт М8х40 | |
| 695Е-2902032-03 | 695Е-2902032-03 | Болт центровой | |
| 219-2902624 | 219-2902624 | Буфер рессоры | |
| 255Б-2902068 | 255Б-2902068 | Втулка распорная | |
| 250510-П29 | 250510-П29 | Гайка М8 | |
| 250512-П29 | 250512-П29 | Гайка М10х1,5 | |
| 250560-П29 | 250560-П29 | Гайка М16х2 | |
| 200333-П29 | 200333-П29 | Болт М10х120 | |
| 348002-П29 | 348002-П29 | Гайка М22х1,5 | |
| 256836-П | 256836-П | Заклепка | |
| 256838-П | 256838-П | Заклепка 10х24 | |
| 255Б-2902447-20 | 255Б-2902447-20 | Кронштейн рессоры задний левый | |
| 255Б-2902446-20 | 255Б-2902446-20 | Кронштейн рессоры задний правый | |
| 214-2902446-11 | 214-2902446-11 | Кронштейн рессоры передний левый | |
| 214-2902447-11 | 214-2902447-11 | Кронштейн рессоры передний правый | |
| 200-2902450 | 200-2902450 | Крышка переднего кронштейна | |
| 214-2902452 | 214-2902452 | Крышка заднего кронштейна | |
| 252139-П2 | 252139-П2 | Шайба 16 пружинная | |
| 255Б-2902101-10 | 255Б-2902101-10 | Лист № 1 |
Содержащиеся в справочниках-каталогах запасные части и детали не предлагаются к продаже, а носят исключительно информационный характер