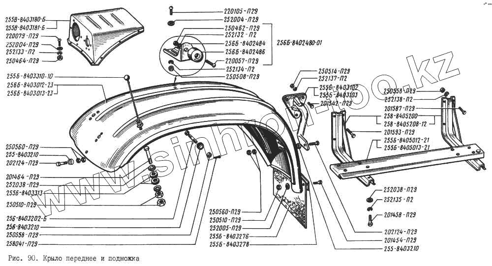
Каталог запасных частей к технике: КрАЗ-256. Крыло переднее и подножка
252004-П29
252004-П29
255Б-8403103
255Б-8403102
258-8405200
258-8405208-12
256Б-8403013-23
256Б-8403012-23
255Б-8403278
255Б-8405013-21
255Б-8405012-21
255Б-8403310-10
256Б-8402484
252005-П29
252038-П29
252038-П29
252132-П2
252133-П2
252134-П2
252135-П2
252137-П2
252138-П2
255Б-8403313
256-8403202-Б
258041-П29
220057-П29
201458-П29
201464-П29
201542-П29
201587-П29
201593-П29
202124-П29
202124-П29
255Б-8403276
256Б-8402486
256Б-8402480-01
255-8403210
255-8403210
256-8403210
201454-П29
220079-П29
220105-П29
250462-П29
250464-П29
250508-П29
250510-П29
250510-П29
250514-П29
250558-П29
250558-П29
250560-П29
250560-П29
255В-8403180-Б
255В-8403181-Б
| Позиция на иллюстрации | Заводской номер детали | Название детали | |
|---|---|---|---|
| 252004-П29 | 252004-П29 | Шайба 6 | |
| 255Б-8403103 | 255Б-8403103 | Кронштейн крыла левый | |
| 255Б-8403102 | 255Б-8403102 | Кронштейн крыла правый | |
| 258-8405200 | 258-8405200 | Кронштейн подножки левый | |
| 258-8405208-12 | 258-8405208-12 | Кронштейн подножки правый | |
| 256Б-8403013-23 | 256Б-8403013-23 | Крыло левое | |
| 256Б-8403012-23 | 256Б-8403012-23 | Крыло правое | |
| 255Б-8403278 | 255Б-8403278 | Накладка нижнего брызговика | |
| 255Б-8405013-21 | 255Б-8405013-21 | Подножка левая | |
| 256Б-8405112 | 256Б-8405112 | Подножка передняя | |
| 255Б-8405012-21 | 255Б-8405012-21 | Подножка правая | |
| 256Б-8405122 | 256Б-8405122 | Пружина передней подножки | |
| 255Б-8403310-10 | 255Б-8403310-10 | Указатель габаритный | |
| 256Б-8402484 | 256Б-8402484 | Кронштейн буфера | |
| 252005-П29 | 252005-П29 | Шайба 8 | |
| 252038-П29 | 252038-П29 | Шайба 8 | |
| 252132-П2 | 252132-П2 | Шайба 4 | |
| 252133-П2 | 252133-П2 | Шайба 5 пружинная | |
| 252134-П2 | 252134-П2 | Шайба 6 пружинная | |
| 252135-П2 | 252135-П2 | Шайба 8 пружинная | |
| 252137-П2 | 252137-П2 | Шайба 12 пружинная | |
| 252138-П2 | 252138-П2 | Шайба 14 пружинная | |
| 255Б-8403313 | 255Б-8403313 | Шайба | |
| 256-8403202-Б | 256-8403202-Б | Шпилька крепления крыла к раме | |
| 258041-П29 | 258041-П29 | Шплинт разводной 3х32 | |
| 220057-П29 | 220057-П29 | Винт М4х22 | |
| 201458-П29 | 201458-П29 | Болт М8х1,25х25 | |
| 201464-П29 | 201464-П29 | Болт М8х1,25х40 | |
| 201542-П29 | 201542-П29 | Болт М12х1,75х30 | |
| 201587-П29 | 201587-П29 | Болт М14х2х35 | |
| 201593-П29 | 201593-П29 | Болт М14х2х50 | |
| 202124-П29 | 202124-П29 | Болт М16х2х38 | |
| 255Б-8403276 | 255Б-8403276 | Брызговик нижний | |
| 256Б-8402486 | 256Б-8402486 | Буфер боковины | |
| 256Б-8402480-01 | 256Б-8402480-01 | Буфер боковины капота в сборе | |
| 255-8403210 | 255-8403210 | Буфер крыла | |
| 256-8403210 | 256-8403210 | Буфер крыла | |
| 201454-П29 | 201454-П29 | Болт М8х1,25х16 | |
| 220079-П29 | 220079-П29 | Винт М5х0,8х14 | |
| 220105-П29 | 220105-П29 | Винт М6х1х16 | |
| 250462-П29 | 250462-П29 | Гайка М4х0,7 | |
| 250464-П29 | 250464-П29 | Гайка М5х0,8 | |
| 250508-П29 | 250508-П29 | Гайка М6-6Н | |
| 250510-П29 | 250510-П29 | Гайка М8 | |
| 250514-П29 | 250514-П29 | Гайка М12х1,75 | |
| 250558-П29 | 250558-П29 | Гайка М14х2 | |
| 250560-П29 | 250560-П29 | Гайка М16х2 | |
| 255В-8403180-Б | 255В-8403180-Б | Кожух фары правый в сборе | |
| 255В-8403181-Б | 255В-8403181-Б | Кожух фары левый в сборе |
Содержащиеся в справочниках-каталогах запасные части и детали не предлагаются к продаже, а носят исключительно информационный характер