Вернуться на главную
Поиск
Каталоги запчастей к технике
Грузовые автомобили и прицепы
КрАЗ
КрАЗ-256
Карданные валы трансмиссии
Каталог запасных частей к технике: КрАЗ-256. Карданные валы трансмиссии
zoom-in
zoom-out
enlarge
shrink
circle-right
circle-left
file-text2
info
cart
Тип техники
Не выбрано
Легковые автомобили
Грузовые автомобили и прицепы
Автобусы
Сельхозтехника
Спецтехника
Двигатели
Мототехника
Марка
Не выбрано
BAW
DAF
DongFeng
FAW
Foton
HOWO
Hyundai
IVECO
JAC Motors
LGMG
MAN
Shaanxi
SITRAK
Studebaker
Tata
Volvo
Автокомпонент Плюс
БелАЗ
Брянский Арсенал
ГАЗ
ЗИЛ
КАЗ
Камский автозавод
КрАЗ
Мадара
МАЗ
МЗКТ
МоАЗ
Нефтекамский автозавод
Ставропольский Завод АвтоПрицепов
ТАТРА
Тонар
УралАЗ
ЧМЗАП
Модель
Не выбрано
Доп. с двиг. Евро-2 (2008)
КрАЗ-250
КрАЗ-255
КрАЗ-256
КрАЗ-260
КрАЗ-6322 (2005)
КрАЗ-6322 (шасси) (2005)
КрАЗ-63221 (2005)
КрАЗ-64372, 6133М6 (2006)
КрАЗ-6443
КрАЗ-6443 (каталог 2004 г)
КрАЗ-64431-02 (2008)
КрАЗ-6446 (2005)
КрАЗ-65053-02 (2008)
КрАЗ-65055
КрАЗ-65055-02 (2008)
КрАЗ-6510 (1993)
КрАЗ-7133H4 (2006)
КрАЗ-7133С4 (2006)
Схема
>
Не выбрано
Кабина
Окно ветровое кабины
Стеклоочистители
Омыватель ветрового стекла
Дверь кабины
Сиденье водителя. Сиденье пассажирское
Вентиляция и отопление кабины
Зеркало заднего вида и козырек противосолнечный
Облицовка радиатора и капот
Крыло переднее и подножка
Платформа автомобиля КрАЗ-256Б1
Платформа автомобиля КрАЗ-257Б1
Надрамник и балансир опрокидывающего механизма
Цилиндры опрокидывающего механизма
Насос опрокидывающего механизма
Карданный вал насоса опрокидывающего механизма
Крепление силового агрегата
Радиатор масляный
Пусковой подогреватель
Бак топливный и топливопроводы автомобиля КрАЗ-256Б1
Баки топливные и топливопроводы автомобилей КрАЗ-257Б1, КрАЗ-258Б1
Установка привода управления подачей топлива
Система выпуска газов
Система охлаждения двигателя
Привод выключения сцепления
Подвеска раздаточной коробки
Коробка раздаточная (картеры и крышки)
Коробка раздаточная (валы и шестерни)
Управление раздаточной коробкой и опрокидывающим механизмом автомобиля КрАЗ-256Б1
Управление раздаточной коробкой автомобилей КрАЗ-257Б1, КрАЗ-258Б1
Передача карданная
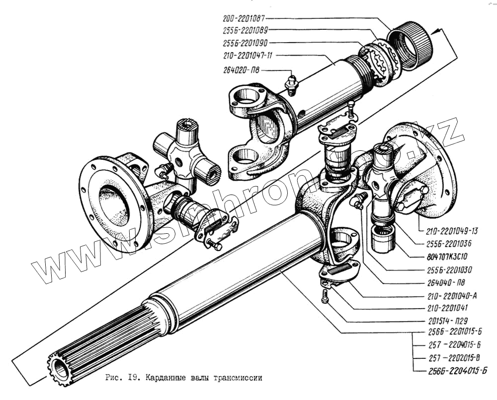
Карданные валы трансмиссии
Карданный вал промежуточный основной
Опора промежуточная карданных валов заднего моста
Картер заднего (промежуточного) моста
Картер редуктора заднего (промежуточного) моста с крышки
Валы и шестерни редуктора заднего (промежуточного) моста
Дифференциал и полуоси заднего (промежуточного) моста
Рама
Рессоры передние
Амортизаторы передней подвески
Рессоры задние и реактивные штанги
Балансиры задней подвески
Ось передняя и кулаки поворотные
Ось передняя и кулаки поворотные (для автомобилей с бездисковыми колесами)
Тяги рулевые
Ступицы передних дисковых колес и тормозные барабаны
Ступицы передних бездисковых колес и тормозные барабаны
Ступицы задних дисковых колес и тормозные барабаны
Ступицы задних бездисковых колес и тормозные барабаны
Колеса дисковые и шины. Колеса бездисковые и шины
Держатель запасного колеса автомобиля КрАЗ-257Б1
Держатель запасного колеса автомобиля КрАЗ-258Б1
Управление рулевое
Механизм рулевой
Цилиндр силовой усилителя рулевого привода
Распределитель усилителя рулевого привода
Насос масляный и бачок усилителя рулевого привода
Механизмы тормозные передние (колеса дисковые)
Механизмы тормозные передние (колеса бездисковые)
Механизмы тормозные задние
Педаль тормозная и привод
Воздухопроводы автомобиля КрАЗ-256Б1
Воздухопроводы автомобиля КрАЗ-257Б1
Воздухопроводы автомобиля КрАЗ-258Б1
Стояночный тормоз
Привод стояночного тормоза
Установка и привод компрессора
Компрессор (головка и блок цилиндров)
Компрессор (картер и вал коленчатый)
Водоотделитель
Регулятор давления с предохранительным клапаном
Баллоны воздушные
Кран тормозной
Клапан защитный одинарный
Клапан защитный двойной
Противозамерзатель
Клапан контрольного вывода
Камера тормозная передняя. Камера тормозная задняя
Кран разобщительный и головки соединительные
Клапан управления тормозами прицепа с двухпроводным приводом
Клапан управления тормозной системой прицепа с однопроводным приводом
Кран отбора воздуха и буксирный клапан
Кран тормозной обратного действия с ручным управлением
Тормоз вспомогательный (моторный)
Аккумуляторные батареи
Фары и фонари передние
Фонари задние
Электропровода, коммутационная аппаратура и приборы
Устройство седельное в сборе, механизм сцепной
Прибор буксирный
Коробка отбора мощности
Инструмент и принадлежности
Техническая характеристика
Общий вид автомобиля КрАЗ-256Б1
Общий вид автомобиля КрАЗ-257Б1
Общий вид автомобиля КрАЗ-258Б1
210-2201040-А
210-2201049-13
255Б-2201036
255Б-2201090
264040-П8
264020-П8
804707К3С10
210-2201041
200-2201087
201514-П29
255Б-2201030
255Б-2201089
210-2201047-11
257-2202015-В
257-2204015-Б
256Б-2204015-Б
256Б-2201015-Б
Позиция на иллюстрации
Заводской номер детали
Название детали
210-2201040-А
210-2201040-А
Крышка подшипника
210-2201049-13
210-2201049-13
Фланец-вилка
255Б-2201036
255Б-2201036
Уплотнение торцевое подшипника
255Б-2201090
255Б-2201090
Сальник скользящей вилки
264040-П8
264040-П8
Пресс-масленка 1/8"
264020-П8
264020-П8
Пресс-масленка 1/8"
804707К3С10
804707К3С10
Подшипник
210-2201041
210-2201041
Пластина стопорная
200-2201087
200-2201087
Обойма сальника
201514-П29
201514-П29
Болт М10х1х16
255Б-2201030
255Б-2201030
Крестовина
255Б-2201089
255Б-2201089
Кольцо сальника упорное
210-2201047-11
210-2201047-11
Вилка скользящая с заглушкой
257-2202015-В
257-2202015-В
Вал карданный промежуточный основной привода раздаточной коробки
257-2204015-Б
257-2204015-Б
Вал карданный привода промежуточного и заднего мостов
256Б-2204015-Б
256Б-2204015-Б
Вал карданный привода промежуточного и заднего мостов
256Б-2201015-Б
256Б-2201015-Б
Вал карданный привода заднего моста
Содержащиеся в справочниках-каталогах запасные части и детали не предлагаются к продаже, а носят исключительно информационный характер
Дополнительная информация
×
Название:
Номер:
Примечание: