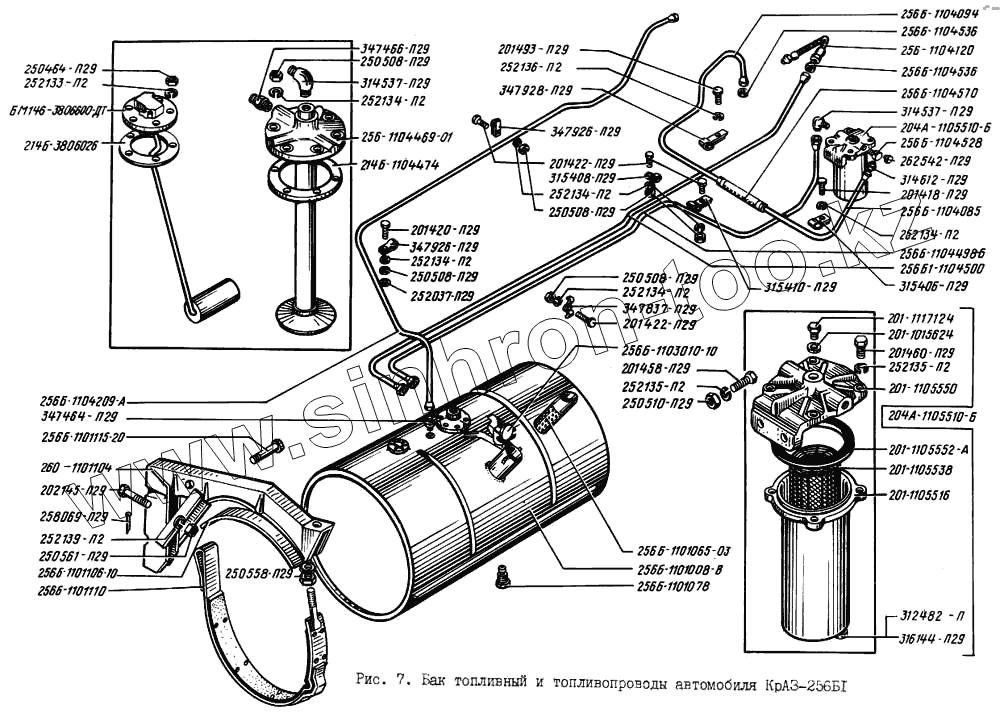
Каталог запасных частей к технике: КрАЗ-256. Бак топливный и топливопроводы автомобиля КрАЗ-256Б1
252037-П29
256Б-1101106-10
214Б-3806026
201-1105552-А
347837-П29
256-1104469-01
256Б-1104498-Б
256Б1-1104500
256Б-1104085
256Б-1104209-А
256Б-1104094
314537-П29
314537-П29
256Б-1101065-03
204А-1105510-Б
204А-1105510-Б
256Б-1101110
214Б-1104474
252133-П2
252134-П2
252134-П2
252134-П2
252134-П2
252134-П2
252135-П2
252135-П2
252136-П2
252139-П2
256Б-1104536
256Б-1104536
312482-П
256Б-1104570
256-1104120
258069-П29
314612-П29
347464-П29
347466-П29
201-1105538
315408-П29
201418-П29
201420-П29
201422-П29
201422-П29
201458-П29
201460-П29
201493-П29
202145-П29
250464-П29
250508-П29
250508-П29
250508-П29
250508-П29
250510-П29
250558-П29
250561-П29
БМ146-3806600-ДТ
315406-П29
256Б-1101008-В
315410-П29
347926-П29
347926-П29
347928-П29
201-1105516
260-1101104
201-1105550
256Б-1101115-20
256Б-1104528
256Б-1101078
256Б-1103010-10
262542-П29
316144-П29
201-1117124
201-1015624
| Позиция на иллюстрации | Заводской номер детали | Название детали | |
|---|---|---|---|
| 252037-П29 | 252037-П29 | Шайба 6 | |
| 256Б-1101106-10 | 256Б-1101106-10 | Прокладка кронштейна | |
| 214Б-3806026 | 214Б-3806026 | Прокладка датчика указателя уровня топлива | |
| 201-1105552-А | 201-1105552-А | Прокладка крышки | |
| 347837-П29 | 347837-П29 | Скоба | |
| 256-1104469-01 | 256-1104469-01 | Топливозаборник с сеткой и обоймой | |
| 256Б-1104498-Б | 256Б-1104498-Б | Трубка от бака к фильтру | |
| 256Б1-1104500 | 256Б1-1104500 | Трубка от фильтра к баку | |
| 256Б-1104085 | 256Б-1104085 | Трубка топливная от фильтра грубой очистки к шлангу | |
| 256Б-1104209-А | 256Б-1104209-А | Трубка от форсунок к баку | |
| 256Б-1104094 | 256Б-1104094 | Трубка от шланга к топливоподкачивающему насосу | |
| 314537-П29 | 314537-П29 | Угольник ввертный К 1/4"хМ16х1,5 | |
| 256Б-1101065-03 | 256Б-1101065-03 | Фильтр наливной трубы | |
| 204А-1105510-Б | 204А-1105510-Б | Фильтр топливный грубой очистки в сборе | |
| 256Б-1101110 | 256Б-1101110 | Хомут крепления топливного бака | |
| 214Б-1104474 | 214Б-1104474 | Прокладка фланца всасывающей трубы | |
| 252133-П2 | 252133-П2 | Шайба 5 пружинная | |
| 252134-П2 | 252134-П2 | Шайба 6 пружинная | |
| 252135-П2 | 252135-П2 | Шайба 8 пружинная | |
| 252136-П2 | 252136-П2 | Шайба 10 пружинная | |
| 252139-П2 | 252139-П2 | Шайба 16 пружинная | |
| 256Б-1104536 | 256Б-1104536 | Шайба уплотнительная | |
| 312482-П | 312482-П | Шайба 10,5 | |
| 256Б-1104570 | 256Б-1104570 | Шланг соединительный | |
| 256-1104120 | 256-1104120 | Шланг соединительный в сборе | |
| 258069-П29 | 258069-П29 | Шплинт разводной 5х36 | |
| 314612-П29 | 314612-П29 | Штуцер ввертный К 1/4"хМ16х1,5 | |
| 347464-П29 | 347464-П29 | Штуцер ввертный К 1/4"хМ10х1 | |
| 347466-П29 | 347466-П29 | Штуцер ввертный | |
| 201-1105538 | 201-1105538 | Элемент фильтрующий | |
| 315408-П29 | 315408-П29 | Кляммер | |
| 201418-П29 | 201418-П29 | Болт М6х1х16 | |
| 201420-П29 | 201420-П29 | Болт М6х1х20 | |
| 201422-П29 | 201422-П29 | Болт М6х1х25 | |
| 201458-П29 | 201458-П29 | Болт М8х1,25х25 | |
| 201460-П29 | 201460-П29 | Болт М8х1,25х30 | |
| 201493-П29 | 201493-П29 | Болт М10х1,5х16 | |
| 202145-П29 | 202145-П29 | Болт М16х1,5х45 | |
| 250464-П29 | 250464-П29 | Гайка М5х0,8 | |
| 250508-П29 | 250508-П29 | Гайка М6-6Н | |
| 250510-П29 | 250510-П29 | Гайка М8 | |
| 250558-П29 | 250558-П29 | Гайка М14х2 | |
| 250561-П29 | 250561-П29 | Гайка М16х1,5 | |
| БМ146-3806600-ДТ | БМ146-3806600-ДТ | Датчик указателя уровня топлива | |
| 315406-П29 | 315406-П29 | Кляммер воздухопровода 8х10 | |
| 256Б-1101008-В | 256Б-1101008-В | Бак топливный | |
| 315410-П29 | 315410-П29 | Кляммер | |
| 347926-П29 | 347926-П29 | Кляммер 8 | |
| 347928-П29 | 347928-П29 | Кляммер 10 | |
| 201-1105516 | 201-1105516 | Корпус фильтра в сборе | |
| 260-1101104 | 260-1101104 | Кронштейн топливного бака | |
| 201-1105550 | 201-1105550 | Крышка топливного фильтра | |
| 256Б-1101115-20 | 256Б-1101115-20 | Палец хомута | |
| 256Б-1104528 | 256Б-1104528 | Переходник | |
| 256Б-1101078 | 256Б-1101078 | Пробка спускного крана | |
| 256Б-1103010-10 | 256Б-1103010-10 | Пробка топливного бака | |
| 262542-П29 | 262542-П29 | Пробка КГ 1/4" | |
| 316144-П29 | 316144-П29 | Пробка М10х1 | |
| 201-1117124 | 201-1117124 | Пробка фильтра | |
| 201-1015624 | 201-1015624 | Прокладка пробки |
Содержащиеся в справочниках-каталогах запасные части и детали не предлагаются к продаже, а носят исключительно информационный характер