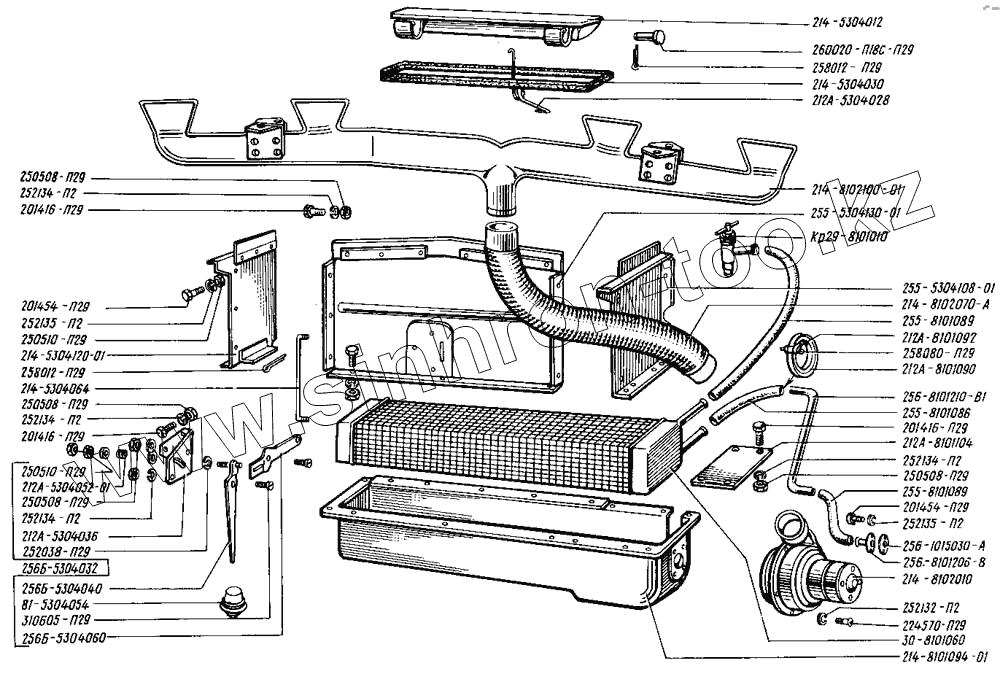
Каталог запасных частей к технике: КрАЗ-255. Вентиляция и отопление кабины
250510-П29
256-8101210-В1
256-8101206-В
214-5304064
214-5304030
252038-П29
252132-П2
252134-П2
252135-П2
214-8102070-А
255-8101089
255-8101086
258012-П29
252135-П2
255-5304108-01
252134-П2
250508-П29
258012-П29
201416-П29
252134-П2
201454-П29
255-8101089
250508-П29
252134-П2
201416-П29
258080-П29
258012-П29
250508-П29
260020-П18С
201454-П29
224570-П29
214-8102010
310605-П29
250508-П29
250510-П29
214-8101094-01
214-8102100-01
КР-29-8101010
212А-5304036
412-5304012
212А-8101090
201416-П29
260020-П29
212А-8101104
256Б-5304032
256-1015030-А
212А-5304028
212А-5304052-01
212А-8101092
30-8101060
81-5304054
256Б-5304040
256Б-5304060
255-5304130-01
214-5304120-01
| Позиция на иллюстрации | Заводской номер детали | Название детали | |
|---|---|---|---|
| 250510-П29 | 250510-П29 | Гайка М8 | |
| 256-8101210-В1 | 256-8101210-В1 | Трубка отопителя | |
| 256-8101206-В | 256-8101206-В | Трубка с фланцем | |
| 214-5304064 | 214-5304064 | Тяга привода | |
| 214-5304030 | 214-5304030 | Уплотнитель крышки | |
| 252038-П29 | 252038-П29 | Шайба 8 | |
| 252132-П2 | 252132-П2 | Шайба 4 | |
| 252134-П2 | 252134-П2 | Шайба 6 пружинная | |
| 252135-П2 | 252135-П2 | Шайба 8 пружинная | |
| 214-8102070-А | 214-8102070-А | Шланг вентилятора | |
| 255-8101089 | 255-8101089 | Шланг отопителя | |
| 255-8101086 | 255-8101086 | Шланг отопителя | |
| 258012-П29 | 258012-П29 | Шплинт разводной 2х12 | |
| 258080-П29 | 258080-П29 | Шплинт 5,6х25 | |
| 252135-П2 | 252135-П2 | Шайба 8 пружинная | |
| 255-5304108-01 | 255-5304108-01 | Стенка воздухопровода правая | |
| 252134-П2 | 252134-П2 | Шайба 6 пружинная | |
| 250508-П29 | 250508-П29 | Гайка М6-6Н | |
| 258012-П29 | 258012-П29 | Шплинт разводной 2х12 | |
| 201416-П29 | 201416-П29 | Болт М6х1х12 | |
| 252134-П2 | 252134-П2 | Шайба 6 пружинная | |
| 201454-П29 | 201454-П29 | Болт М8х1,25х16 | |
| 255-8101089 | 255-8101089 | Шланг отопителя | |
| 250508-П29 | 250508-П29 | Гайка М6-6Н | |
| 252134-П2 | 252134-П2 | Шайба 6 пружинная | |
| 201416-П29 | 201416-П29 | Болт М6х1х12 | |
| 258080-П29 | 258080-П29 | Шплинт 5,6х25 | |
| 258012-П29 | 258012-П29 | Шплинт разводной 2х12 | |
| 250508-П29 | 250508-П29 | Гайка М6-6Н | |
| 260020-П18С | 260020-П18С | Палец | |
| 201454-П29 | 201454-П29 | Болт М8х1,25х16 | |
| 224570-П29 | 224570-П29 | Винт | |
| 214Б-8104010-А | 214Б-8104010-А | Вентилятор кабины в сборе | |
| 214-8102010 | 214-8102010 | Вентилятор обдува ветровых стекол | |
| 310605-П29 | 310605-П29 | Винт | |
| 250508-П29 | 250508-П29 | Гайка М6-6Н | |
| 250510-П29 | 250510-П29 | Гайка М8 | |
| 214-8101094-01 | 214-8101094-01 | Кожух радиатора | |
| 214-8102100-01 | 214-8102100-01 | Коллектор обдува стекол | |
| КР-29-8101010 | КР-29-8101010 | Кран отопителя КР-29 | |
| 212А-5304036 | 212А-5304036 | Кронштейн рычагов | |
| 412-5304012 | 412-5304012 | Крышка вентиляционного люка | |
| 212А-8101090 | 212А-8101090 | Лента стяжная хомута | |
| 214-8101010-Б | 214-8101010-Б | Отопитель и вентилятор обдува ветровых стекол в сборе | |
| 201416-П29 | 201416-П29 | Болт М6х1х12 | |
| 260020-П29 | 260020-П29 | Палец | |
| 212А-8101104 | 212А-8101104 | Пластина кожуха | |
| 256Б-5304032 | 256Б-5304032 | Привод вентиляции передка в сборе | |
| 256-1015030-А | 256-1015030-А | Прокладка фланца | |
| 212А-5304028 | 212А-5304028 | Пружина крышки | |
| 212А-5304052-01 | 212А-5304052-01 | Пружина рычага | |
| 212А-8101092 | 212А-8101092 | Пряжка хомута | |
| 30-8101060 | 30-8101060 | Радиатор отопителя | |
| 81-5304054 | 81-5304054 | Ручка рычага | |
| 256Б-5304040 | 256Б-5304040 | Рычаг привода вентиляции | |
| 256Б-5304060 | 256Б-5304060 | Рычаг промежуточный | |
| 255-5304130-01 | 255-5304130-01 | Стенка воздухопровода задняя | |
| 214-5304120-01 | 214-5304120-01 | Стенка воздухопровода левая |
Содержащиеся в справочниках-каталогах запасные части и детали не предлагаются к продаже, а носят исключительно информационный характер