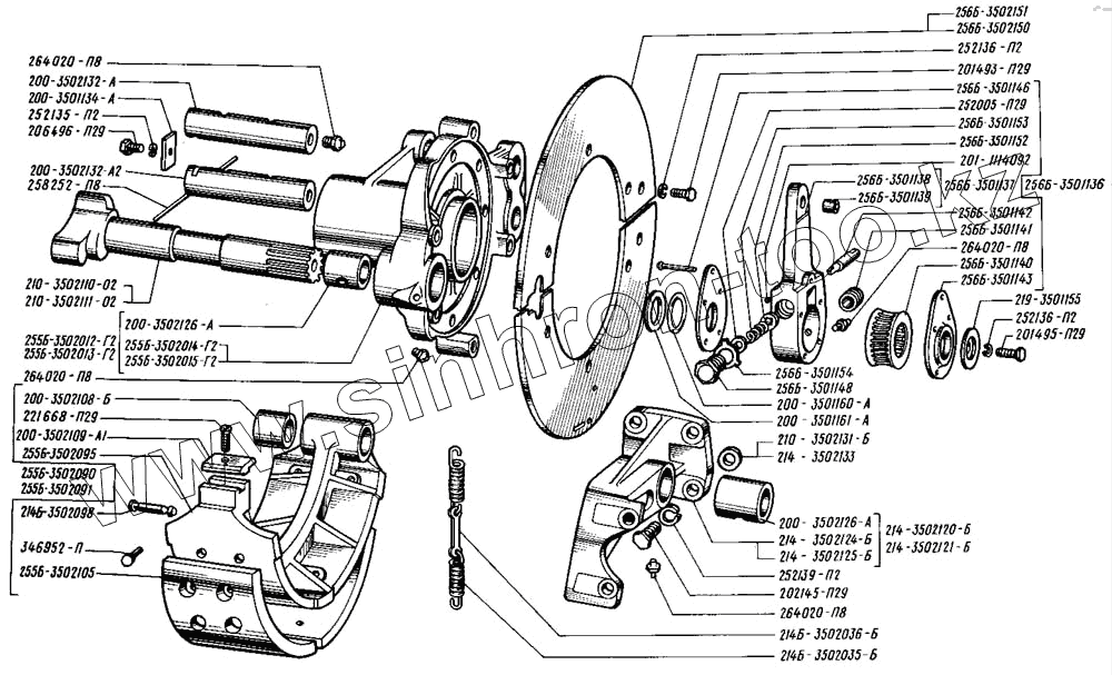
Каталог запасных частей к технике: КрАЗ-255. Тормоза рабочие задние
256Б-3501141
264020-П8
264020-П8
264020-П8
264020-П8
256Б-3501148
200-3501161-А
210-3502131-Б
214-3502133
214Б-3502035-Б
256Б-3501153
256Б-3501136
255Б-3502015-Г2
255Б-3502013-Г2
255Б-3502014-Г2
255Б-3502012-Г2
200-3502109-А1
256Б-3501152
214Б-3502098
252005-П29
252135-П2
252136-П2
252136-П2
252139-П2
256Б-3501154
219-3501155
201-1114092
256Б-3501140
258252-П8
256Б-3502151
256Б-3502150
200-3501134-А
200-3501160-А
255Б-3502091
201495-П29
202145-П29
206496-П29
221668-П29
200-3502126-А
200-3502126-А
256Б-3501139
200-3502108-Б
256Б-3501146
346952-П
214Б-3502036-Б
255Б-3502095
255Б-3502090
201493-П29
256Б-3501138
256Б-3501137
214-3502125-Б
214-3502121-Б
214-3502124-Б
214-3502120-Б
256Б-3501143
210-3502111-02
210-3502110-02
255Б-3502105
200-3502132-А
200-3502132-А2
256Б-3501142
| Позиция на иллюстрации | Заводской номер детали | Название детали | |
|---|---|---|---|
| 256Б-3501141 | 256Б-3501141 | Червяк рычага | |
| 264020-П8 | 264020-П8 | Пресс-масленка 1/8" | |
| 256Б-3501148 | 256Б-3501148 | Пробка фиксатора | |
| 200-3501161-А | 200-3501161-А | Прокладка регулировочная | |
| 210-3502131-Б | 210-3502131-Б | Шайба регулировочная | |
| 214-3502133 | 214-3502133 | Шайба регулировочная | |
| 214Б-3502035-Б | 214Б-3502035-Б | Пружина колодок | |
| 256Б-3501153 | 256Б-3501153 | Пружина фиксатора | |
| 256Б-3501136 | 256Б-3501136 | Рычаг регулировочный в сборе | |
| 255Б-3502015-Г2 | 255Б-3502015-Г2 | Суппорт левый | |
| 255Б-3502013-Г2 | 255Б-3502013-Г2 | Суппорт левый с втулкой в сборе | |
| 255Б-3502014-Г2 | 255Б-3502014-Г2 | Суппорт правый | |
| 255Б-3502012-Г2 | 255Б-3502012-Г2 | Суппорт правый с втулкой в сборе | |
| 200-3502109-А1 | 200-3502109-А1 | Сухарь колодки | |
| 256Б-3501152 | 256Б-3501152 | Фиксатор оси червяка | |
| 214Б-3502098 | 214Б-3502098 | Палец пружины | |
| 252005-П29 | 252005-П29 | Шайба 8 | |
| 252135-П2 | 252135-П2 | Шайба 8 пружинная | |
| 252136-П2 | 252136-П2 | Шайба 10 пружинная | |
| 252139-П2 | 252139-П2 | Шайба 16 пружинная | |
| 256Б-3501154 | 256Б-3501154 | Шайба стопорная | |
| 219-3501155 | 219-3501155 | Шайба упорная | |
| 201-1114092 | 201-1114092 | Шарик-фиксатор | |
| 256Б-3501140 | 256Б-3501140 | Шестерня рычага | |
| 258252-П8 | 258252-П8 | Шплинт-проволока 1,2х150 | |
| 256Б-3502151 | 256Б-3502151 | Диск защитный левый | |
| 256Б-3502150 | 256Б-3502150 | Диск защитный правый | |
| 200-3501134-А | 200-3501134-А | Пластина стопорная | |
| 200-3501160-А | 200-3501160-А | Прокладка регулировочная | |
| 255Б-3502091 | 255Б-3502091 | Колодка тормоза нижняя в сборе | |
| 201495-П29 | 201495-П29 | Болт М10х1,5х20 | |
| 202145-П29 | 202145-П29 | Болт М16х1,5х45 | |
| 206496-П29 | 206496-П29 | Болт М8х1,25х18 | |
| 221668-П29 | 221668-П29 | Винт М8х1,25х30 | |
| 200-3502126-А | 200-3502126-А | Втулка кронштейна и суппорта | |
| 256Б-3501139 | 256Б-3501139 | Втулка | |
| 200-3502108-Б | 200-3502108-Б | Втулка колодки | |
| 255Б-3502151 | 255Б-3502151 | Диск защитный левый | |
| 255Б-3502150 | 255Б-3502150 | Диск защитный правый | |
| 256Б-3501146 | 256Б-3501146 | Заклепка | |
| 346952-П | 346952-П | Заклепка накладки | |
| 214Б-3502036-Б | 214Б-3502036-Б | Звено пружины | |
| 255Б-3502095 | 255Б-3502095 | Колодка тормоза | |
| 255Б-3502090 | 255Б-3502090 | Колодка тормоза верхняя в сборе | |
| 201493-П29 | 201493-П29 | Болт М10х1,5х16 | |
| 256Б-3501138 | 256Б-3501138 | Корпус рычага | |
| 256Б-3501137 | 256Б-3501137 | Корпус рычага с втулкой | |
| 214-3502125-Б | 214-3502125-Б | Кронштейн левый | |
| 214-3502121-Б | 214-3502121-Б | Кронштейн левый со втулкой | |
| 214-3502124-Б | 214-3502124-Б | Кронштейн правый | |
| 214-3502120-Б | 214-3502120-Б | Кронштейн разжимного кулака правый в сборе | |
| 256Б-3501143 | 256Б-3501143 | Крышка корпуса | |
| 210-3502111-02 | 210-3502111-02 | Кулак разжимной левый | |
| 210-3502110-02 | 210-3502110-02 | Кулак разжимной правый | |
| 255Б-3502105 | 255Б-3502105 | Накладка колодки | |
| 200-3502132-А | 200-3502132-А | Ось колодки | |
| 200-3502132-А2 | 200-3502132-А2 | Ось колодки | |
| 256Б-3501142 | 256Б-3501142 | Ось червяка |
Содержащиеся в справочниках-каталогах запасные части и детали не предлагаются к продаже, а носят исключительно информационный характер