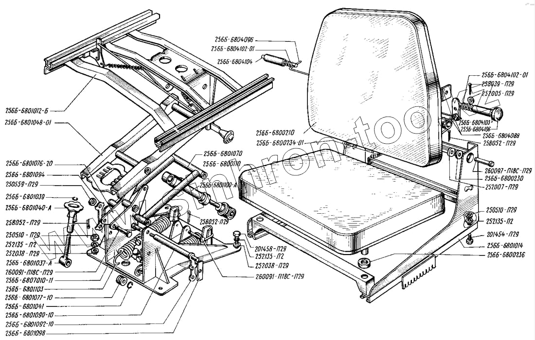
Каталог запасных частей к технике: КрАЗ-255. Сиденье водителя и пассажирское
252038-П29
256Б-6801048-01
256Б-6801070
256Б-6804088
256Б-6801076-20
256Б-6800210
256Б-6801037-А
256Б-6804096
256Б-6804103
256Б-6804104
252005-П29
252007-П29
256Б-6801077-10
252135-П2
258039-П29
258052-П29
252135-П2
250510-П29
258052-П29
260091-П29
260091-П18С
252038-П29
252135-П2
258052-П29
256Б-6804102-01
260091-П29
201454-П29
201458-П29
250510-П29
250559-П29
256Б-6801040-А
256Б-6801014
256Б-6804106
256Б-6801039
256Б-6801041
256Б-6801012-Б
256Б-6801090-10
260091-П18С
256Б-6801100-А
260097-П29
256Б-6801098
256Б-6801092-10
256Б-6801094
256Б-6807010-11
256Б-6800110
256Б-6800230
256Б-6800236
256Б-6800234-01
256Б-6801103
256Б-6804102-01
| Позиция на иллюстрации | Заводской номер детали | Название детали | |
|---|---|---|---|
| 252038-П29 | 252038-П29 | Шайба 8 | |
| 256Б-6801048-01 | 256Б-6801048-01 | Рычаг верхний в сборе | |
| 256Б-6801070 | 256Б-6801070 | Рычаг нижний в сборе | |
| 256Б-6804088 | 256Б-6804088 | Рычаг регулировки спинки в сборе | |
| 256Б-6801076-20 | 256Б-6801076-20 | Рычаг средний в сборе | |
| 256Б-6800010-03 | 256Б-6800010-03 | Сиденье в сборе | |
| 256Б-6800210 | 256Б-6800210 | Спинка сиденья | |
| 256-9600200 | 256-9600200 | Спинка сиденья в сборе | |
| 256Б-6801037-А | 256Б-6801037-А | Тяга в сборе | |
| 256Б-6804096 | 256Б-6804096 | Тяга-проволока | |
| 256Б-6804103 | 256Б-6804103 | Фиксатор | |
| 256Б-6804104 | 256Б-6804104 | Фиксатор | |
| 252005-П29 | 252005-П29 | Шайба 8 | |
| 252007-П29 | 252007-П29 | Шайба 12 | |
| 256Б-6801077-10 | 256Б-6801077-10 | Ролик | |
| 252135-П2 | 252135-П2 | Шайба 8 пружинная | |
| 258039-П29 | 258039-П29 | Шплинт разводной 3х20 | |
| 258052-П29 | 258052-П29 | Шплинт разводной 3,6х20 | |
| 252135-П2 | 252135-П2 | Шайба 8 пружинная | |
| 250510-П29 | 250510-П29 | Гайка М8 | |
| 258052-П29 | 258052-П29 | Шплинт разводной 3,6х20 | |
| 260091-П29 | 260091-П29 | Палец | |
| 260091-П18С | 260091-П18С | Палец 12х45 | |
| 252038-П29 | 252038-П29 | Шайба 8 | |
| 252135-П2 | 252135-П2 | Шайба 8 пружинная | |
| 258052-П29 | 258052-П29 | Шплинт разводной 3,6х20 | |
| 256Б-6804102-01 | 256Б-6804102-01 | Пружина фиксатора | |
| 260091-П29 | 260091-П29 | Палец 12х45 | |
| 201454-П29 | 201454-П29 | Болт М8х1,25х16 | |
| 201458-П29 | 201458-П29 | Болт М8х1,25х25 | |
| 250510-П29 | 250510-П29 | Гайка М8 | |
| 250559-П29 | 250559-П29 | Гайка М14х1,5 | |
| 256Б-6801040-А | 256Б-6801040-А | Гайка регулировочная | |
| 256Б-6801014 | 256Б-6801014 | Каркас сиденья | |
| 256Б-6804106 | 256Б-6804106 | Кнопка фиксатора | |
| 256Б-6801039 | 256Б-6801039 | Кольцо стопорное | |
| 256Б-6801041 | 256Б-6801041 | Кольцо стопорное | |
| 256Б-6801012-Б | 256Б-6801012-Б | Основание сиденья с механизмом регулирования в сборе | |
| 256Б-6801010-22 | 256Б-6801010-22 | Остов сиденья в сборе | |
| 256Б-6801090-10 | 256Б-6801090-10 | Ось рычага | |
| 260091-П18С | 260091-П18С | Палец 12х45 | |
| 256Б-6801100-А | 256Б-6801100-А | Амортизатор сиденья в сборе | |
| 260097-П29 | 260097-П29 | Палец 12х70 | |
| 256Б-6801098 | 256Б-6801098 | Пластина запорная | |
| 256Б-6801092-10 | 256Б-6801092-10 | Пластина стопорная | |
| 256Б-6801094 | 256Б-6801094 | Пластина стопорная | |
| 256Б-6807010-11 | 256Б-6807010-11 | Подставка сиденья | |
| 256Б-6800110 | 256Б-6800110 | Подушка сиденья | |
| 256Б-6900110 | 256Б-6900110 | Подушка сиденья в сборе | |
| 256Б-6800230 | 256Б-6800230 | Прокладка | |
| 256Б-6800236 | 256Б-6800236 | Прокладка подушки | |
| 256Б-6800234-01 | 256Б-6800234-01 | Пружина | |
| 256Б-6801103 | 256Б-6801103 | Пружина | |
| 256Б-6804102-01 | 256Б-6804102-01 | Пружина фиксатора |
Содержащиеся в справочниках-каталогах запасные части и детали не предлагаются к продаже, а носят исключительно информационный характер