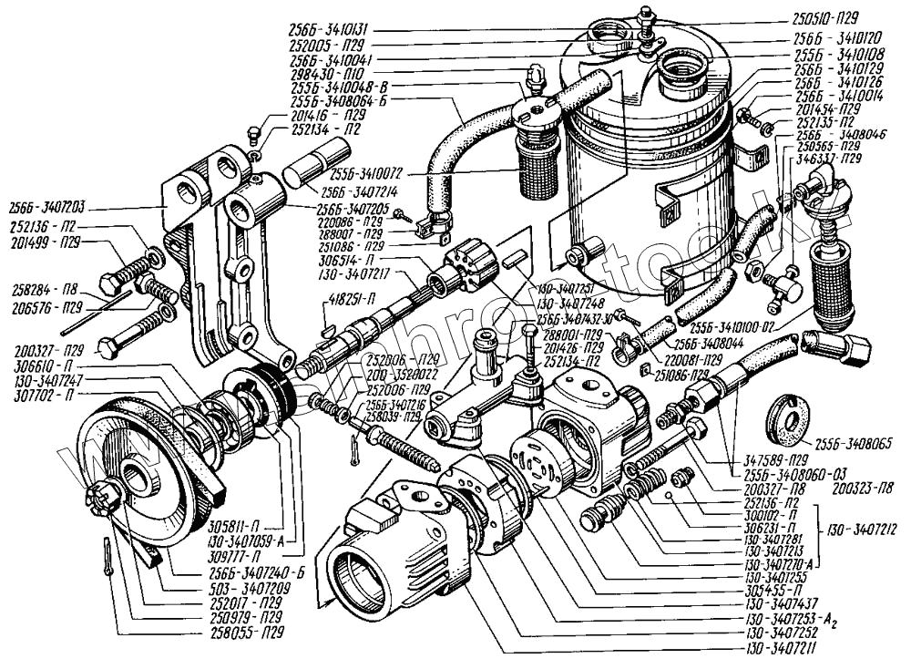
Каталог запасных частей к технике: КрАЗ-255. Насос масляный и бачок гидроусилителя рулевого управления
346337-П29
252134-П2
305811-П
252017-П 29
252006-П29
252005-П29
288007-П29
288001-П29
255Б-3410100-02
255Б-3410072
256Б-3410129
252135-П2
256Б-3410131
130-3407253-А2
300102-П
298430-П10
309777-П
130-3407248
503-3407209
200-3520022
130-3407281
258055-П29
130-3407437
252136-П2
220086-П29
252134-П2
252006-П29
347589-П29
305455-П
418251-П
258284-П8
130-3407059-А
258039-П29
256Б-3408046
256Б-3408044
255Б-3408064-Б
255Б-3408060-03
256Б-3407240-Б
306610-П
306231-П
252136-П2
220081-П29
130-3407270-А
130-3407255
251086-П29
250979-П29
250565-П29
250510-П20
130-3407247
255Б-3408065
256Б-3407216
220086-П29
256Б-3407432-30
130-3407217
206576-П29
201499-П29
201454-П29
201426-П29
201416-П29
200327-П8
200327-П29
200323-П8
130-3407251
255Б-3410108
256Б-3410041
255Б-3410048-В
306514-П
256Б-3407214
256Б-3410126
130-3407212
130-3407213
256Б-3410120
256Б-3407205
256Б-3407203
130-3407211
256Б-3410014
130-3407252
307702-П
| Позиция на иллюстрации | Заводской номер детали | Название детали | |
|---|---|---|---|
| 346337-П29 | 346337-П29 | Тройник | |
| 252134-П2 | 252134-П2 | Шайба 6 пружинная | |
| 305811-П | 305811-П | Шайба | |
| 252017-П 29 | 252017-П 29 | Шайба | |
| 252006-П29 | 252006-П29 | Шайба 10 | |
| 252005-П29 | 252005-П29 | Шайба 8 | |
| 288007-П29 | 288007-П29 | Хомут шланга | |
| 288001-П29 | 288001-П29 | Хомут шланга | |
| 255Б-3410100-02 | 255Б-3410100-02 | Фильтр насоса с клапаном в сборе | |
| 255Б-3410072 | 255Б-3410072 | Фильтр заливной горловины бачка в сборе | |
| 256Б-3410129 | 256Б-3410129 | Уплотнитель крышки бачка | |
| 252135-П2 | 252135-П2 | Шайба 8 пружинная | |
| 256Б-3410131 | 256Б-3410131 | Стержень крепления крышка бачка | |
| 130-3407253-А2 | 130-3407253-А2 | Статор насоса | |
| 300102-П | 300102-П | Седло уплотнительное перепускного клапана | |
| 298430-П10 | 298430-П10 | Сапун К 1/8" | |
| 309777-П | 309777-П | Манжета 24х46 | |
| 130-3407248 | 130-3407248 | Ротор насоса | |
| 503-3407209 | 503-3407209 | Ремень привода насоса | |
| 200-3520022 | 200-3520022 | Пружина регулировочного винта | |
| 130-3407281 | 130-3407281 | Пружина перепускного клапана | |
| 258055-П29 | 258055-П29 | Шплинт разводной 4х36 | |
| 130-3407437 | 130-3407437 | Прокладка уплотнительная коллектора | |
| 252136-П2 | 252136-П2 | Шайба 10 пружинная | |
| 220086-П29 | 220086-П29 | Винт М5х0,8х30 | |
| 252134-П2 | 252134-П2 | Шайба 6 пружинная | |
| 252006-П29 | 252006-П29 | Шайба 10 | |
| 347589-П29 | 347589-П29 | Штуцер ввертной | |
| 305455-П | 305455-П | Штифт | |
| 418251-П | 418251-П | Шпонка сегментная | |
| 258284-П8 | 258284-П8 | Шплинт-проволока 1,6х250 | |
| 130-3407059-А | 130-3407059-А | Проставка насоса | |
| 258039-П29 | 258039-П29 | Шплинт разводной 3х20 | |
| 256Б-3408046 | 256Б-3408046 | Шланг сливной задний | |
| 256Б-3408044 | 256Б-3408044 | Шланг сливной | |
| 255Б-3408064-Б | 255Б-3408064-Б | Шланг питающий | |
| 255Б-3408060-03 | 255Б-3408060-03 | Шланг нагнетательный | |
| 256Б-3407240-Б | 256Б-3407240-Б | Шкив насоса | |
| 306610-П | 306610-П | Подшипник шариковый | |
| 306231-П | 306231-П | Шарик-клапан | |
| 252136-П2 | 252136-П2 | Шайба 10 пружинная | |
| 220081-П29 | 220081-П29 | Винт М5х0,8х18 | |
| 130-3407270-А | 130-3407270-А | Клапан перепускной в сборе | |
| 130-3407255 | 130-3407255 | Диск распределительный | |
| 251086-П29 | 251086-П29 | Гайка М5х0,8 | |
| 250979-П29 | 250979-П29 | Гайка | |
| 250565-П29 | 250565-П29 | Гайка М20х1,5 | |
| 250510-П20 | 250510-П20 | Гайка | |
| 130-3407247 | 130-3407247 | Втулка шкива | |
| 255Б-3408065 | 255Б-3408065 | Втулка предохранительная | |
| 256Б-3407216 | 256Б-3407216 | Винт регулировочный | |
| 220086-П29 | 220086-П29 | Винт М5х0,8х30 | |
| 256Б-3407432-30 | 256Б-3407432-30 | Коллектор насоса | |
| 130-3407217 | 130-3407217 | Валик насоса | |
| 206576-П29 | 206576-П29 | Болт М12х30 | |
| 201499-П29 | 201499-П29 | Болт М10х1,5х30 | |
| 201454-П29 | 201454-П29 | Болт М8х1,25х16 | |
| 201426-П29 | 201426-П29 | Болт М6х1х35 | |
| 201416-П29 | 201416-П29 | Болт М6х1х12 | |
| 200327-П8 | 200327-П8 | Болт | |
| 200327-П29 | 200327-П29 | Болт М10х90 | |
| 200323-П8 | 200323-П8 | Болт | |
| 130-3407251 | 130-3407251 | Лопасть ротора | |
| 130-340737 | 130-340737 | Прокладки уплотнительные коллектора | |
| 255Б-3410108 | 255Б-3410108 | Прокладка уплотнительная | |
| 256Б-3410041 | 256Б-3410041 | Прокладка стержня | |
| 255Б-3410048-В | 255Б-3410048-В | Пробка бачка | |
| 306514-П | 306514-П | Подшипник игольчатый ГПЗ-154901 | |
| 256Б-3407214 | 256Б-3407214 | Ось кронштейна | |
| 256Б-3407190-В | 256Б-3407190-В | Насос усилителя рулевого привода с натяжным устройством в сборе | |
| 256Б-3407200-В | 256Б-3407200-В | Насос гидроусилителя в сборе | |
| 256Б-3410126 | 256Б-3410126 | Маслогаситель бачка | |
| 256Б-3410008 | 256Б-3410008 | Бачок масляный в сборе | |
| 130-3407212 | 130-3407212 | Крышка насоса с предохранительным клапаном в сборе | |
| 130-3407213 | 130-3407213 | Крышка насоса | |
| 256Б-3410120 | 256Б-3410120 | Крышка бачка | |
| 256Б-3407205 | 256Б-3407205 | Кронштейн подвижный | |
| 256Б-3407203 | 256Б-3407203 | Кронштейн неподвижный | |
| 130-3407211 | 130-3407211 | Корпус насоса | |
| 256Б-3410014 | 256Б-3410014 | Корпус бачка | |
| 130-3407252 | 130-3407252 | Кольцо уплотнительное | |
| 307702-П | 307702-П | Кольцо стопорное |
Содержащиеся в справочниках-каталогах запасные части и детали не предлагаются к продаже, а носят исключительно информационный характер