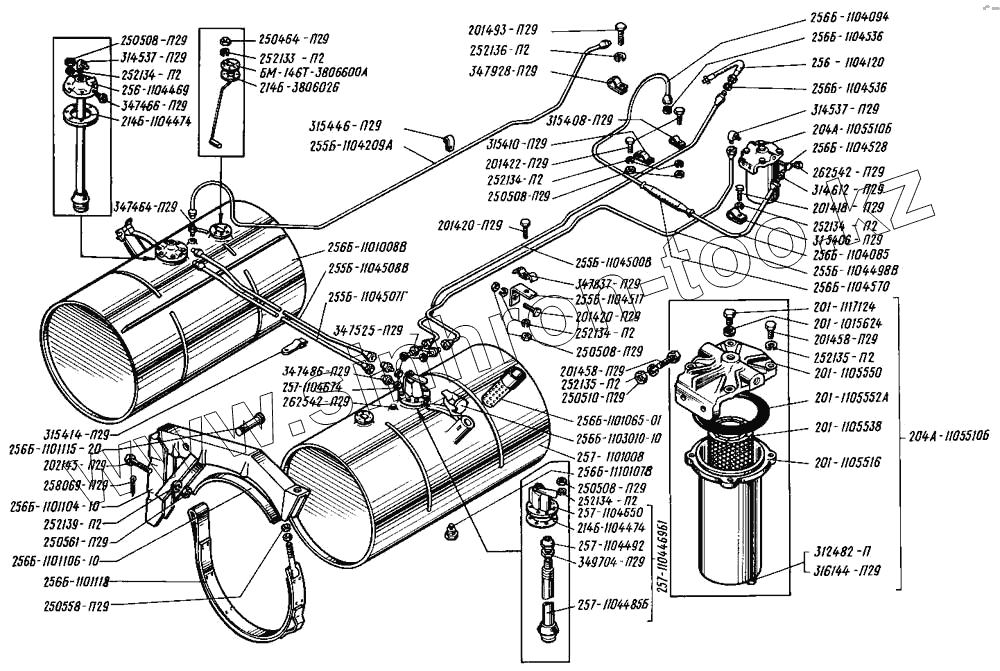
Каталог запасных частей к технике: КрАЗ-255. Баки топливные
256Б-1101065-01
257-1104674
256Б-1104536
312482-П
252139-П2
252136-П2
252135-П2
252134-П2
252134-П2
252134-П2
252134-П2
252134-П2
252133-П2
256Б-1101110
204А-1105510-Б
256Б-1104570
255Б-1104517
314537-П29
256-1104094
255Б-1104209-А
255Б-1104500-В
256Б-1104085
255Б-1104508-В
255Б-1104498-В
255Б-1104507-Г
201458-П29
204А-1105510-Б
250508-П29
252135-П2
314537-П29
256Б-1104536
214Б-1104474
250508-П29
201420-П29
250508-П29
256-1104469
262542-П29
201-1105538
347525-П29
347486-П29
347466-П29
347464-П29
314612-П29
258069-П29
256-1104120
250508-П29
315446-П29
315414-П29
315410-П29
315408-П29
315406-П29
257-1104492
349704-П29
250561-П29
250558-П29
250510-П29
347928-П29
250464-П29
202145-П29
201493-П29
201458-П29
201422-П29
201420-П29
201418-П29
БМ146Т-3806600-А
257-1101008
256Б-1101078
257-1104485-Б
347837-П29
214Б-1104474
201-1015624
201-1105552-А
256Б-1101106-10
214Б-2806026
201-1117124
256Б-1103010-10
256Б-1101008-В
316144-П29
262542-П29
256Б-1104528
256Б-1101115-20
201-1105550
256Б-1101104-10
257-1104469-Б1
257-1104650
201-1105516
| Позиция на иллюстрации | Заводской номер детали | Название детали | |
|---|---|---|---|
| 256Б-1101065-01 | 256Б-1101065-01 | Фильтр наливной трубы | |
| 257-1104674 | 257-1104674 | Шайба уплотнительная | |
| 256Б-1104536 | 256Б-1104536 | Шайба уплотнительная | |
| 312482-П | 312482-П | Шайба 10,5 | |
| 252139-П2 | 252139-П2 | Шайба 16 пружинная | |
| 252136-П2 | 252136-П2 | Шайба 10 пружинная | |
| 252135-П2 | 252135-П2 | Шайба 8 пружинная | |
| 252134-П2 | 252134-П2 | Шайба 6 пружинная | |
| 252133-П2 | 252133-П2 | Шайба 5 пружинная | |
| 256Б-1101110 | 256Б-1101110 | Хомут крепления топливного бака | |
| 204А-1105510-Б | 204А-1105510-Б | Фильтр топливный грубой очистки в сборе | |
| 256Б-1104570 | 256Б-1104570 | Шланг соединительный | |
| 255Б-1104517 | 255Б-1104517 | Угольник скобы крепления топливопроводов | |
| 314537-П29 | 314537-П29 | Угольник ввертный К 1/4"хМ16х1,5 | |
| 256-1104094 | 256-1104094 | Трубка топливная от шланга к топливоподкачивающему насосу | |
| 255Б-1104209-А | 255Б-1104209-А | Трубка топливная от форсунок к баку в сборе | |
| 255Б-1104500-В | 255Б-1104500-В | Трубка топливная от фильтра тонкой очистки к крану в сборе | |
| 256Б-1104085 | 256Б-1104085 | Трубка топливная от фильтра грубой очистки к шлангу | |
| 255Б-1104508-В | 255Б-1104508-В | Трубка топливная от левого бака к крану в сборе | |
| 255Б-1104498-В | 255Б-1104498-В | Трубка топливная от крана к фильтру грубой очистки в сборе | |
| 255Б-1104507-Г | 255Б-1104507-Г | Трубка топливная от крана к левому баку в сборе | |
| 201458-П29 | 201458-П29 | Болт М8х1,25х25 | |
| 204А-1105510-Б | 204А-1105510-Б | Фильтр топливный грубой очистки в сборе | |
| 250508-П29 | 250508-П29 | Гайка М6-6Н | |
| 252135-П2 | 252135-П2 | Шайба 8 пружинная | |
| 314537-П29 | 314537-П29 | Угольник ввертный К 1/4"хМ16х1,5 | |
| 256Б-1104536 | 256Б-1104536 | Шайба уплотнительная | |
| 214Б-1104474 | 214Б-1104474 | Прокладка фланца всасывающей трубы | |
| 250508-П29 | 250508-П29 | Гайка М6-6Н | |
| 201420-П29 | 201420-П29 | Болт М6х1х20 | |
| 250508-П29 | 250508-П29 | Гайка М6-6Н | |
| 256-1104469 | 256-1104469 | Топливозаборник с сеткой и обоймой | |
| 262542-П29 | 262542-П29 | Пробка КГ 1/4" | |
| 201-1105538 | 201-1105538 | Элемент фильтрующий | |
| 347525-П29 | 347525-П29 | Штуцер 8 проходной | |
| 347486-П29 | 347486-П29 | Штуцер 10 проходной | |
| 347466-П29 | 347466-П29 | Штуцер ввертный | |
| 347464-П29 | 347464-П29 | Штуцер ввертный К 1/4"хМ10х1 | |
| 314612-П29 | 314612-П29 | Штуцер ввертный К 1/4"хМ16х1,5 | |
| 258069-П29 | 258069-П29 | Шплинт разводной 5х36 | |
| 256-1104120 | 256-1104120 | Шланг соединительный в сборе | |
| 250508-П29 | 250508-П29 | Гайка М6-6Н | |
| 315446-П29 | 315446-П29 | Кляммер | |
| 315414-П29 | 315414-П29 | Кляммер | |
| 315410-П29 | 315410-П29 | Кляммер | |
| 315408-П29 | 315408-П29 | Кляммер | |
| 315406-П29 | 315406-П29 | Кляммер воздухопровода 8х10 | |
| 257-1104492 | 257-1104492 | Гайка специальная | |
| 349704-П29 | 349704-П29 | Гайка М24х1 | |
| 250561-П29 | 250561-П29 | Гайка М16х1,5 | |
| 250558-П29 | 250558-П29 | Гайка М14х2 | |
| 250510-П29 | 250510-П29 | Гайка М8 | |
| 347928-П29 | 347928-П29 | Кляммер 10 | |
| 250464-П29 | 250464-П29 | Гайка М5х0,8 | |
| 202145-П29 | 202145-П29 | Болт М16х1,5х45 | |
| 201493-П29 | 201493-П29 | Болт М10х1,5х16 | |
| 201458-П29 | 201458-П29 | Болт М8х1,25х25 | |
| 201422-П29 | 201422-П29 | Болт М6х1х25 | |
| 201420-П29 | 201420-П29 | Болт М6х1х20 | |
| 201418-П29 | 201418-П29 | Болт М6х1х16 | |
| БМ146Т-3806600-А | БМ146Т-3806600-А | Датчик указателя уровня топлива | |
| 257-1101008 | 257-1101008 | Бак топливный | |
| 256Б-1101078 | 256Б-1101078 | Пробка спускного крана | |
| 257-1104485-Б | 257-1104485-Б | Топливозаборник | |
| 347837-П29 | 347837-П29 | Скоба | |
| 214Б-1104474 | 214Б-1104474 | Прокладка фланца всасывающей трубы | |
| 201-1015624 | 201-1015624 | Прокладка пробки | |
| 201-1105552-А | 201-1105552-А | Прокладка крышки | |
| 256Б-1101106-10 | 256Б-1101106-10 | Прокладка кронштейна | |
| 214Б-2806026 | 214Б-2806026 | Прокладка | |
| 201-1117124 | 201-1117124 | Пробка фильтра | |
| 256Б-1103010-10 | 256Б-1103010-10 | Пробка топливного бака | |
| 256Б-1101008-В | 256Б-1101008-В | Бак топливный | |
| 316144-П29 | 316144-П29 | Пробка М10х1 | |
| 262542-П29 | 262542-П29 | Пробка КГ 1/4" | |
| 256Б-1104528 | 256Б-1104528 | Переходник | |
| 256Б-1101115-20 | 256Б-1101115-20 | Палец хомута | |
| 201-1105550 | 201-1105550 | Крышка топливного фильтра | |
| 256Б-1101104-10 | 256Б-1101104-10 | Кронштейн крепления топливного бака | |
| 257-1104469-Б1 | 257-1104469-Б1 | Кран распределительный с топливозаборником в сборе | |
| 257-1104650 | 257-1104650 | Кран распределительный в сборе | |
| 201-1105516 | 201-1105516 | Корпус фильтра в сборе |
Содержащиеся в справочниках-каталогах запасные части и детали не предлагаются к продаже, а носят исключительно информационный характер