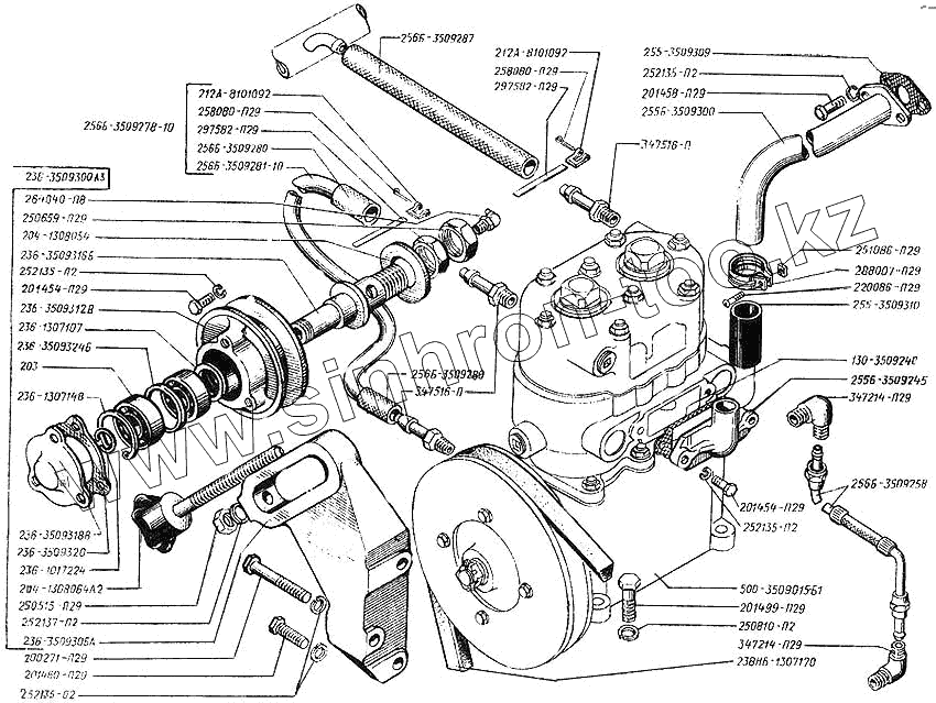
Каталог запасных частей к технике: КрАЗ-250. Установка и привод компрессора
252135-П2
252135-П2
252135-П2
252135-П2
130-3509240
236-3509320
255-3509309
212А-8101092
212А-8101092
238НБ-1307170
256Б-3509258
256Б-3509281-10
255Б-3509300
256Б-3509278-10
347214-П29
347214-П29
288007-П29
204-1308054
264040-П8
252137-П2
203
236-3509312-В
256Б-3509287
256Б-3509280
256Б-3509280
256-3509310
258080-П29
258080-П29
347516-П
347516-П
201454-П29
201454-П29
201458-П29
201460-П29
201499-П29
204-1308064А2
220086-П29
250810-П2
251086-П29
250515-П29
250659-П29
200271-П29
236-1307148
236-3509324-Б
236-1017224
236-1307107
500-3509015-Б1
236-3509306-А
236-3509318-В
297582-П29
297582-П29
236-3509300-А3
236-3509316-Б
255Б-3509245
| Позиция на иллюстрации | Заводской номер детали | Название детали | |
|---|---|---|---|
| 252135-П2 | 252135-П2 | Шайба 8 пружинная | |
| 130-3509240 | 130-3509240 | Прокладка патрубка | |
| 236-3509320 | 236-3509320 | Прокладка крышки | |
| 255-3509309 | 255-3509309 | Прокладка фланца трубы | |
| 212А-8101092 | 212А-8101092 | Пряжка хомута | |
| 238НБ-1307170 | 238НБ-1307170 | Ремень привода | |
| 256Б-3509258 | 256Б-3509258 | Трубка подвода масла в сборе | |
| 256Б-3509281-10 | 256Б-3509281-10 | Трубка подвода воды к компрессору | |
| 255Б-3509300 | 255Б-3509300 | Труба подвода воздуха в сборе | |
| 256Б-3509278-10 | 256Б-3509278-10 | Трубка подвода воды в сборе | |
| 347214-П29 | 347214-П29 | Угольник ввертной К1/8" М10х1 | |
| 288007-П29 | 288007-П29 | Хомут шланга | |
| 204-1308054 | 204-1308054 | Шайба установочная шкива натяжного устройства | |
| 264040-П8 | 264040-П8 | Пресс-масленка 1/8" | |
| 252137-П2 | 252137-П2 | Шайба 12 пружинная | |
| 345066-П29 | 345066-П29 | Шайба 9 | |
| 345201-П29 | 345201-П29 | Шайба 12 | |
| 203 | 203 | Подшипник шариковый | |
| 236-3509312-В | 236-3509312-В | Шкив | |
| 256Б-3509287 | 256Б-3509287 | Шланг отвода воды | |
| 256Б-3509280 | 256Б-3509280 | Шланг трубки подвода воды | |
| 256-3509310 | 256-3509310 | Шланг | |
| 258080-П29 | 258080-П29 | Шплинт 5,6х25 | |
| 347001-П1 | 347001-П1 | Шпонка | |
| 347104-П2 | 347104-П2 | Шпонка | |
| 347516-П | 347516-П | Штуцер К 3/8" | |
| 346904-П | 346904-П | Заклепка 5х12 | |
| 201454-П29 | 201454-П29 | Болт М8х1,25х16 | |
| 201458-П29 | 201458-П29 | Болт М8х1,25х25 | |
| 201460-П29 | 201460-П29 | Болт М8х1,25х30 | |
| 201499-П29 | 201499-П29 | Болт М10х1,5х30 | |
| 348548-П29 | 348548-П29 | Болт установочный М8х80 | |
| 204-1308064А2 | 204-1308064А2 | Болт шкива | |
| 509507-П29 | 509507-П29 | Вилка | |
| 220086-П29 | 220086-П29 | Винт М5х0,8х30 | |
| 250810-П2 | 250810-П2 | Гайка | |
| 251086-П29 | 251086-П29 | Гайка М5х0,8 | |
| 250515-П29 | 250515-П29 | Гайка 2М12х1,25.5.019 | |
| 250659-П29 | 250659-П29 | Гайка М22х1,5 | |
| 200271-П29 | 200271-П29 | Болт | |
| 236-1307148 | 236-1307148 | Кольцо пружинное | |
| 236-3509324-Б | 236-3509324-Б | Кольцо распорное | |
| 236-1017224 | 236-1017224 | Кольцо стопорное | |
| 236-1307107 | 236-1307107 | Кольцо уплотнительное | |
| 500-3509015-Б1 | 500-3509015-Б1 | Компрессор в сборе (45341611319) | |
| 236-3509306-А | 236-3509306-А | Кронштейн | |
| 236-3509318-В | 236-3509318-В | Крышка | |
| 297582-П29 | 297582-П29 | Лента стяжная 10х180 | |
| 236-3509300-А3 | 236-3509300-А3 | Натяжное устройство в сборе | |
| 236-3509316-Б | 236-3509316-Б | Ось шкива | |
| 260058-П29 | 260058-П29 | Палец | |
| 255Б-3509245 | 255Б-3509245 | Патрубок подвода воздуха |
Содержащиеся в справочниках-каталогах запасные части и детали не предлагаются к продаже, а носят исключительно информационный характер