Каталог запасных частей к технике: КрАЗ-250. Тяги рулевые
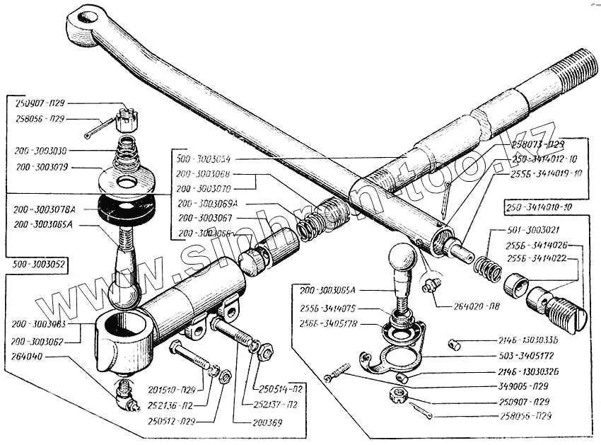
250-3414010-10
200-3003068
200-3003078А
214Б-1303032-Б
255Б-3414022
200-3003067
200-3003066
214Б-1303033-Б
500-3003054
255Б-3414019-10
200-3003070
500-3003052
256Б-3405178
503-3405172
252136-П2
252137-П2
258056-П29
258056-П29
258073-П29
250-3414012-10
200-3003062
201510-П29
349005-П29
250512-П29
250514-П29
250907-П29
250907-П29
264020-П8
264040
200-3003063
200369
200-3003079
255Б-3414075
255Б-3414019-10
200-3003065А
200-3003065А
255Б-3414026
501-3003021
200-3003069А
200-3003030
| Позиция на иллюстрации | Заводской номер детали | Название детали | |
|---|---|---|---|
| 250-3414010-10 | 250-3414010-10 | Тяга продольная рулевая в сборе | |
| 200-3003068 | 200-3003068 | Пята опорная | |
| 200-3003078А | 200-3003078А | Сальник | |
| 214Б-1303032-Б | 214Б-1303032-Б | Сухарь | |
| 255Б-3414022 | 255Б-3414022 | Сухарь | |
| 200-3003067 | 200-3003067 | Сухарь пальца большой | |
| 200-3003066 | 200-3003066 | Сухарь пальца малый | |
| 214Б-1303033-Б | 214Б-1303033-Б | Сухарь упорный | |
| 500-3003054 | 500-3003054 | Тяга | |
| 255Б-3414019-10 | 255Б-3414019-10 | Ограничитель хода | |
| 200-3003070 | 200-3003070 | Пята опорная | |
| 500-3003052 | 500-3003052 | Тяга рулевой трапеции в сборе | |
| 256Б-3405178 | 256Б-3405178 | Уплотнитель | |
| 503-3405172 | 503-3405172 | Хомут уплотнителя | |
| 252136-П2 | 252136-П2 | Шайба 10 пружинная | |
| 252137-П2 | 252137-П2 | Шайба 12 пружинная | |
| 258056-П29 | 258056-П29 | Шплинт разводной 4х40 | |
| 258073-П29 | 258073-П29 | Шплинт разводной 5х50 | |
| 250-3414012-10 | 250-3414012-10 | Труба продольной рулевой тяги с наконечником | |
| 200-3003062 | 200-3003062 | Наконечник тяги правый | |
| 201510-П29 | 201510-П29 | Болт М10х85 | |
| 349005-П29 | 349005-П29 | Винт М5х48 | |
| 250512-П29 | 250512-П29 | Гайка М10х1,5 | |
| 250514-П29 | 250514-П29 | Гайка М12х1,75 | |
| 250907-П29 | 250907-П29 | Гайка М18х1,5 | |
| 264020-П8 | 264020-П8 | Пресс-масленка 1/8" | |
| 264040 | 264040 | Масленка 1/8" | |
| 200-3003063 | 200-3003063 | Наконечник тяги левый | |
| 200369 | 200369 | Болт | |
| 200-3003079 | 200-3003079 | Обойма сальника | |
| 255Б-3414075 | 255Б-3414075 | Обойма | |
| 255Б-3414019-10 | 255Б-3414019-10 | Ограничитель хода | |
| 200-3003065А | 200-3003065А | Палец шаровой | |
| 255Б-3414026 | 255Б-3414026 | Пробка | |
| 501-3003021 | 501-3003021 | Пружина сухарей | |
| 200-3003069А | 200-3003069А | Пружина | |
| 200-3003030 | 200-3003030 | Пружина сальника опорная |
Содержащиеся в справочниках-каталогах запасные части и детали не предлагаются к продаже, а носят исключительно информационный характер