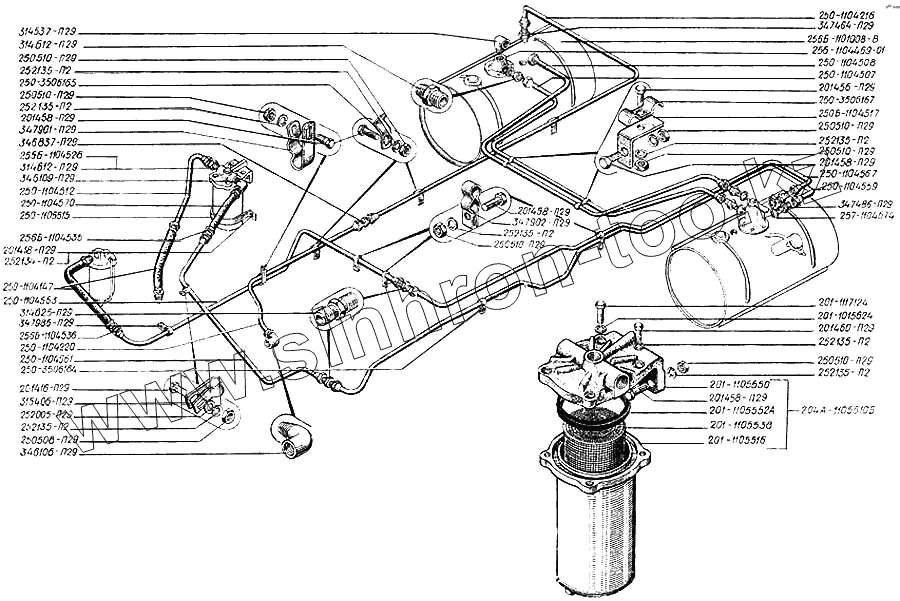
Каталог запасных частей к технике: КрАЗ-250. Топливопроводы
257-1104674
250-1104508
250-1104512
250-1104559
250-1104561
250-1104567
250Б-1104517
314537-П29
346106-П29
346109-П29
204А-1105510Б
250-1105515
256Б-1104536
256Б-1104536
250-1104507
252005-П29
252134-П2
252135-П2
252135-П2
252135-П2
252135-П2
252135-П2
252135-П2
252135-П2
250-1104147
250-1104570
346837-П29
314612-П29
314612-П29
314625-П29
347464-П29
347486-П29
201-1105538
204-1105550
201416-П29
201418-П29
201456-П29
201458-П29
201458-П29
201458-П29
201458-П29
201460-П29
250508-П29
250510-П29
250510-П29
250510-П29
250510-П29
250510-П29
250510-П29
315406-П29
347901-П29
347902-П29
347986-П29
201-1105516
256Б-1101008-Б
256Б-1104528
201-1117124
201-1015624
201-1105552А
250-3506164
250-3506165
250-3506167
256-1104469-01
250-1104563
250-1104216
250-1104220
| Позиция на иллюстрации | Заводской номер детали | Название детали | |
|---|---|---|---|
| 257-1104674 | 257-1104674 | Шайба уплотнительная | |
| 250-1104508 | 250-1104508 | Топливопровод | |
| 250-1104512 | 250-1104512 | Трубка топливная от фильтра грубой очистки к насосу | |
| 250-1104559 | 250-1104559 | Топливопровод | |
| 250-1104561 | 250-1104561 | Топливопровод | |
| 250-1104567 | 250-1104567 | Топливопровод | |
| 250Б-1104517 | 250Б-1104517 | Угольник | |
| 314537-П29 | 314537-П29 | Угольник ввертный К 1/4"хМ16х1,5 | |
| 346106-П29 | 346106-П29 | Угольник | |
| 346109-П29 | 346109-П29 | Угольник М20х1,5 К1/4" | |
| 204А-1105510Б | 204А-1105510Б | Фильтр грубой очистки топлива | |
| 250-1105515 | 250-1105515 | Хомут крепления фильтра грубой очистки топлива | |
| 256Б-1104536 | 256Б-1104536 | Шайба уплотнительная | |
| 250-1104507 | 250-1104507 | Топливопровод | |
| 252005-П29 | 252005-П29 | Шайба 8 | |
| 252134-П2 | 252134-П2 | Шайба 6 пружинная | |
| 252135-П2 | 252135-П2 | Шайба 8 пружинная | |
| 250-1104147 | 250-1104147 | Шланг | |
| 250-1104570 | 250-1104570 | Шланг | |
| 346837-П29 | 346837-П29 | Штуцер М10х1хМ10х1 | |
| 314612-П29 | 314612-П29 | Штуцер ввертный К 1/4"хМ16х1,5 | |
| 314625-П29 | 314625-П29 | Штуцер | |
| 347464-П29 | 347464-П29 | Штуцер ввертный К 1/4"хМ10х1 | |
| 347486-П29 | 347486-П29 | Штуцер 10 проходной | |
| 201-1105538 | 201-1105538 | Элемент фильтрующий | |
| 204-1105550 | 204-1105550 | Крышка фильтра | |
| 201416-П29 | 201416-П29 | Болт М6х1х12 | |
| 201418-П29 | 201418-П29 | Болт М6х1х16 | |
| 201456-П29 | 201456-П29 | Болт М8х1,25х20 | |
| 201458-П29 | 201458-П29 | Болт М8х1,25х25 | |
| 201460-П29 | 201460-П29 | Болт М8х1,25х30 | |
| 250508-П29 | 250508-П29 | Гайка М6-6Н | |
| 250510-П29 | 250510-П29 | Гайка М8 | |
| 315406-П29 | 315406-П29 | Кляммер воздухопровода 8х10 | |
| 347901-П29 | 347901-П29 | Кляммер | |
| 347902-П29 | 347902-П29 | Кляммер | |
| 347986-П29 | 347986-П29 | Кляммер | |
| 201-1105516 | 201-1105516 | Корпус фильтра в сборе | |
| 256Б-1101008-Б | 256Б-1101008-Б | Бак топливный | |
| 256Б-1104528 | 256Б-1104528 | Переходник | |
| 201-1117124 | 201-1117124 | Пробка фильтра | |
| 201-1015624 | 201-1015624 | Прокладка пробки | |
| 201-1105552А | 201-1105552А | Прокладка | |
| 250-3506164 | 250-3506164 | Скоба 10 | |
| 250-3506165 | 250-3506165 | Скоба 6 | |
| 250-3506167 | 250-3506167 | Скоба трубок | |
| 256-1104469-01 | 256-1104469-01 | Топливозаборник с сеткой и обоймой | |
| 250-1104563 | 250-1104563 | Топливопровод | |
| 250-1104216 | 250-1104216 | Топливопровод | |
| 250-1104220 | 250-1104220 | Топливопровод |
Содержащиеся в справочниках-каталогах запасные части и детали не предлагаются к продаже, а носят исключительно информационный характер