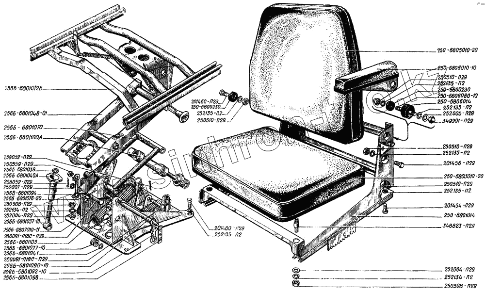
Каталог запасных частей к технике: КрАЗ-250. Сиденье водителя в сборе
250-6806010-10
256Б-6807010-11
250-6803010-20
250-6800230
250-6800230
256Б-6801103
256Б-6801077-10
256Б-6801048-01
256Б-6801070
256Б-6801076-20
256Б-6801092-10
250-6805010-20
256Б-6801037-10
252004-П29
252004-П29
252005-П29
252007-П29
252134-П2
252134-П2
252135-П2
252135-П2
252135-П2
252135-П2
252135-П2
252135-П2
348823-П29
258052-П29
258052-П29
256Б-6801100-А
201454-П29
201456-П29
201460-П29
201460-П29
250508-П29
250508-П29
250510-П29
250510-П29
250510-П29
250510-П29
250559-П29
349901-П29
256Б-6801040-А
250-6801014
250-6806014
256Б-6801039
256Б-6801041
256Б-6801012-Б
250-6806080-10
256Б-6801090-10
260091-П29
260091-П29
256Б-6801098
256Б-6801094
| Позиция на иллюстрации | Заводской номер детали | Название детали | |
|---|---|---|---|
| 250-6800010-30 | 250-6800010-30 | Сиденье водителя в сборе | |
| 250-6806010-10 | 250-6806010-10 | Подлокотник в сборе | |
| 256Б-6807010-11 | 256Б-6807010-11 | Подставка сиденья | |
| 250-6803010-20 | 250-6803010-20 | Подушка сиденья водителя | |
| 251-6813010-01 | 251-6813010-01 | Подушка сиденья пассажиров | |
| 250-6800230 | 250-6800230 | Прокладка | |
| 256Б-6801103 | 256Б-6801103 | Пружина | |
| 256Б-6801077-10 | 256Б-6801077-10 | Ролик | |
| 256Б-6801048-01 | 256Б-6801048-01 | Рычаг верхний в сборе | |
| 256Б-6801070 | 256Б-6801070 | Рычаг нижний в сборе | |
| 256Б-6801076-20 | 256Б-6801076-20 | Рычаг средний в сборе | |
| 256Б-6801092-10 | 256Б-6801092-10 | Пластина стопорная | |
| 250-6805010-20 | 250-6805010-20 | Спинка сиденья водителя | |
| 251-6815010-01 | 251-6815010-01 | Спинка сиденья пассажиров | |
| 256Б-6801037-10 | 256Б-6801037-10 | Тяга в сборе | |
| 252004-П29 | 252004-П29 | Шайба 6 | |
| 252005-П29 | 252005-П29 | Шайба 8 | |
| 252007-П29 | 252007-П29 | Шайба 12 | |
| 252134-П2 | 252134-П2 | Шайба 6 пружинная | |
| 252135-П2 | 252135-П2 | Шайба 8 пружинная | |
| 348823-П29 | 348823-П29 | Шпилька | |
| 258052-П29 | 258052-П29 | Шплинт разводной 3,6х20 | |
| 250-8223010-20 | 250-8223010-20 | Коврик сиденья водителя | |
| 256Б-6801100-А | 256Б-6801100-А | Амортизатор сиденья в сборе | |
| 201454-П29 | 201454-П29 | Болт М8х1,25х16 | |
| 201456-П29 | 201456-П29 | Болт М8х1,25х20 | |
| 201460-П29 | 201460-П29 | Болт М8х1,25х30 | |
| 250508-П29 | 250508-П29 | Гайка М6-6Н | |
| 250510-П29 | 250510-П29 | Гайка М8 | |
| 250559-П29 | 250559-П29 | Гайка М14х1,5 | |
| 349901-П29 | 349901-П29 | Гайка М8х15 | |
| 256Б-6801040-А | 256Б-6801040-А | Гайка регулировочная | |
| 250-6801014 | 250-6801014 | Каркас | |
| 250-6806014 | 250-6806014 | Амортизатор подлокотника | |
| 256Б-6801039 | 256Б-6801039 | Кольцо стопорное | |
| 256Б-6801041 | 256Б-6801041 | Кольцо стопорное | |
| 256Б-6801012-Б | 256Б-6801012-Б | Основание сиденья в сборе | |
| 250-6801010-10 | 250-6801010-10 | Остов сиденья водителя в сборе | |
| 250-6806080-10 | 250-6806080-10 | Ось крепления подлокотника | |
| 256Б-6801090-10 | 256Б-6801090-10 | Ось рычага | |
| 260091-П29 | 260091-П29 | Палец | |
| 256Б-6801098 | 256Б-6801098 | Пластина запорная | |
| 256Б-6801094 | 256Б-6801094 | Пластина стопорная |
Содержащиеся в справочниках-каталогах запасные части и детали не предлагаются к продаже, а носят исключительно информационный характер