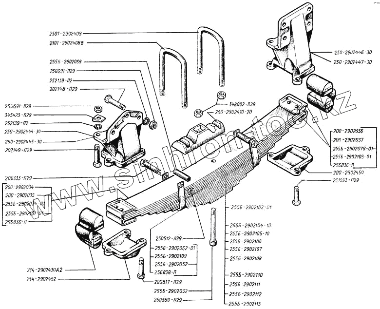
Каталог запасных частей к технике: КрАЗ-250. Рессора передняя
250-2902410-20
255Б-2902113
255Б-2902102-01
255Б-2902103-01
255Б-2902076-01
255Б-2902104-10
255Б-2902105-10
255Б-2902106
255Б-2902107
255Б-2902108
255Б-2902109
255Б-2902052
255Б-2902112
214-2902430-А2
250Т-2902409
210Т-2902408-Б
255Б-2902062-01
200-2902036
200-2902037
200-2902034
200-2902035
252139-П2
252139-П2
345423-П29
256838-П
200817-П29
201593-П29
202148-П29
202149-П29
255Б-2902032
255Б-2902068
250512-П29
250560-П29
250691-П29
250691-П29
348002-П29
256836-П
256836-П
200333-П29
250-2902447-30
250-2902446-30
250-2902445-30
250-2902444-30
200-2902450
214-2902452
255Б-2902101-01
255Б-2902074-01
255Б-2902110
255Б-2902111
| Позиция на иллюстрации | Заводской номер детали | Название детали | |
|---|---|---|---|
| 250-2902410-20 | 250-2902410-20 | Накладка рессоры в сборе | |
| 255Б-2902113 | 255Б-2902113 | Лист № 13 | |
| 255Б-2902102-01 | 255Б-2902102-01 | Лист № 2 | |
| 255Б-2902103-01 | 255Б-2902103-01 | Лист № 3 | |
| 255Б-2902076-01 | 255Б-2902076-01 | Лист № 3 с чашками в сборе | |
| 255Б-2902104-10 | 255Б-2902104-10 | Лист № 4 | |
| 255Б-2902105-10 | 255Б-2902105-10 | Лист № 5 | |
| 255Б-2902106 | 255Б-2902106 | Лист № 6 | |
| 255Б-2902107 | 255Б-2902107 | Лист № 7 | |
| 255Б-2902108 | 255Б-2902108 | Лист № 8 | |
| 255Б-2902109 | 255Б-2902109 | Лист № 9 | |
| 255Б-2902052 | 255Б-2902052 | Лист № 9 с хомутами | |
| 255Б-2902112 | 255Б-2902112 | Лист № 12 | |
| 214-2902430-А2 | 214-2902430-А2 | Подушка | |
| 255Б-2902012-21 | 255Б-2902012-21 | Рессора передняя в сборе | |
| 250Т-2902409 | 250Т-2902409 | Стремянка задняя | |
| 210Т-2902408-Б | 210Т-2902408-Б | Стремянка передняя | |
| 255Б-2902062-01 | 255Б-2902062-01 | Хомут листа № 9 | |
| 200-2902036 | 200-2902036 | Чашка подушки рессоры верхняя | |
| 200-2902037 | 200-2902037 | Чашка подушки задняя нижняя | |
| 200-2902034 | 200-2902034 | Чашка подушки передняя верхняя | |
| 200-2902035 | 200-2902035 | Чашка подушки задняя нижняя | |
| 252139-П2 | 252139-П2 | Шайба 16 пружинная | |
| 345423-П29 | 345423-П29 | Шайба 16 косая | |
| 256838-П | 256838-П | Заклепка 10х24 | |
| 200817-П29 | 200817-П29 | Болт М14х2х60 | |
| 201593-П29 | 201593-П29 | Болт М14х2х50 | |
| 202148-П29 | 202148-П29 | Болт М16х1,5х55 | |
| 202149-П29 | 202149-П29 | Болт М16х1,5х60 | |
| 255Б-2902032 | 255Б-2902032 | Болт рессоры центровой | |
| 255Б-2902068 | 255Б-2902068 | Втулка распорная | |
| 250512-П29 | 250512-П29 | Гайка М10х1,5 | |
| 250560-П29 | 250560-П29 | Гайка М16х2 | |
| 250691-П29 | 250691-П29 | Гайка М16х1,5 | |
| 348002-П29 | 348002-П29 | Гайка М22х1,5 | |
| 256836-П | 256836-П | Заклепка | |
| 200333-П29 | 200333-П29 | Болт М10х120 | |
| 250-2902447-30 | 250-2902447-30 | Кронштейн задний левый | |
| 250-2902446-30 | 250-2902446-30 | Кронштейн задний правый | |
| 250-2902445-30 | 250-2902445-30 | Кронштейн передней рессоры передний левый | |
| 250-2902444-30 | 250-2902444-30 | Кронштейн передней рессоры передний правый | |
| 200-2902450 | 200-2902450 | Крышка переднего кронштейна | |
| 214-2902452 | 214-2902452 | Крышка заднего кронштейна | |
| 255Б-2902101-01 | 255Б-2902101-01 | Лист № 1 | |
| 255Б-2902074-01 | 255Б-2902074-01 | Лист № 1 с чашками в сборе | |
| 255Б-2902110 | 255Б-2902110 | Лист № 10 | |
| 255Б-2902111 | 255Б-2902111 | Лист № 11 |
Содержащиеся в справочниках-каталогах запасные части и детали не предлагаются к продаже, а носят исключительно информационный характер