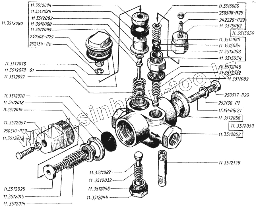
Каталог запасных частей к технике: КрАЗ-250. Регулятор давления с предохранительным клапаном
11.3512020
11.3512099
11.3512082
11.3512080
11.3512078-01
11.3515060
11.3512015
11.3512032
11.3512032
11.3512014
11.3512092
11.3512086
11.3515064
11.3512084
11.3512026
11.3515066
11.3512056
11.3512088
252134-П2
252136-П2
1(35466)21
11.3512126
11.3512057
11-3512028
242226-П29
250508-П29
250508-П29
250510-П29
250517-П29
11.3512016
11-3511082
11-3511082
11.3515050
11.3512044
11.3515062
11-3512046
11-3512046
11.3512076
11.3512018
11.3515058
11.3512050
11.3515054
11.3512052
| Позиция на иллюстрации | Заводской номер детали | Название детали | |
|---|---|---|---|
| 11.3512010 | 11.3512010 | Регулятор давления с предохранительным клапаном в сборе | |
| 11.3512020 | 11.3512020 | Мембрана | |
| 11.3512099 | 11.3512099 | Палец поршневой | |
| 11.3512082 | 11.3512082 | Поршень | |
| 11.3512080 | 11.3512080 | Поршень в сборе | |
| 11.3512078-01 | 11.3512078-01 | Пробка | |
| 11.3515060 | 11.3515060 | Пружина предохранительного клапана | |
| 11.3512015 | 11.3512015 | Пружина регулятора внутренняя | |
| 11.3512032 | 11.3512032 | Пружина впускного клапана | |
| 11.3512014 | 11.3512014 | Пружина регулятора наружная | |
| 11.3512092 | 11.3512092 | Пружина возвратная | |
| 11.3512086 | 11.3512086 | Манжета | |
| 11.3515064 | 11.3515064 | Тарелка клапана | |
| 11.3512084 | 11.3512084 | Тарелка направляющая | |
| 11.3512026 | 11.3512026 | Тарелка пружины | |
| 11.3515066 | 11.3515066 | Тарелка пружины | |
| 11.3512056 | 11.3512056 | Шайба корпуса | |
| 11.3512088 | 11.3512088 | Шайба | |
| 252134-П2 | 252134-П2 | Шайба 6 пружинная | |
| 252136-П2 | 252136-П2 | Шайба 10 пружинная | |
| 1(35466)21 | 1(35466)21 | Шпилька | |
| 11.3512126 | 11.3512126 | Штуцер | |
| 11.3512057 | 11.3512057 | Кожух пружины | |
| 11-3512028 | 11-3512028 | Болт регулировочный | |
| 242226-П29 | 242226-П29 | Винт | |
| 250508-П29 | 250508-П29 | Гайка М6-6Н | |
| 250510-П29 | 250510-П29 | Гайка М8 | |
| 252512-П29 | 252512-П29 | Гайка | |
| 250517-П29 | 250517-П29 | Гайка М10х1,25 | |
| 11.3512016 | 11.3512016 | Диск мембранный | |
| 11-3511082 | 11-3511082 | Клапан в сборе | |
| 11.3515050 | 11.3515050 | Клапан предохранительный в сборе | |
| 11.3512044 | 11.3512044 | Корпус пружины клапана | |
| 201497-П29 | 201497-П29 | Болт М10х1,25х25 | |
| 11.3515062 | 11.3515062 | Колпак | |
| 11-3512046 | 11-3512046 | Кольцо уплотнительное | |
| 11.3512076 | 11.3512076 | Кольцо уплотнительное | |
| 11.3512018 | 11.3512018 | Кольцо упорное | |
| 11.3515058 | 11.3515058 | Конус резиновый | |
| 11.3512050 | 11.3512050 | Корпус в сборе | |
| 11.3515054 | 11.3515054 | Корпус клапана | |
| 11.3512052 | 11.3512052 | Корпус регулятора | |
| 256Б1-3512090 | 256Б1-3512090 | Кронштейн |
Содержащиеся в справочниках-каталогах запасные части и детали не предлагаются к продаже, а носят исключительно информационный характер