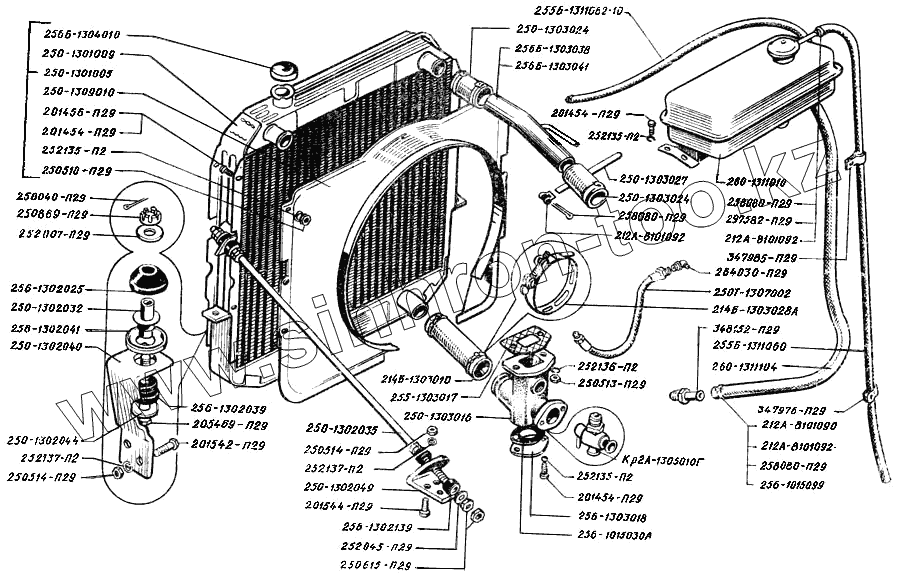
Каталог запасных частей к технике: КрАЗ-250. Радиатор с рамкой и кожухом
252007-П29
256Б-1303038
256-1302139
256-1302025
256-1302039
256Б-1304010
255-1303017
256-1015030А
212А-8101092
212А-8101092
212А-8101092
250-1301005
250-1301009
250-1302035
214Б-1303028-А
250-1302044
256Б-1303041
252045-П29
252135-П2
252135-П2
252135-П2
252136-П2
252137-П2
252137-П2
214Б-1303010
250-1303024
250-1303024
250Т-1307002
255Б-1311060
255Б-1311062-10
260-1311104
258040-П29
258080-П29
258080-П29
258080-П29
347985-П29
201454-П29
201454-П29
201454-П29
201456-П29
205469-П29
201542-П29
201544-П29
250-1302032
250510-П29
250514-П29
250514-П29
250615-П29
250869-П29
250513-П29
256-1302041
256-1303018
260-1311010
347976-П29
250-1309010
КР-2А-1305010Г
250-1302040
250-1302049
250-1303027
256-1015099
212А-8101090
297582-П29
264030-П29
348152-П29
250-1303016
| Позиция на иллюстрации | Заводской номер детали | Название детали | |
|---|---|---|---|
| 252007-П29 | 252007-П29 | Шайба 12 | |
| 256Б-1303038 | 256Б-1303038 | Патрубок соединительный радиатора правый в сборе | |
| 256-1302139 | 256-1302139 | Подушка крепления радиатора малая | |
| 256-1302025 | 256-1302025 | Подушка подвески радиатора верхняя в сборе | |
| 256-1302039 | 256-1302039 | Подушка подвески радиатора нижняя в сборе | |
| 256Б-1304010 | 256Б-1304010 | Пробка радиатора | |
| 255-1303017 | 255-1303017 | Прокладка распределительного патрубка | |
| 256-1015030А | 256-1015030А | Прокладка | |
| 212А-8101092 | 212А-8101092 | Пряжка хомута | |
| 250-1301005 | 250-1301005 | Радиатор в сборе | |
| 250-1301009 | 250-1301009 | Радиатор с пробкой | |
| 250-1302035 | 250-1302035 | Тяга | |
| 214Б-1303028-А | 214Б-1303028-А | Хомут | |
| 250-1302044 | 250-1302044 | Шайба упорная | |
| 256Б-1303041 | 256Б-1303041 | Патрубок соединительный радиатора левый | |
| 252045-П29 | 252045-П29 | Шайба 12 | |
| 252135-П2 | 252135-П2 | Шайба 8 пружинная | |
| 252136-П2 | 252136-П2 | Шайба 10 пружинная | |
| 252137-П2 | 252137-П2 | Шайба 12 пружинная | |
| 214Б-1303010 | 214Б-1303010 | Шланг соединительный нижний | |
| 250-1303024 | 250-1303024 | Шланг соединительный | |
| 250Т-1307002 | 250Т-1307002 | Шланг | |
| 255Б-1311060 | 255Б-1311060 | Шланг пароотводящий | |
| 255Б-1311062-10 | 255Б-1311062-10 | Шланг перепускной | |
| 260-1311104 | 260-1311104 | Шланг | |
| 258040-П29 | 258040-П29 | Шплинт разводной 3,2х25 | |
| 258080-П29 | 258080-П29 | Шплинт 5,6х25 | |
| 347985-П29 | 347985-П29 | Кляммер 18,5 | |
| 201454-П29 | 201454-П29 | Болт М8х1,25х16 | |
| 201456-П29 | 201456-П29 | Болт М8х1,25х20 | |
| 205469-П29 | 205469-П29 | Болт | |
| 201542-П29 | 201542-П29 | Болт М12х1,75х30 | |
| 201544-П29 | 201544-П29 | Болт М12х1,75х40 | |
| 250-1302032 | 250-1302032 | Втулка распорная | |
| 250510-П29 | 250510-П29 | Гайка М8 | |
| 250514-П29 | 250514-П29 | Гайка М12х1,75 | |
| 250615-П29 | 250615-П29 | Гайка М12х1,25 | |
| 250869-П29 | 250869-П29 | Гайка | |
| 250513-П29 | 250513-П29 | Гайка М10х1 | |
| 256-1302041 | 256-1302041 | Гнездо верхней подушки подвески радиатора | |
| 256-1303018 | 256-1303018 | Заглушка | |
| 260-1311010 | 260-1311010 | Бачок расширительный в сборе | |
| 347976-П29 | 347976-П29 | Кляммер | |
| 250-1309010 | 250-1309010 | Кожух | |
| КР-2А-1305010Г | КР-2А-1305010Г | Кран | |
| 250-1302040 | 250-1302040 | Кронштейн | |
| 250-1302049 | 250-1302049 | Кронштейн крепления радиатора | |
| 250-1303027 | 250-1303027 | Лента стяжного хомута | |
| 256-1015099 | 256-1015099 | Лента стяжная хомута | |
| 212А-8101090 | 212А-8101090 | Лента стяжная хомута | |
| 297582-П29 | 297582-П29 | Лента стяжная 10х180 | |
| 264030-П29 | 264030-П29 | Масленка | |
| 348152-П29 | 348152-П29 | Наконечник | |
| 250-1303016 | 250-1303016 | Патрубок |
Содержащиеся в справочниках-каталогах запасные части и детали не предлагаются к продаже, а носят исключительно информационный характер