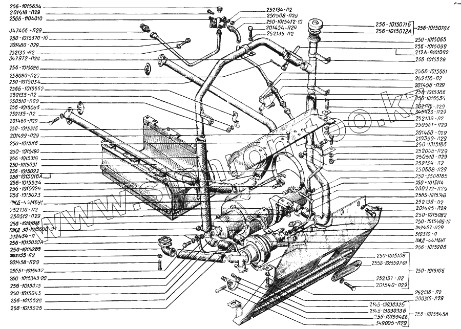
Каталог запасных частей к технике: КрАЗ-250. Подогреватель предпусковой
250-1015082
256-1015206
256-1015022
250-1015186
260-1015343-20
250-1015412-10
250-1015406-10
250-1015370-10
250-1015316
250-1015065
256-1015545-А
250-1015034
250-1015031
256-1015023
256-1015024
214Б-1303033-Б
214Б-1303032-Б
256Б-1015662
256Б-1015661
250-3506165
256-1015386
347467-П29
347466-П29
256Б1-1015432
258080-П29
256-1015534
256-1015534
256-1015528
256-1015528
256-1015526
256-1015319
256Б-1015148
212А-8101092
250-1015043
345423-П29
312310-П
252137-П2
252136-П2
252136-П2
252136-П2
252136-П2
252135-П2
252135-П2
252135-П2
252135-П2
252135-П2
252139-П2
252134-П2
252134-П2
252005-П29
201540-П29
ПЖД30-1015500-07
250561-П29
250512-П29
250510-П29
250510-П29
250508-П29
250508-П29
256-1015018А
349005-П29
210359-П29
202145-П29
347972-П29
201499-П29
201495-П29
201460-П29
201460-П29
201460-П29
201458-П29
201418-П29
201456-П29
201454-П29
200315-П29
200272-П29
256-1015546-Б
312434-П
256-1015072-А
256-1015086
256-1015086
256-1015030А
256-1015654
ПЖД-44МБУ1
ПЖД-44МБУ1
256-1015075
250-1015028
250-1015190
250-1015116
256-1015099
256-1015070-А
256-1015071-Б
255Б-1015597-01
256-1015101-Б
250-1015114
256Б-1104010
250-1015108
250-1015106
| Позиция на иллюстрации | Заводской номер детали | Название детали | |
|---|---|---|---|
| 250-1015082 | 250-1015082 | Трубка заливная промежуточная | |
| 256-1015206 | 256-1015206 | Хомут | |
| 256-1015022 | 256-1015022 | Хомут крепления подогревателя | |
| 250-1015186 | 250-1015186 | Хомут | |
| 260-1015343-20 | 260-1015343-20 | Трубка от насоса к клапану | |
| 250-1015412-10 | 250-1015412-10 | Трубка | |
| 250-1015406-10 | 250-1015406-10 | Трубка | |
| 250-1015370-10 | 250-1015370-10 | Трубка | |
| 250-1015316 | 250-1015316 | Трубка | |
| 250-1015065 | 250-1015065 | Труба заливная | |
| 256-1015545-А | 256-1015545-А | Хомут | |
| 250-1015034 | 250-1015034 | Труба | |
| 250-1015031 | 250-1015031 | Труба | |
| 256-1015023 | 256-1015023 | Сухарь хомута | |
| 256-1015024 | 256-1015024 | Сухарь болта | |
| 214Б-1303033-Б | 214Б-1303033-Б | Сухарь упорный | |
| 214Б-1303032-Б | 214Б-1303032-Б | Сухарь | |
| 256Б-1015662 | 256Б-1015662 | Скоба нижняя | |
| 256Б-1015661 | 256Б-1015661 | Скоба верхняя | |
| 250-3506165 | 250-3506165 | Скоба 6 | |
| 256-1015386 | 256-1015386 | Шланг соединительный | |
| 347467-П29 | 347467-П29 | Штуцер М12х1,25 | |
| 347466-П29 | 347466-П29 | Штуцер ввертный | |
| 256Б1-1015432 | 256Б1-1015432 | Штуцер | |
| 258080-П29 | 258080-П29 | Шплинт 5,6х25 | |
| 256-1015534 | 256-1015534 | Шланг соединительный заливной трубы | |
| 256-1015528 | 256-1015528 | Шланг соединительный | |
| 256-1015526 | 256-1015526 | Шланг соединительный | |
| 256-1015319 | 256-1015319 | Шланг соединительный | |
| 256Б-1015148 | 256Б-1015148 | Шланг соединительный | |
| 212А-8101092 | 212А-8101092 | Пряжка хомута | |
| 250-1015043 | 250-1015043 | Шланг соединительный | |
| 345423-П29 | 345423-П29 | Шайба 16 косая | |
| 312310-П | 312310-П | Шайба 12,5 | |
| 252137-П2 | 252137-П2 | Шайба 12 пружинная | |
| 252136-П2 | 252136-П2 | Шайба 10 пружинная | |
| 252135-П2 | 252135-П2 | Шайба 8 пружинная | |
| 252139-П2 | 252139-П2 | Шайба 16 пружинная | |
| 252134-П2 | 252134-П2 | Шайба 6 пружинная | |
| 252005-П29 | 252005-П29 | Шайба 8 | |
| 201540-П29 | 201540-П29 | Болт М12х1,75х30 | |
| ПЖД30-1015500-07 | ПЖД30-1015500-07 | Клапан электромагнитный пускового подогревателя РС-335 в сборе | |
| 250561-П29 | 250561-П29 | Гайка М16х1,5 | |
| 250512-П29 | 250512-П29 | Гайка М10х1,5 | |
| 250510-П29 | 250510-П29 | Гайка М8 | |
| 250508-П29 | 250508-П29 | Гайка М6-6Н | |
| 256-1015018А | 256-1015018А | Втулка | |
| 349005-П29 | 349005-П29 | Винт М5х48 | |
| 210359-П29 | 210359-П29 | Болт М6х85 | |
| 202145-П29 | 202145-П29 | Болт М16х1,5х45 | |
| 347972-П29 | 347972-П29 | Кляммер 32 | |
| 201499-П29 | 201499-П29 | Болт М10х1,5х30 | |
| 201495-П29 | 201495-П29 | Болт М10х1,5х20 | |
| 201460-П29 | 201460-П29 | Болт М8х1,25х30 | |
| 201458-П29 | 201458-П29 | Болт М8х1,25х25 | |
| 201418-П29 | 201418-П29 | Болт М6х1х16 | |
| 201456-П29 | 201456-П29 | Болт М8х1,25х20 | |
| 201454-П29 | 201454-П29 | Болт М8х1,25х16 | |
| 200315-П29 | 200315-П29 | Болт М10х1,5х40 | |
| 200272-П29 | 200272-П29 | Болт М8х1,25х65 | |
| 256-1015546-Б | 256-1015546-Б | Лента хомута | |
| 312434-П | 312434-П | Шайба 10 | |
| 256-1015072-А | 256-1015072-А | Прокладка | |
| 256-1015086 | 256-1015086 | Прокладка | |
| 256-1015030А | 256-1015030А | Прокладка | |
| 256-1015654 | 256-1015654 | Пробка | |
| ПЖД-44МБУ1 | ПЖД-44МБУ1 | Подогреватель предпусковой | |
| 256-1015075 | 256-1015075 | Переходник | |
| 250-1015028 | 250-1015028 | Патрубок | |
| 250-1015190 | 250-1015190 | Направляющая газов | |
| 250-1015116 | 250-1015116 | Балка крепления подогревателя | |
| 256-1015099 | 256-1015099 | Лента стяжная хомута | |
| 256-1015070-А | 256-1015070-А | Крышка в сборе | |
| 256-1015071-Б | 256-1015071-Б | Крышка | |
| 255Б-1015597-01 | 255Б-1015597-01 | Крышка | |
| 256-1015101-Б | 256-1015101-Б | Кронштейн | |
| 250-1015114 | 250-1015114 | Кронштейн котла подогревателя | |
| 256Б-1104010 | 256Б-1104010 | Кран ПП6-2 | |
| 250-1015108 | 250-1015108 | Кожух защитный | |
| 250-1015106 | 250-1015106 | Кожух защитный |
Содержащиеся в справочниках-каталогах запасные части и детали не предлагаются к продаже, а носят исключительно информационный характер