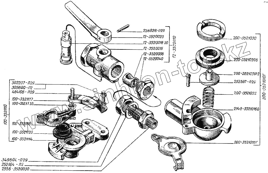
Каталог запасных частей к технике: КрАЗ-250. Кран разобщительный и головки соединительные
255Б-3520030
484106-П29
258928-29
252164-П2
305890-П2
100-3521123
100-3521120
12-3520020
200-3521032
12-3520018-20
100-3521117
200-3521018Г
100-3521118
302207-П29
12-3520010
12-3520016
214Б-3521016-Б
100-3521114
200-3521020Б
200-3521031-А2
252597-П29
100-3521110
200-3521010Г
200-3521030
349504-П29
12-3520040
12-3520038
| Позиция на иллюстрации | Заводской номер детали | Название детали | |
|---|---|---|---|
| Кран разобщительный и головки соединител | Кран разобщительный и головки соединител | Кран разобщительный и головки соединительные | |
| 255Б-3520030 | 255Б-3520030 | Штуцер | |
| 484106-П29 | 484106-П29 | Штифт 5х32 | |
| 258928-29 | 258928-29 | Шплинт | |
| 252164-П2 | 252164-П2 | Шайба | |
| 305890-П2 | 305890-П2 | Шайба 8 пружинная | |
| 100-3521123 | 100-3521123 | Шайба | |
| 100-3521120 | 100-3521120 | Уплотнитель | |
| 12-3520020 | 12-3520020 | Ручка крана | |
| 200-3521032 | 200-3521032 | Пружина клапана | |
| 12-3520018-20 | 12-3520018-20 | Пробка крана | |
| 100-3521117 | 100-3521117 | Направляющая | |
| 200-3521018Г | 200-3521018Г | Крышка головки | |
| 100-3521118 | 100-3521118 | Крышка | |
| 302207-П29 | 302207-П29 | Винт | |
| 12-3520010 | 12-3520010 | Кран разобщительный в сборе | |
| 12-3520016 | 12-3520016 | Корпус крана | |
| 214Б-3521016-Б | 214Б-3521016-Б | Корпус головки | |
| 100-3521114 | 100-3521114 | Корпус | |
| 200-3521020Б | 200-3521020Б | Кольцо уплотнительное | |
| 200-3521031-А2 | 200-3521031-А2 | Клапан обратный | |
| 252597-П29 | 252597-П29 | Заклепка | |
| 100-3521110 | 100-3521110 | Головка соединительная типа «ПАЛМ» в сборе | |
| 200-3521010Г | 200-3521010Г | Головка соединительная в сборе | |
| 200-3521030 | 200-3521030 | Гайка головки | |
| 349504-П29 | 349504-П29 | Гайка | |
| 12-3520040 | 12-3520040 | Гайка | |
| 12-3520038 | 12-3520038 | Втулка крана |
Содержащиеся в справочниках-каталогах запасные части и детали не предлагаются к продаже, а носят исключительно информационный характер